电脑桌面
添加小米粒文库到电脑桌面
安装后可以在桌面快捷访问

浙江省宁波市支点教育培训学校2013科学中考科学专题总复习-物理练习VIP免费

浙江省宁波市支点教育培训学校2013科学中考科学专题总复习-物理练习_第1页
1/10
浙江省宁波市支点教育培训学校2013科学中考科学专题总复习-物理练习_第2页
2/10
浙江省宁波市支点教育培训学校2013科学中考科学专题总复习-物理练习_第3页
3/10
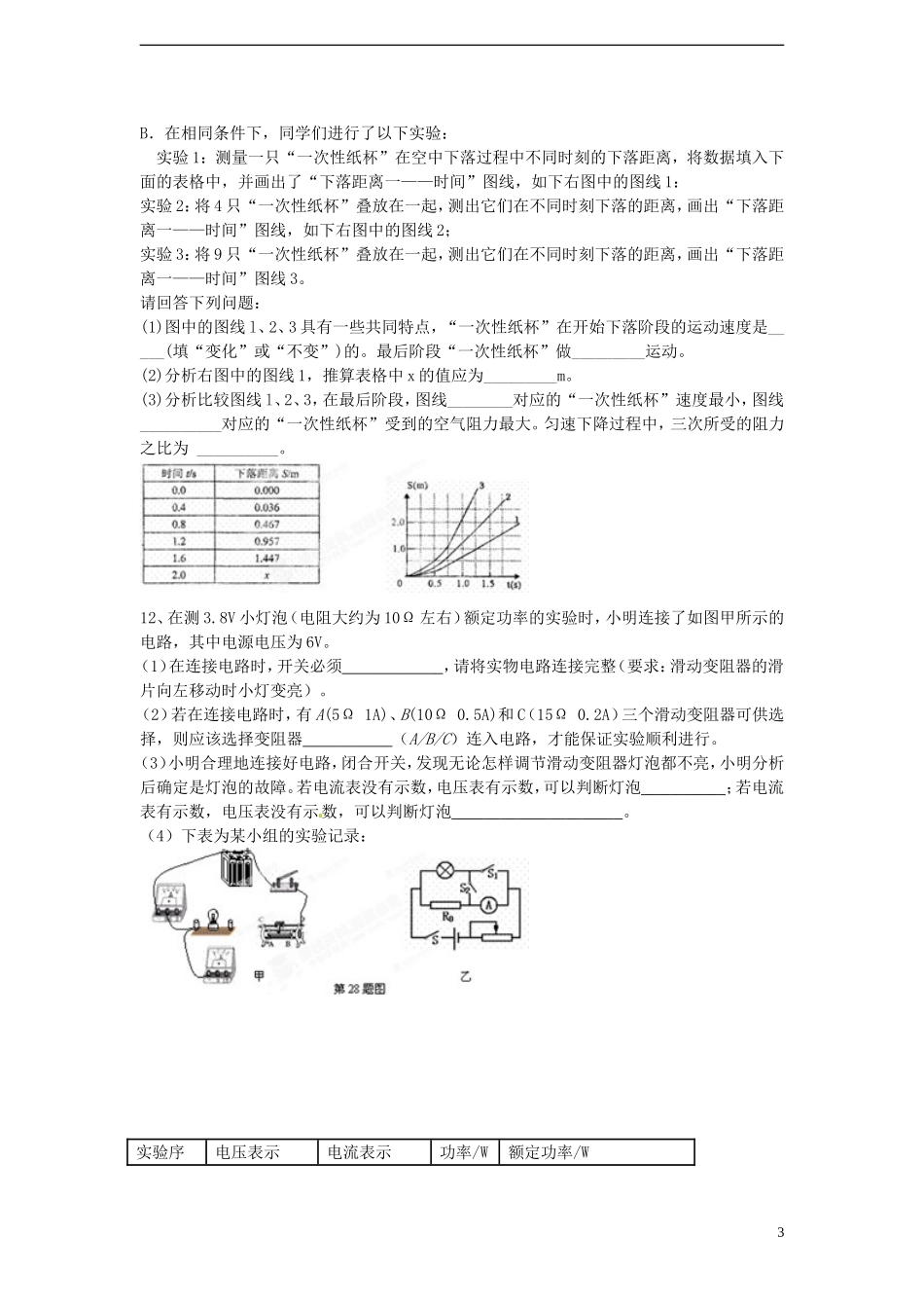
物理练习1、如图24甲所示是一种常见的电热水袋,图乙是它的结构示意图,其性能指标如下表所示。(1)由题意可知,红色指示灯L的电阻比发热体R的电阻要______(选填“大”或“小”)得多;(2)为了使用电热水袋更加安全,有的电热水袋里使用双重温控开关保护,也就是把两个温控开关__________(选填“串联”或“并联”)起来使用;(3)当热水袋原来的温度是15℃时,在额定电压下加热10min指示灯就熄灭了,则此过程中水吸收的热量是多少?电热水袋的发热效率为多少?[c水=4.2×103J/(kg·℃)]4、如图20是电饭锅的实物图,图21(甲)是它的内部电路图,图21(乙)是电路简图。它有“高温烧煮”和“焖饭、保温”两挡,由温控开关自动控制。煮饭时,先要按下温控开关按钮;到达设定温度(饭己煮熟),按钮会自动弹起。(l)对照观察图21(甲)和(乙),按下温控开关按钮,“烧煮电路部分”的电压为“保温电路部分”将(选填“工作”或“不工作”);温控开关按钮弹起后,电路中的电流比原来(选填“大”或“小”)。(2)当温控开关按钮按下时,电饭锅电路的总功率为1100w。求:“烧煮电路部分”的电阻R1。(3)温控开关按钮弹起后,电饭锅电路的总功率为44W。、求:①电路中的电流;②“保温电路部分”的电阻R2。(4)已知,只有当指示灯和限流器两端的电压与电源电压相差不大时,指示灯才会发光。请通过相关计算或分析,说明为什么温控开关按钮弹起时,红灯熄灭而黄灯亮。7、额定电压功能额定频率蒸汽方式额定功率水箱容积220V汽烫、干烫50Hz滴下式1000W300mL右表是一种家用蒸汽电熨斗的铭牌.汽烫时,水箱中的水滴入被加热的底板汽室,迅速汽化产生向下的蒸汽.1⑴如果在熨斗水箱中注满水,则所注水的质量为多少千克?⑵用熨斗汽烫衣服应先预热,使金属底板的温度从20℃升高到220℃,这时温控开关自动断开.已知金属底板的质量为1kg,金属底板的比热容为0.46×103J/(kg·℃).则蒸汽电熨斗预热过程中金属底板吸收的热量为多少焦耳?⑶汽烫时,水滴入汽室,由于水升温汽化带走热量,当金属底板温度降到190℃时,温控开关自动闭合,电熨斗开始加热.当温度达到220℃时,温控开关自动断开,停止加热.如此反复,蒸汽电熨斗汽烫衣服时的工作情况按如图所示的规律变化.若汽烫一件衣服用时12min,则需消耗多少焦耳电能?8、今年,江苏省要推行“区间测速”.所谓的“区间测速”,就是在两监测点安装监控和测速探头,测出同一辆车通过两个监测点的时间,再根据两点间的距离算出该车在这一区间路段的平均车速,如果这个平均车速超过了该路段的最高限速,即被判为超速.若监测点A、B相距30km,一辆轿车通过监测点A的速度为100km/h,通过监测点B的速度为110km/h,通过两个监测点的时间如图所示,该路段最高限速120km/h.⑴原来检测的方法是监控探头判断通过监测点时的车速.如果按原来的方法,该轿车通过监测点A、B时会不会判为超速?⑵通过计算说明,采用“区间测速”,这辆轿车会不会被判为超速?⑶据统计,全国发生的车祸中,有超过四分之一是超速引起的.为劝导驾驶员不要超速行驶,请你设计一条劝导语.9、某建筑工地从相距1000m处的220V电源线上引来两根相同的导线作为乙地照明用电源,并在工地安装了一只合适的标有“3000R/kwh”单相电能表,当接入1盏标有“220V500W”的白炽灯时发现灯的亮度较暗,检查员为确认灯泡两端的实际电压和导线电阻,做了这样的测试:让这盏灯发光,发现45s内电能表转盘恰好转过12圈(灯泡电阻保持不变,电压对电能表记录没有影响),试求:(1)灯泡发光的实际功率;(2)加在灯泡两端的实际电压;(3)1km长导线的电阻值。11、在一次砑究性学习活动中,某小组同学对“运动物体所受空气阻力与运动速度的关系”,进行了探究,探究过程如下:A.他们计划从物体自由下落的距离与下落的时间关系上入手进行探究,并设计了这样的实验:取一些相同“一次性纸杯”作为研究对象,用“频闪摄影”的方法测量“一次性纸杯”在空气中自由直线下落时的下落距离和下落时间的一些数据。型号:TDR210ZA额定电压:48V额定功率:480W整车质量:84kg充电时间:6—8h匀速行驶受到的平...

1、当您付费下载文档后,您只拥有了使用权限,并不意味着购买了版权,文档只能用于自身使用,不得用于其他商业用途(如 [转卖]进行直接盈利或[编辑后售卖]进行间接盈利)。
2、本站所有内容均由合作方或网友上传,本站不对文档的完整性、权威性及其观点立场正确性做任何保证或承诺!文档内容仅供研究参考,付费前请自行鉴别。
3、如文档内容存在违规,或者侵犯商业秘密、侵犯著作权等,请点击“违规举报”。

碎片内容

浙江省宁波市支点教育培训学校2013科学中考科学专题总复习-物理练习

您可能关注的文档

确认删除?
VIP
微信客服
  • 扫码咨询
会员Q群
  • 会员专属群点击这里加入QQ群
客服邮箱
回到顶部