电脑桌面
添加小米粒文库到电脑桌面
安装后可以在桌面快捷访问

跨铁路连续梁门式支架拆除专项方案VIP专享VIP免费

跨铁路连续梁门式支架拆除专项方案_第1页
1/14
跨铁路连续梁门式支架拆除专项方案_第2页
2/14
跨铁路连续梁门式支架拆除专项方案_第3页
3/14
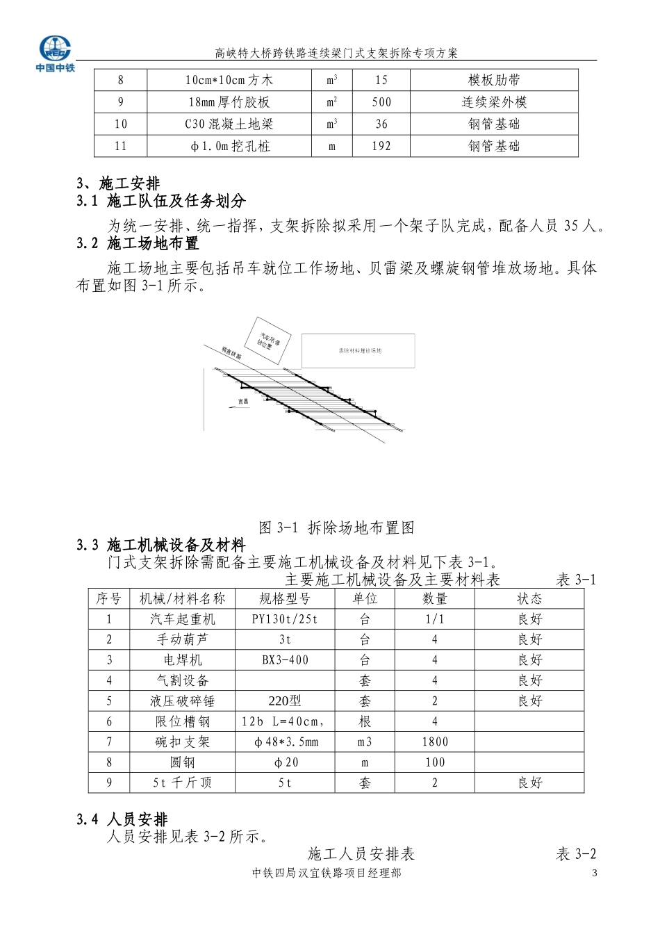
高峡特大桥跨铁路连续梁门式支架拆除专项方案高峡特大桥跨铁路连续梁门式支架拆除专项方案1、编制依据1.1《高峡特大桥跨鸦宜铁路48+80+48m连续梁施工方案》1.2铁道部现行的行业标准,规范及营业线实施细则;1.3工地调查资料。2、工程概况2.1工程简介高峡特大桥位于宜昌市伍家乡共升村境内,起点桩号为DK289+790.955,终点桩号为DK291+319.300,中心里程DK290+556.565,全桥共长1528.345m,共有45个墩台,设计为3-32m预制T梁+1-24m预制T梁+2-32m预制T梁+(32m+48m+32m)连续梁+3-24m预制T梁+1-32m预制T梁+(48m+80m+48m)连续梁+20-32m预制T梁+(32m+48m+32m)连续梁+5-32m预制T梁。高峡特大桥跨鸦宜铁路设计为48m+80m+48m连续梁,与线路斜交,角度为25°,连续梁底距离轨顶最小为9.2m,连续梁梁高最大为6.4m,最小为3.8m,梁面宽度为12.2m。鸦宜铁路为宜昌市连接焦柳铁路的连接线,为非电气化单线铁路,且为宜昌铁路运输的大通道,日运营列车40余辆,高峡特大桥跨越铁路处距离宜昌东站3km,该处列车运行时速最高为90km/h。2.2跨铁路门架简介门式支架为螺旋钢管柱单层加强贝雷梁结构组成,跨度为18m。基础为Φ1.0m挖孔桩,上为条形地梁。螺旋钢管立柱直径为530mm壁厚10mm的螺旋钢管,钢管长度6.45m,合计32根,螺旋钢管间采用∠75*75*5mm角钢连接。钢管顶双工字钢(I40a)横梁,单边长度50m。加强贝雷梁共计30榀,除腹板底为4片一组外其余均为2片一组,组间采用型钢及脚手架管进行连接成整体。贝雷梁顶满铺3mm厚防护钢板,钢板间采用间断点焊。钢板顶横向铺设双根I10a工字钢小分配梁,纵向间距60cm,上搭设碗扣膺架。具体门架布置如图2-1、图2-2所示,门架主要材料见表2-1。中铁四局汉宜铁路项目经理部1高峡特大桥跨铁路连续梁门式支架拆除专项方案图2-1跨铁路连续梁门架布置图图2-2跨铁路连续梁门架正面图贝雷梁门式支架主要材料数量表表2-1序号材料名称单位数量备注1φ530×10mm钢管m206门式支架墩柱2热轧普通I40a工字钢m200柱顶横梁3加强型贝雷片片220门架纵梁43mm厚防护钢板m2315铁路防护5∠75*75*5mm角钢m600钢管连接6I10a工字钢m1050贝雷梁顶分配梁7碗扣件t25贝雷梁顶膺架中铁四局汉宜铁路项目经理部2高峡特大桥跨铁路连续梁门式支架拆除专项方案810cm*10cm方木m315模板肋带918mm厚竹胶板m2500连续梁外模10C30混凝土地梁m336钢管基础11φ1.0m挖孔桩m192钢管基础3、施工安排3.1施工队伍及任务划分为统一安排、统一指挥,支架拆除拟采用一个架子队完成,配备人员35人。3.2施工场地布置施工场地主要包括吊车就位工作场地、贝雷梁及螺旋钢管堆放场地。具体布置如图3-1所示。图3-1拆除场地布置图3.3施工机械设备及材料门式支架拆除需配备主要施工机械设备及材料见下表3-1。主要施工机械设备及主要材料表表3-1序号机械/材料名称规格型号单位数量状态1汽车起重机PY130t/25t台1/1良好2手动葫芦3t台4良好3电焊机BX3-400台4良好4气割设备套4良好5液压破碎锤220型套2良好6限位槽钢12bL=40cm,根47碗扣支架φ48*3.5mmm318008圆钢φ20m10095t千斤顶5t套2良好3.4人员安排人员安排见表3-2所示。施工人员安排表表3-2中铁四局汉宜铁路项目经理部3高峡特大桥跨铁路连续梁门式支架拆除专项方案序号劳动力工种人数姓名现场职责1施工总负责人1王铁文现场总负责现场负责人2陈军现场负责、指挥大型机械操作2驻站联络员1陈胜喜驻站联络、登销记等3现场防护员2吕光明等现场接车、防护等4安全总监1魏满意现场检查、巡检等5安全员1林建州现场检查、巡检等6技术员1李中富观测横移偏位、控制横移速度7领工员1李德祥按要求安排各工序施工8吊车司机2石磊等负责吊车安全准确就位9吊车指挥1尹宣明发出正确信号指挥吊车10吊车跟车技工1张鹏负责吊车故障排除11装吊工8王华等负责吊绳安拆及贝雷梁横移等12贝雷拆装普工12谢光明等拆卸及堆码贝雷梁等13架子工8王永松等拆卸及堆码碗扣脚手架等14电焊工2宋立新等负责电焊及氧炔切割3.5节点工期安排高峡特大桥跨铁路支架拆除计划从2009年11月5日开始,11月30日结束。具体计划节点工期安排如表3-3所示。施工节点工期表表3-3施工内容工期安排工程量备注起~讫支架拆除线外满堂支...

1、当您付费下载文档后,您只拥有了使用权限,并不意味着购买了版权,文档只能用于自身使用,不得用于其他商业用途(如 [转卖]进行直接盈利或[编辑后售卖]进行间接盈利)。
2、本站所有内容均由合作方或网友上传,本站不对文档的完整性、权威性及其观点立场正确性做任何保证或承诺!文档内容仅供研究参考,付费前请自行鉴别。
3、如文档内容存在违规,或者侵犯商业秘密、侵犯著作权等,请点击“违规举报”。

碎片内容

跨铁路连续梁门式支架拆除专项方案

您可能关注的文档

确认删除?
VIP
微信客服
  • 扫码咨询
会员Q群
  • 会员专属群点击这里加入QQ群
客服邮箱
回到顶部