电脑桌面
添加小米粒文库到电脑桌面
安装后可以在桌面快捷访问

(福建专)高考物理一轮复习 第六课时实验三测定电源的电动势和内阻课时训练VIP免费

(福建专)高考物理一轮复习 第六课时实验三测定电源的电动势和内阻课时训练_第1页
1/5
(福建专)高考物理一轮复习 第六课时实验三测定电源的电动势和内阻课时训练_第2页
2/5
(福建专)高考物理一轮复习 第六课时实验三测定电源的电动势和内阻课时训练_第3页
3/5
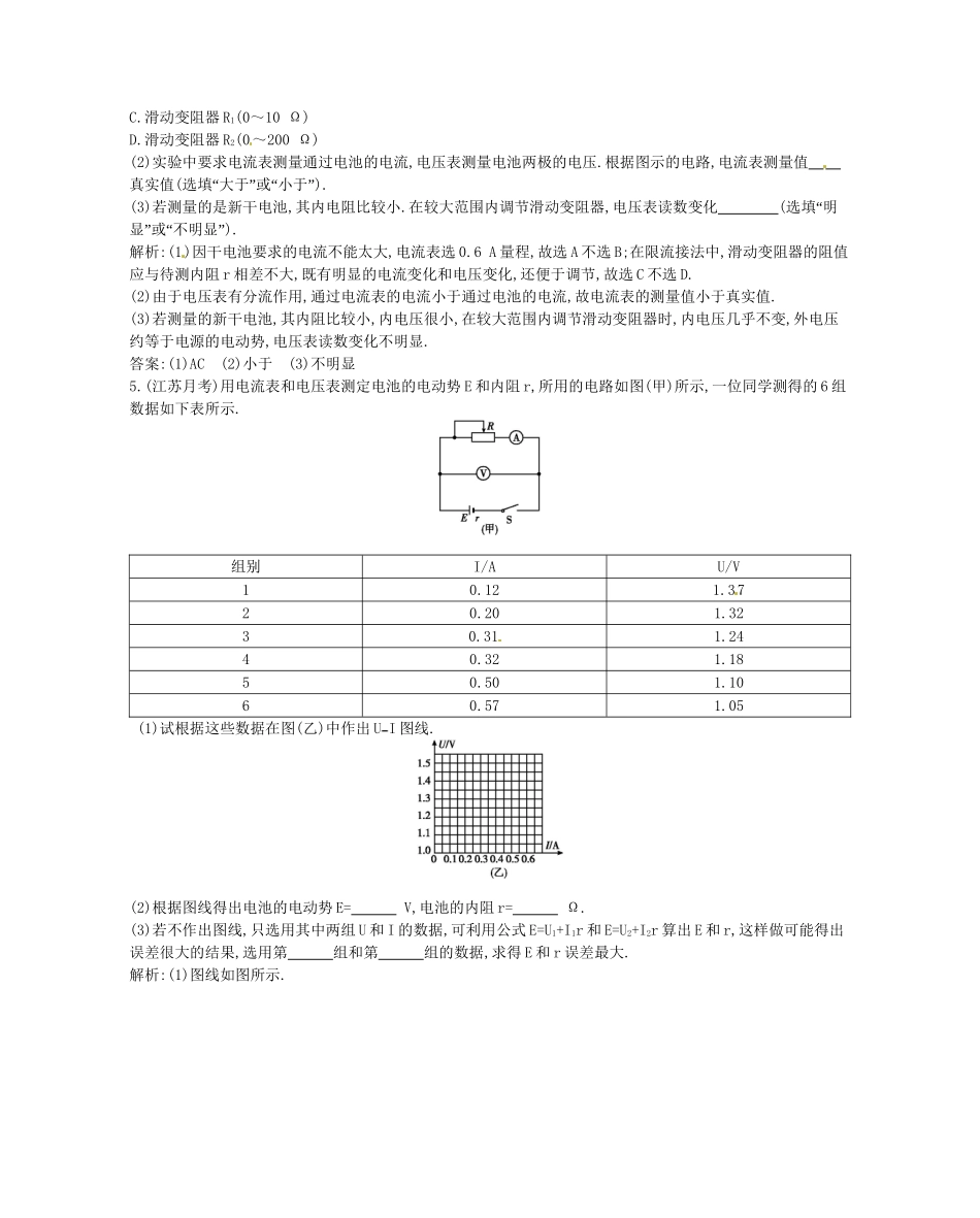
第课时实验三:测定电源的电动势和内阻【测控导航】知识点题号1.数据处理及误差分析1、2、3、52.实验原理及仪器选取3、43.创新拓展61.下面给出了多种用伏安法测电源电动势和内阻的数据处理方法.其中既能减小偶然误差,又直观、简便的方法是C.(填选项前字母)A.测出两组I、U的数据,代入方程组E=U1+I1r和E=U2+I2r,求出E、rB.多测几组I、U的数据,求出几组E、r,最后分别求出其平均值C.测出多组I、U的数据,画出UI图象,再根据图象求E、rD.多测出几组I、U的数据,分别求出I和U的平均值,用电压表测出断路时的路端电压即为电动势,再用闭合电路欧姆定律求出内阻r解析:A项中只取了两组数据,实验误差大;若有的数据误差很大,用B项的方法无法排除;D项中取I、U的平均值毫无意义;故选C项.2.两个电源a、b的UI图象如图所示,由图可知B.(填选项前字母)A.电源a的内阻较小,电动势较大B.电源a的内阻较大,电动势较大C.电源b的电阻较小,电动势较大D.电源b的内阻较大,电动势较大解析:在UI图象上,U轴的截距代表电动势的大小,图线斜率的绝对值表示内阻的大小,故B正确.3.(年重庆理综)某中学生课外科技活动小组利用铜片、锌片和家乡盛产的柑橘制作了果汁电池,他们测量这种电池的电动势E和内阻r,并探究电极间距对E和r的影响.实验器材如图(甲)所示.①测量E和r的实验方案为:调节滑动变阻器,改变电源两端的电压U和流过电源的电流I,依据公式,利用测量数据作出UI图象,得出E和r.②将电压表视为理想表,要求避免电流表分压作用对测量结果的影响,请在图(甲)中用笔画线代替导线连接电路.③实验中依次减小铜片与锌片的间距,分别得到相应果汁电池的UI图象如图(乙)中(a)、(b)、(c)、(d)所示,由此可知:在该实验中,随电极间距的减小,电源电动势(“”“”“”填增大、减小或不变),电源内阻(“填增”“”“”大、减小或不变).曲线(c)对应的电源电动势E=V,内阻r=Ω,当外电路总电阻为2500Ω时,该电源的输出功率P=mW.(均保留三位有效数字)解析:①由闭合电路欧姆定律得:U=E-Ir.②③由U=E-Ir,知UI图象的纵轴截距为电动势,斜率的绝对值为内阻,故间距减小,电动势不变,内阻增大,由(c)曲线知,电动势E=0.975V,内阻r=478Ω,由P=()2·R得P=0.268mW.答案:①U=E-Ir②见解析③不变增大0.9754780.2684.(江苏南京一模)在测量一节干电池的电动势和内电阻的实验中,实验电路如图所示.(1)实验过程中,应选用哪个电流表和滑动变阻器(请填写选项前对应的字母).A.电流表A1(量程0.6A,内阻约0.8Ω)B.电流表A2(量程3A,内阻约0.5Ω)C.滑动变阻器R1(0~10Ω)D.滑动变阻器R2(0~200Ω)(2)实验中要求电流表测量通过电池的电流,电压表测量电池两极的电压.根据图示的电路,电流表测量值真实值(“”“”选填大于或小于).(3)若测量的是新干电池,其内电阻比较小.在较大范围内调节滑动变阻器,电压表读数变化(“选填明”“”显或不明显).解析:(1)因干电池要求的电流不能太大,电流表选0.6A量程,故选A不选B;在限流接法中,滑动变阻器的阻值应与待测内阻r相差不大,既有明显的电流变化和电压变化,还便于调节,故选C不选D.(2)由于电压表有分流作用,通过电流表的电流小于通过电池的电流,故电流表的测量值小于真实值.(3)若测量的新干电池,其内阻比较小,内电压很小,在较大范围内调节滑动变阻器时,内电压几乎不变,外电压约等于电源的电动势,电压表读数变化不明显.答案:(1)AC(2)小于(3)不明显5.(江苏月考)用电流表和电压表测定电池的电动势E和内阻r,所用的电路如图(甲)所示,一位同学测得的6组数据如下表所示.组别I/AU/V10.121.3720.201.3230.311.2440.321.1850.501.1060.571.05(1)试根据这些数据在图(乙)中作出UI图线.(2)根据图线得出电池的电动势E=V,电池的内阻r=Ω.(3)若不作出图线,只选用其中两组U和I的数据,可利用公式E=U1+I1r和E=U2+I2r算出E和r,这样做可能得出误差很大的结果,选用第组和第组的数据,求得E和r误差最大.解析:(1)图线如图所示.(2)作图线时应把个别不合理的数据排除,由直线与纵轴的交点可读出电动势E=1.46V,再读出直线与横轴的交点的坐标(0.65,1.0),连同得出的E值代入E=U+Ir中,得r=≈0.71Ω.(3)选用第3组和第4组数据求得的E和r误差最大.选用这两组数据求E和r,相当于过图中3和...

1、当您付费下载文档后,您只拥有了使用权限,并不意味着购买了版权,文档只能用于自身使用,不得用于其他商业用途(如 [转卖]进行直接盈利或[编辑后售卖]进行间接盈利)。
2、本站所有内容均由合作方或网友上传,本站不对文档的完整性、权威性及其观点立场正确性做任何保证或承诺!文档内容仅供研究参考,付费前请自行鉴别。
3、如文档内容存在违规,或者侵犯商业秘密、侵犯著作权等,请点击“违规举报”。

碎片内容

(福建专)高考物理一轮复习 第六课时实验三测定电源的电动势和内阻课时训练

您可能关注的文档

文章天下+ 关注
实名认证
内容提供者

各种文档应有尽有

相关文档

确认删除?
VIP
微信客服
  • 扫码咨询
会员Q群
  • 会员专属群点击这里加入QQ群
客服邮箱
回到顶部