电脑桌面
添加小米粒文库到电脑桌面
安装后可以在桌面快捷访问

郑州XX科技有限公司财务管理手册VIP免费

郑州XX科技有限公司财务管理手册_第1页
1/50
郑州XX科技有限公司财务管理手册_第2页
2/50
郑州XX科技有限公司财务管理手册_第3页
3/50
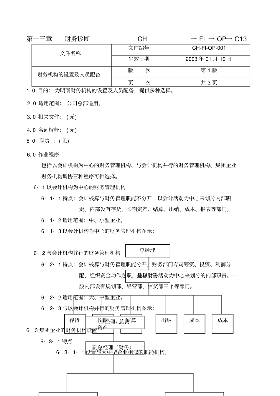
精品资料网财务管理手册目录第一章财务机构的设置及人员配备CH一FI一OP一001第二章资金业务的控制CH一FI一OP一002第三章采购业务的控制CH一FI一OP一003第四章工资业务的控制CH一Fl一OP一004第五章固定资产业务的控制CH一FI一OP一O05第六章销售业务的控制CH一FI一OP一006第七章费用与利润的控制CH一FI一OP一007第八章商品核算的控制CH一FI一OP一008第九章应付账款的控制CH一FI一OP一O09第十章存货管理CH一FI一OP一O10第十一章会计账务作业管理CH一FI一OP一O11第十二章财务经营分析CH一FI一OP一O12第十三章财务诊断CH一FI一OP一O13文件名称文件编号CH-FI-OP-001生效日期2003年01月10日财务机构的设置及人员配备版次第1版页次共3页1.0目的:为明确财务机构的设置及人员配备,提供多种选择。2.0适用范围:公司总部适用。3.0相关文件:(无)4.0名词解释:(无)5.0职责:(无)6.0作业程序包括以会计机构为中心的财务管理机构、与会计机构并行的财务管理机构、集团企业财务机构调协三种程序可供选择。6·1以会计机构为中心的财务管理机构6·1·1特点:会计核算与财务管理职能不分开,以会计活动为中心来划分内部职责。内部设有存货、长期资产、结算、出纳、成本、报表等部门。6·1·2适用范围:中、小型企业。6·1·3以会计机构为中心的财务管理机构图示:6·2与会计机构并行的财务管理机构6·2·1特点:会计核算与财务管理职能分开,财务部门专司筹资、投资、利润分配、组织资金动作之职,是以财务活动为中心来划分的内部职责。一般内部设有规划部、经营部、信贷部三个等部门。6·2·2适用范围:大、中型企业。6·2·3与以会计机构并行的财务管理机构图示:6·3集团企业的财务机构设置6·3·1特点6·3·1·1设置与大中型企业相似的职能机构。总经理财务主管存货长期资产结算出纳成本成本总经理/总裁副总经理(财务)6·3·1·2设置归集、合并分公司经营信息专门机构。6·3·1·3全面统一反映、监督公司、分公司综合经营状况。6·3·1·4设置专门财务公司。6·3·2适用范围:集团企业。6·3·3集团企业财务公司设立图示:文件名称文件编号CH–FI-OP-002生效日期2003年01月10日资金业务的控制版次第1版页次共4页1.0目的:为明确财务部门职责,充分发挥财务部门的功能和作用,特制定本管理规定。2.0适用范围:公司财务部适用。3.0相关文件:(无)4.0名词解释:(无)5.0职责:(无)6·0工作程序货币资金业务是指现金、银行存款和其他货币资金的收支业务。它具有数量大、发生范围广的特点。对货币资金的管理,是财务管理日常工作中的重要内容。为加强货币资金的管理与核算,确保其安全性,财务主管应在严格遵守国家现金管理条例、银行结算办法、结算纪律的基础上,结合本企业的实际情况,制定货币资金内部控制制度,形成各有关人员之间的相互牵制和监督,确保理财工作的顺利进行。6·1货币资金业务的要求6·1·1实行钱账分管,出纳员不得负责总账的记录。6·1·2各种收付款业务均应集中于出纳部门办理,任何部门和个人不得擅自出具收款凭证或付款凭证。6·1·3现金收入和支出必须立即记账,应定期或不定期检查现金卜记账情况并进行账实核对。6·1·4银行存款收款业务必须定期与对账单核对,并由出纳以外的人员编制或审核银行调节表。甲分公司乙分公司审计预算会计财务税务投资财务公司丙分公司总公司6·1·5库存现金除口常周转需用外,都应该每口解交银行,库存现金必须存放在保险柜内。6·1·6发票与收据必须按编号顺序使用,领用空白发票和收据必须登记。6·1·7支票签发必须由出纳员和财务负责人两人以上负责并签字,应设置支票签发登记簿进行记录。6·1·8所有付款业务只有经过审核批准后方可支付。6·1·9一切收款业务必须凭证齐全,收款业务完成后加盖收讫的印章。6·1·10所有与现金或银行存款收款业务有关的人员在处理业务后,都必须在相关文件上签字,以务追溯责任。6·2资金收入业务的控制6·2·1货币资金业务的内部控制分为两部分:收入和支出业务的内部控制。6·2·2收入货币资金业务的途径又有两条途径:一条通过银行,另一条直接收取现金。由于通过银行收款业务受到银行的直接监督,起到...

1、当您付费下载文档后,您只拥有了使用权限,并不意味着购买了版权,文档只能用于自身使用,不得用于其他商业用途(如 [转卖]进行直接盈利或[编辑后售卖]进行间接盈利)。
2、本站所有内容均由合作方或网友上传,本站不对文档的完整性、权威性及其观点立场正确性做任何保证或承诺!文档内容仅供研究参考,付费前请自行鉴别。
3、如文档内容存在违规,或者侵犯商业秘密、侵犯著作权等,请点击“违规举报”。

碎片内容

郑州XX科技有限公司财务管理手册

您可能关注的文档

确认删除?
VIP
微信客服
  • 扫码咨询
会员Q群
  • 会员专属群点击这里加入QQ群
客服邮箱
回到顶部