电脑桌面
添加小米粒文库到电脑桌面
安装后可以在桌面快捷访问

钢筋工程施工方案VIP专享VIP免费

钢筋工程施工方案_第1页
1/18
钢筋工程施工方案_第2页
2/18
钢筋工程施工方案_第3页
3/18
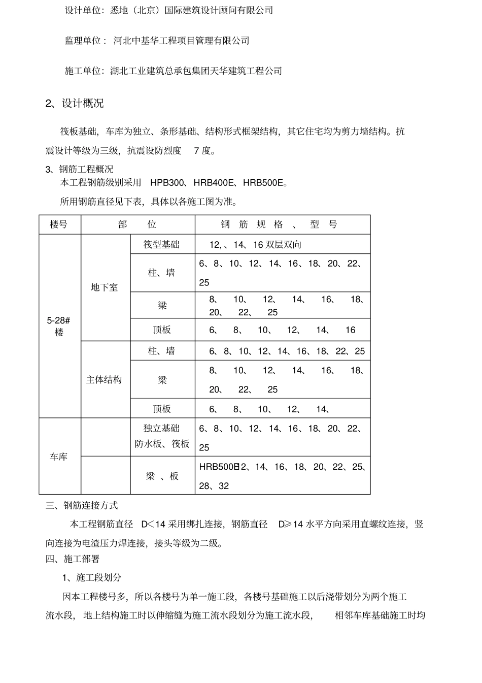
目录一、编制依据二、工程概况三、钢筋连接方式四、施工部署五、施工总体安排六、主要施工方法七、技术质量保证措施八、安全消防措施九、环保与文明施工措施一、编制依据1、雪绒片区棚户区改造(皓顺.壹号院工程)二标段施工图2、《混凝土结构施工图平面整体表示方法制图规则和构造详图》(11G101)3、《建筑物抗震构造详图》11G329-14、《钢筋混凝土构造柱抗震节点详图》03G3635、《混凝土结构施工钢筋排布规则与构造详图》12G9016、《砌体墙结构构造》04G6127、《混凝土结构工程施工质量验收规范》(GB50204-2011)8、《钢筋机械连接通用技术规程》(JGJ107—207)9、《钢筋等强度剥肋滚扎直螺纹连接技术规程》(JGJJGJ-107-2010)10、《钢筋焊接及验收规程》JGJ18-2012二、工程概况1、工程名称:雪绒片区棚户区改造(皓顺·壹号院六期工程)2、工程地点:信都路以东,静庵路西侧、英华大街以南3、工程概况:本工程结构设计使用年限为50年。建筑抗震设防烈度为七度。建筑设计防火分类:为一类高层住宅,5#楼为地下2层,地上26层,标准层高2.9m,±0.000为绝对高程61.83m,建筑高度78.8m;5-7#商业楼为地下1层,地上2层;6#楼为地下2层,地上27层,标准层高2.9m,±0.000为绝对高程60.83m,建筑高度79.7m;耐火等级一级。4、建设单位:河北锦鹏房地产开发有限公司设计单位:悉地(北京)国际建筑设计顾问有限公司监理单位:河北中基华工程项目管理有限公司施工单位:湖北工业建筑总承包集团天华建筑工程公司2、设计概况筏板基础,车库为独立、条形基础、结构形式框架结构,其它住宅均为剪力墙结构。抗震设计等级为三级,抗震设防烈度7度。3、钢筋工程概况本工程钢筋级别采用HPB300、HRB400E、HRB500E。所用钢筋直径见下表,具体以各施工图为准。楼号部位钢筋规格、型号5-28#楼地下室筏型基础12,、14、16双层双向柱、墙6、8、10、12、14、16、18、20、22、25梁8、10、12、14、16、18、20、22、25顶板6、8、10、12、14、16主体结构柱、墙6、8、10、12、14、16、18、22、25梁8、10、12、14、16、18、20、22、25顶板6、8、10、12、14、车库独立基础防水板、筏板6、8、10、12、14、16、18、20、22、25梁、板HRB500E12、14、16、18、20、22、25、28、32三、钢筋连接方式本工程钢筋直径D<14采用绑扎连接,钢筋直径D≥14水平方向采用直螺纹连接,竖向连接为电渣压力焊连接,接头等级为二级。四、施工部署1、施工段划分因本工程楼号多,所以各楼号为单一施工段,各楼号基础施工以后浇带划分为两个施工流水段,地上结构施工时以伸缩缝为施工流水段划分为施工流水段,相邻车库基础施工时均施工至后浇带,待楼号结构完成后,再施工车库。2、人员安排项目部成立以项目技术负责人为核心的钢筋技术小组,技质量、生产、和材料部门人员,加强现场钢筋的质量和钢筋下料合理化的控制。3、施工条件钢筋加工场地布置:5#楼/6#各用一个加工场;五、施工总体安排1、施工准备(1)现场准备根据现场平面布置图,划分好钢筋加工区域,原料堆放区域,以及成品堆放区域,原则为合理布置场地,减少二次搬运。前期的准备工作为:钢筋原料堆场用灰砂砖砌筑30cm高,间距为3米的砖跺,顺砖跺方向放置100*100的方木,用以码放钢筋原材,防止钢筋锈蚀,。钢筋加工区域按规范现场需求搭设防护棚,防护棚用钢管架搭设,搭设高度为4米,并在钢筋加工区域附近用灰砂砖砌筑钢筋废料池。(2)技术准备工作组织项目钢筋工长和钢筋班组长熟悉图纸和钢筋规范、图集,加强与设计沟通,确保设计意图能准确无误的反映在现场施工中。钢筋工长按图纸要求进行钢筋提出钢筋料单,项目钢筋工长对料单进行审核,审核的控制要点为:钢筋的搭接和和锚固长度、钢筋的型号、数量、规格以及钢筋的下料长度是否满足设计和规范要求,关键是核对料单组合,确保钢筋的合理利用,减少钢筋的废料数量(3)测量准备准备工作根据平面控制网,在防水保护层上放出轴线和基础梁、墙、柱位置线以及筏板外边线,底板上层钢筋绑扎完成后工地测量人员必须组织测放墙、柱插筋位置线(每跨至少两点用红油漆标注)。顶板混凝土浇注完成。支设竖直模板前,在板上...

1、当您付费下载文档后,您只拥有了使用权限,并不意味着购买了版权,文档只能用于自身使用,不得用于其他商业用途(如 [转卖]进行直接盈利或[编辑后售卖]进行间接盈利)。
2、本站所有内容均由合作方或网友上传,本站不对文档的完整性、权威性及其观点立场正确性做任何保证或承诺!文档内容仅供研究参考,付费前请自行鉴别。
3、如文档内容存在违规,或者侵犯商业秘密、侵犯著作权等,请点击“违规举报”。

碎片内容

钢筋工程施工方案

确认删除?
VIP
微信客服
  • 扫码咨询
会员Q群
  • 会员专属群点击这里加入QQ群
客服邮箱
回到顶部