电脑桌面
添加小米粒文库到电脑桌面
安装后可以在桌面快捷访问

钢筋购销合同001VIP专享VIP免费

钢筋购销合同001_第1页
1/3
钢筋购销合同001_第2页
2/3
钢筋购销合同001_第3页
3/3
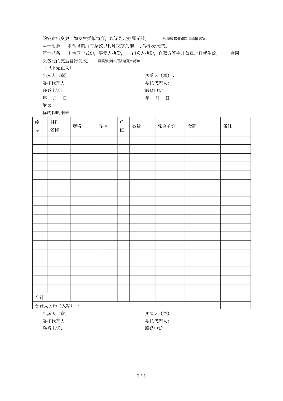
1/3钢筋购销合同合同编号:出卖人:签订日期:买受人:第一条标的物详见附表一,本合同只对本次后附的《标的物明细表》有效。本合同的标的物为种类物。第二条《标的物明细表》中的数量及金额为暂定数量及金额,不作为结算和付款的依据。本合同结算和付款的依据必须为进到施工现场的、符合买受人相关要求并经买受人施工现场验收人员(必要时邀请监理)共同签认的、经复试后的合格产品。不管何种原因,买受人对没有进到施工现场的标的物不承担结算、付款、违约、赔偿等责任。矚慫润厲钐瘗睞枥庑赖賃軔。第三条质量要求:出卖人所供产品必须符合国家质量标准,且为合格产品。第四条出卖人对其所交付的标的物,应保证没有侵犯第三人的所有权、使用权、著作权、商标权、专利权等其它合法权利,如因第三人根据法律规定向买受人主张任何权利和要求或有关国家行政机关对买受人进行行政处罚,由出卖人承担行政机关的罚款和民事赔偿责任,并向买受人支付合同款30%的违约金,违约金不足以赔偿买受人实际损失的,出卖人应赔偿买受人实际损失。聞創沟燴鐺險爱氇谴净祸測。第五条出卖人提供的随附资料:企业营业执照副本、供应资质证书(复印件),出厂日期、材质单。材质单必须与铁牌注明的炉批号对应。如果是代理商应提供授权证明,一式四份盖公章。提供的所有资料必须真实、合法、有效。残骛楼諍锩瀨濟溆塹籟婭骒。第六条标的物所有权自交付时起转移。出卖人供应到现场的产品必须与买受人选定的样品一致,否则买受人有权拒绝接收,由此造成的一切损失由出卖人承担。酽锕极額閉镇桧猪訣锥顧荭。第七条买受人在收到产品后,如对产品有异议,应在7日内向出卖人书面提出处理意见,出卖人应在1日内予以答复;如出卖人在1日内没有答复,视为自动认可买受人的处理意见。彈贸摄尔霁毙攬砖卤庑诒尔。第八条配送方式和费用负担:汽车运输。出卖人承担运输、吊车、装卸费用。后附的《标的物明细表》中的综合单价由部分组成:1、钢筋单价:买受人材料人员通知进货之日,经双方确认的《》当日网上价格;2、垫资费用:垫资30天加上买受人付款审批延展期10-20天,垫资费用为元/吨。3、运杂费:出卖人负责货物出库、上下车装卸、吊装,上述货物上下车装卸吊装费和运输费用等运杂费按元/吨计取。出卖人负责并承担物品在运输及装卸过程中因安全事故导致的一系列责任。謀荞抟箧飆鐸怼类蒋薔點鉍。后附的《标的物明细表》中的综合单价、金额已包含上述费用。《标的物明细表》中的综合单价及金额均为含税票价,出卖人提供正式发票。出卖人按照买受人的要求进行配送,分别码放到施工现场指定的位置。厦礴恳蹒骈時盡继價骚卺癩。第九条产品交货期限:于年月日送往买受人指定的施工现场。第十条验收方法、地点:现场验收。盘条、盘螺采取过磅(买受人提供电子磅),直螺纹、Ⅰ级直条采取检尺验货,同时过磅复核,但最终以检尺进行结算。出卖人必须提供该批盘条的磅单,否则买受人可以拒收。结算以现场双方签字认可的实收数量为准进行结算。正差、负差:如盘条、盘螺过磅出现正差(买受人复检过磅的重量以3‰为基数,大于出卖人出库磅单重量),以出卖人出库磅单数量为准。如盘条、盘螺过磅出现负差(即买受人复检过磅的重量以3‰为基数,小于出卖人出库磅单数量),以买受人复检过磅的重量为准。买受人约定的收料小票签字人为和;出卖人约定的收料小票签字人为。茕桢广鳓鯡选块网羈泪镀齐。第十一条结算方式:出卖人每月20日前或双方约定时间与买受人施工现场相关人员进行对帐签认,以现场复试合格的实收数量为准,否则,视为出卖人自动放弃对该月所供应货物2/3的结算权及相应债权。结算单必须经买受人负责人签字认可,否则无效。鹅娅尽損鹌惨歷茏鴛賴縈诘。第十二条付款方式及时间:支票支付。。第十三条违约责任:出卖人所出卖的钢材型号不符合合同约定的生产厂家所生产的钢材或以次充好,以不合格产品冒充合格产品的,买受人有权拒收货物,出卖人应在24小时内负责调换;因出卖人所供货物质量复试不合格,出卖人亦应在24小时内负责调换货物。籟丛妈羥为贍偾蛏练淨槠挞。出卖人出现本条第一款情形,其向买受人所交付的货...

1、当您付费下载文档后,您只拥有了使用权限,并不意味着购买了版权,文档只能用于自身使用,不得用于其他商业用途(如 [转卖]进行直接盈利或[编辑后售卖]进行间接盈利)。
2、本站所有内容均由合作方或网友上传,本站不对文档的完整性、权威性及其观点立场正确性做任何保证或承诺!文档内容仅供研究参考,付费前请自行鉴别。
3、如文档内容存在违规,或者侵犯商业秘密、侵犯著作权等,请点击“违规举报”。

碎片内容

钢筋购销合同001

确认删除?
VIP
微信客服
  • 扫码咨询
会员Q群
  • 会员专属群点击这里加入QQ群
客服邮箱
回到顶部