电脑桌面
添加小米粒文库到电脑桌面
安装后可以在桌面快捷访问

项目建议书经济效益分析VIP免费

项目建议书经济效益分析_第1页
1/8
项目建议书经济效益分析_第2页
2/8
项目建议书经济效益分析_第3页
3/8
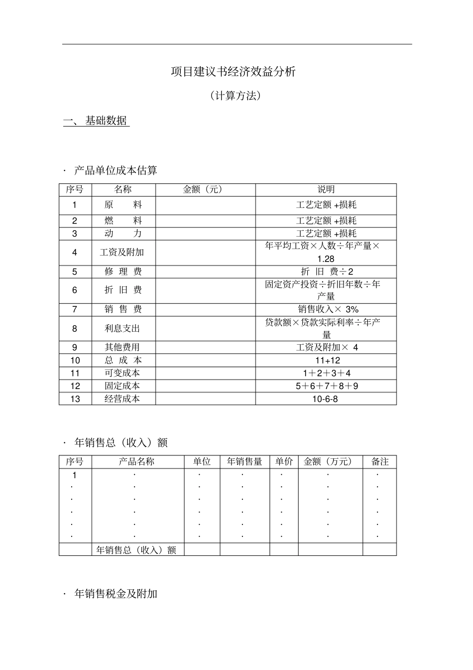
项目建议书经济效益分析(计算方法)一、基础数据·产品单位成本估算序号名称金额(元)说明1原料工艺定额+损耗2燃料工艺定额+损耗3动力工艺定额+损耗4工资及附加年平均工资×人数÷年产量×1.285修理费折旧费÷26折旧费固定资产投资÷折旧年数÷年产量7销售费销售收入×3%8利息支出贷款额×贷款实际利率÷年产量9其他费用工资及附加×410总成本11+1211可变成本1+2+3+412固定成本5+6+7+8+913经营成本10-6-8·年销售总(收入)额序号产品名称单位年销售量单价金额(万元)备注1·········································年销售总(收入)额·年销售税金及附加(年销售金额)×(当地综合税率)×(1+0.07+0.03)**青海省增值税综合税率(统计数字)为6.24%**青海省含附加的综合税率可取8%估算·年总成本(各种产品单位成本)×(各种产品年产量)之和序号产品名称单位成本(万元)年产量(吨)金额(万元)1产品甲2产品乙3···产品丙···年总成本·年利税总额(年毛利)(年销售总额)-(年总成本)·年所得税前利润(年利润总额)(年利税总额)-(年销售税金及附加)·年所得税额年所得税前利润×所得税税率(25%)本项各年计算数据应考虑青海省优惠政策(0%五年,15%五年)·年净利润(年所得税后利润)(年所得税前利润)-(年所得税额)·项目总人数按经验估算或用下式估算(相同工艺)项目甲人数/项目乙人数=(项目甲规模/项目乙规模)mm:劳动密集型产业0.5技术密集型产业0.3一般产业0.25—0.55·项目总投资(固定资产投资)+(流动资金)其中所求固定资产投资/已知固定资产投资=(所求固定资产规模/已知固定资产规模)m式中M扩大生产装置m=0.66增多生产线路m=0.80流动资金按年经营成本20%~30%·年工资及附加总额(人年平均工资)×(项目总人数)×(1+17%)·资本金(自有资金)≥(项目总投资)×30%二、财务指标·静态指标投资利润率=年利润总额∕项目总投资×100%投资利税率=年利税总额∕项目总投资×100%资本金利润率=年利润总额∕资本金×100%投资回收期(不含建设期)=项目总投资∕(年所得税后利润+年折旧)成本利润率=年利润总额∕年总成本×100%全员劳动生产率=年销售总收入∕项目总人数产值利润率=年所得税后利润∕产品销售总额×100%·动态指标动态指标一般有两个,即财务内部收益率(FIRR)和财务净现值(FNPV)这两种指标用手算方式极为不方便,特别是FIRR需要用试差计算,手算工作量大和计算人员业务水平要求高。在当今计算机很普及的条件下,我们在这里只介绍利用计算机常用办公软件中的Excel来计算这两个动态指标,具体计算方法见框图。Excel计算IRR方法:打开Excel点击“插入”点击IRR在下拉列表中点“财务”点击函数输入各年净现金流量在IRR表第一行输入全部年现金流量点击“确定”Excel计算NPV方法:打开Excel点击“插入”点击NPV在下拉列表中点“财务”输入行业基准收益率在NPV表第一行输入基准收益率点击“确定”输入各年财务净现金流量在IRR表第二行输入财务净现金流量·借款偿还能力初步分析:本项目计算以银行实际利率计算财务净现值。计算条件:项目经营期加建设期等于n年,银行实际利率i该计算结果≥0有偿还能力计算结果<0无偿还能力计算结果>>0偿还能力强计算公式:FNPV=(年净利润+年折旧)×[(1+i)n×i∕(1+i)n-1]附:中国商业银行现行贷款实际利息率(i)表[2007.12.21]单位:%贷款时间名义利率实际利率(i)1年5.475.705年以上6.126.26农村信用社的利率可以达银行的2.3倍实际利率(i)=(1+名义利率/4)4—1国家法律规定社会集资利率不得大于银行实际利率的3倍,大于银行利率3倍者为高利贷,这种利率不受国家法律保护。小工业电价0.396元小工业水价1.75元工业天然气价1.15元三金个人企业合计1养老保险基金8%20%28%2医疗保险基金2%6%8%3失业保险基金1%2%3%合计11%28%39%经验数据:年税金≈年销售金额×8%年增值税金≈年销售金额×6%固定资产投资额≈到厂设备总价×3.2流动资金≈年销售金额×(20%~25%)作者:张世知

1、当您付费下载文档后,您只拥有了使用权限,并不意味着购买了版权,文档只能用于自身使用,不得用于其他商业用途(如 [转卖]进行直接盈利或[编辑后售卖]进行间接盈利)。
2、本站所有内容均由合作方或网友上传,本站不对文档的完整性、权威性及其观点立场正确性做任何保证或承诺!文档内容仅供研究参考,付费前请自行鉴别。
3、如文档内容存在违规,或者侵犯商业秘密、侵犯著作权等,请点击“违规举报”。

碎片内容

项目建议书经济效益分析

确认删除?
VIP
微信客服
  • 扫码咨询
会员Q群
  • 会员专属群点击这里加入QQ群
客服邮箱
回到顶部