电脑桌面
添加小米粒文库到电脑桌面
安装后可以在桌面快捷访问

风机吊装专项施工方案VIP专享VIP免费

风机吊装专项施工方案_第1页
1/37
风机吊装专项施工方案_第2页
2/37
风机吊装专项施工方案_第3页
3/37
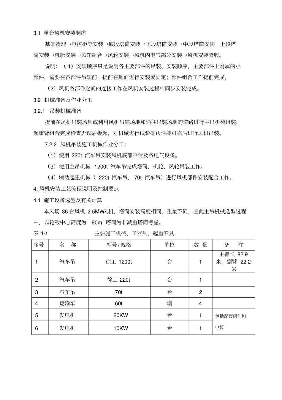
风机吊装专项施工方案1.工程概况1.1工程名称、设备介绍和施工地点华电山西盐湖石槽沟风电场有36台风力发电机组安装,机型为EN-110/2.5,塔筒高度为90m。施工地点:华电山西盐湖石槽沟风电场各风机吊装作业场。为确保安全、优质、高效地完成各风机吊装施工作业,保证设备和作业人员生命财产不受损失,并使风机安装全过程处于规范、受控状态,编制本专项施工方案,要求全体作业人员严格遵守并认真执行,在未征得编制人员书面同意的情况下,不允许随意修改作业方案。1.2主要工程量36台远景能源风机EN2.5风力发电机组所有部件卸车、存储看护,以及风机部件组合、吊装、安装工作。1.3工程特点主吊机械采用徐工1200t汽车吊,根据现场道路和机位,机械转场需一机一拆。由于机位间距离较远,风机安装过程中大转场情况不可避免。主吊机械具体安装拆除转场作业文件另行单独编制专项施工方案并组织实施。2.编制依据2.1华电山西盐湖石槽沟风电场工程《施工组织总设计》及图纸;2.2DL/T-5007-92《大型设备吊装工程施工工艺标准》;2.3DL796-2012《风力发电场安全规程》2.4GBT19568-2017《风力发电机组装配和安装规范》2.5DL/T-5191-2004《风力发电场项目建设工程验收规程》;2.6远景EN2.5风力发电机组安装手册;2.7DL5009.1-2014《电力建设安全工作规程》;2.8《中华人民共和国特种设备法》;2.9《中华人民共和国安全生产法》;2.10《徐工1200t汽车吊使用说明书》;2.11类似工程的施工经验、事故教训;3.施工计划及要求3.1单台风机安装顺序基础清理→电控柜等安装→底段塔筒安装→下段塔筒安装→中段塔筒安装→上段塔筒安装→机舱安装→风轮组合→风轮安装→风机内电气部分安装→风机安装验收。说明:(1)安装顺序只是说明各主要部件的吊装、安装顺序,主要部件上附属的小部件,需要在各部件吊装前,提前在地面进行安装或固定;部件组合工作提前完成。(2)风机各部件之间的连接工作在风机安装过程中同步安装完成。3.2机械准备及作业分工3.2.1吊装机械准备提前在风机吊装场地或利用风机吊装场地和通往吊装场地的道路进行主吊机械组装,起重臂组合完成检查无误后扳起,对机械进行试验确认性能可靠后进行风机吊装。7.2.2风机吊装施工机械作业分工:(1)使用220t汽车吊安装风机底部平台及各电气设备。(3)使用主吊机械1200t汽车吊完成塔筒、机舱、风轮吊装工作。(4)辅助起重机械(220t汽车吊、70t汽车吊)进行风机部件安装配合工作。4.风机安装工艺流程说明及控制要点4.1施工设备选型及有关计算本风场36台风机2.5MW风机,塔筒安装高度相同,重量不同,因此主吊机械选型过程中,以轮毂中心高度为90m,塔筒为非减重塔筒考虑。表4-1主要施工机械、工器具、起重索具序号名称型号/规格单位数量备注1汽车吊徐工1200t台1主臂长82.9米,副臂22.2米2汽车吊徐工220t台13汽车吊70t台24运输车60t辆45发电机20KW台1包括配套组件和电缆6发电机10KW台1表4-2主吊机械1200汽车吊起重性能表4-3徐工QAY220汽车吊起重性能表表4-4徐工70t汽车吊起重性能表4.2施工方法及技术措施4.2.1施工前准备4.2.1.1风机基础、吊装平台验收监理组织总包、风机厂家、风机基础及接地施工单位对风机基础及接地电阻依据相关技术要求进行验收。4.2.1.2基础验收完毕,填写基础施工工序移交单,相关人员签字认可后各相关单位保存。风机安装施工在接收到基础施工工序移交单后方可开始进行。4.2.1.3检查吊装平台符合以下要求:(1)按照风机安装施工场地布置图平整好吊装作业场,且需保证四周没有明显障碍物,保证风机吊装场地大小、平整度符合施工需求;(2)风机吊装平台应坚实,符合主吊机械地耐力要求。(3)风机安装施工平台要尽早进行验收,以便不合格处提前处理,避免场地不合格影响风机设备卸货及风机安装施工。(4)风机安装作业时超出风机吊装平台的场地,应提前告知总包,以便总包提前同当地政府协商好,避免因擅自占用场地而导致村民阻工等问题。4.2.1.4风机设备准备机组所有部件准备就绪,如吊装场地允许,能够将设备放置在吊装作业场,则将设备提前放置在吊装作业场;如场地不能将该机位所有设备放置下,则先将占用场地小的设...

1、当您付费下载文档后,您只拥有了使用权限,并不意味着购买了版权,文档只能用于自身使用,不得用于其他商业用途(如 [转卖]进行直接盈利或[编辑后售卖]进行间接盈利)。
2、本站所有内容均由合作方或网友上传,本站不对文档的完整性、权威性及其观点立场正确性做任何保证或承诺!文档内容仅供研究参考,付费前请自行鉴别。
3、如文档内容存在违规,或者侵犯商业秘密、侵犯著作权等,请点击“违规举报”。

碎片内容

风机吊装专项施工方案

确认删除?
VIP
微信客服
  • 扫码咨询
会员Q群
  • 会员专属群点击这里加入QQ群
客服邮箱
回到顶部