电脑桌面
添加小米粒文库到电脑桌面
安装后可以在桌面快捷访问

八年级物理上学期期中考试卷VIP免费

八年级物理上学期期中考试卷_第1页
1/4
八年级物理上学期期中考试卷_第2页
2/4
八年级物理上学期期中考试卷_第3页
3/4
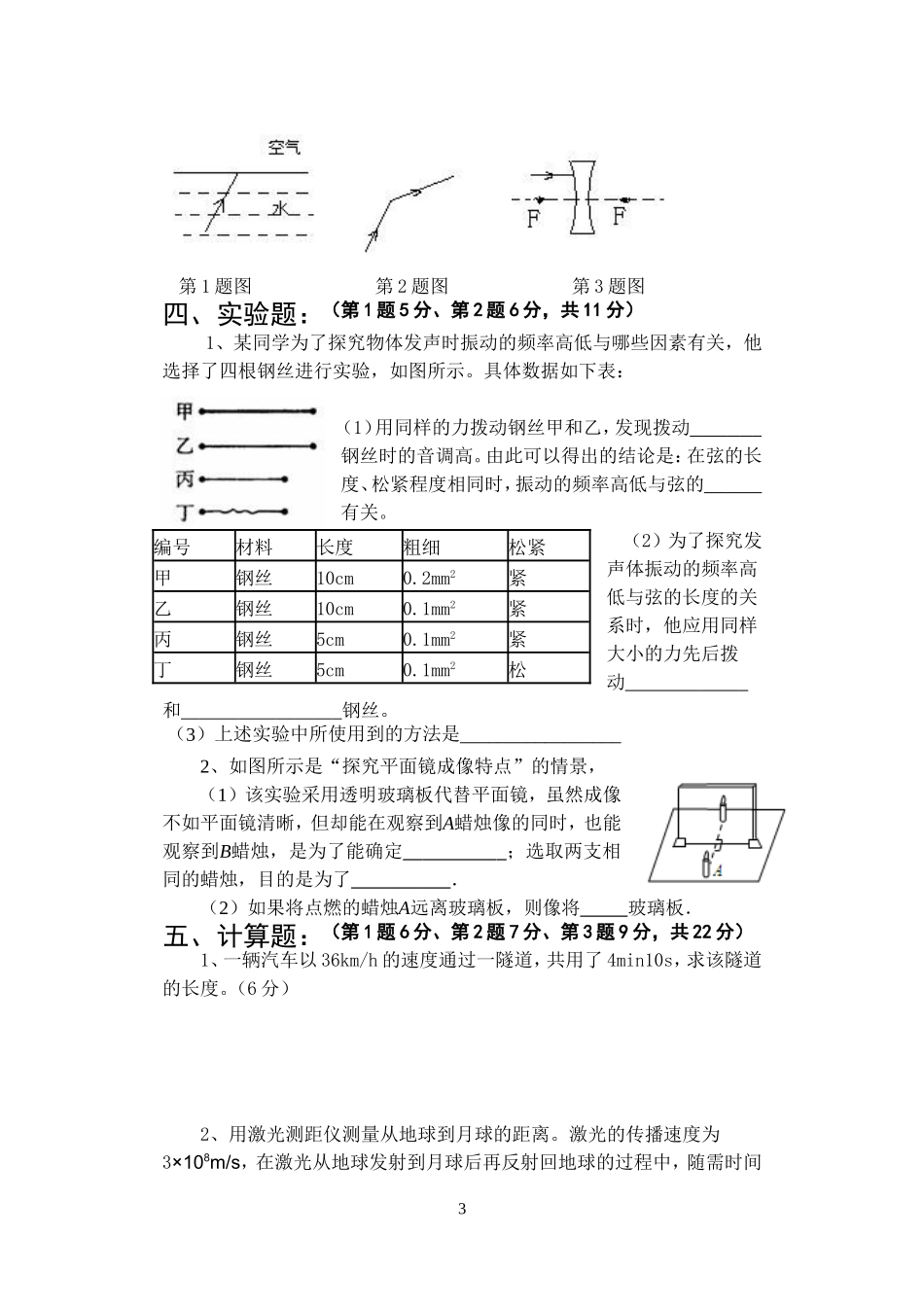
1鹤壁市第五中学八年级上期期中测试卷物理一、填空:(每空1分,共25分)1、声是由物体的产生的,声的传播需要。2、声速跟介质的种类有关,还跟介质的有关,15℃时空气中的声速是m/s。3、声音三个特性为、、。音调的高低由发声体的决定,响度是由声源的决定的。4、控制噪声要从、、三个方面入手。5、蝴蝶的翅膀每秒钟振动五、六次,它所发出的声音低于20Hz,为__波,而海豚能能发出振动频率高于20000Hz的声音,为波。上述两种频率的声音,人耳听见(“都能”或“都不能”)。6、如图刻度尺的分度值为:物体的长度为:mm。7、“太阳躲进了云里”是以为参照物;正在驶离站台的火车,车厢里的乘客相对于是运动的。8、作匀速度直线运动的物体在5s内前进了10m,速度为:,如果前进120m,需要s。9、要能分辨回声和原声,时间差至少要大于,要能区别自己拍手声和高墙反射的回声,你离高墙至少m。10、给下面的数据填上适当的单位:(1)人手臂的长度大约为6.5____;(2)万里长城长度约6700____。二、选择:(每题3分,共30分)题号12345678910答案1、关于误差与错误,下列说法正确的是:()A、误差只能减小,不能绝对避免B、使用精密仪器可以避免误差C、认真进行测量,正确使用测量工具,可以避免误差D、误差就是测量中不慎产生的错误2、行驶着的汽车里坐关乘客,看到公路两旁的树木迅速向后退,他所选择的参照物是:()A、树木B、地面C、乘客的汽车D、天空中的云3、站台上停着甲乙两列火车,当甲车上的人发现乙车动了,下列说法2在最准确的是:()A、甲车开始开动B、甲乙两车开始向相反的方向开动C、乙车开始开动D、上述情况都有可能4、在工厂里工人给声源加垫或罩,是为了:()A、人身安全B、在传播过程中减弱噪声C、在声源处减弱噪声D、在人耳处减弱噪声5、蝴蝶在飞行时不停地扇动翅膀,但我们不能听到蝴蝶飞行的声音,这是因为()A.人耳有故障B.翅膀振动发出的声波响度不够大C.翅膀振动不产生声波D.翅膀振动的频率比较小6、能说明“液体可以传播声音”的事例是()A.我们听到雨滴打在雨伞上的“嗒嗒”声B.我们听到树枝上小鸟的“唧唧”声C.将要上钩的与被岸边的说话声吓跑D.人在小溪边听到“哗哗”的流水声7、正在拉二胡的同学不断用手指去控制琴弦,这样做的目的是()A.使二胡发出不同的音调B.为了获得更好的音色C.为了获得更大的响度D.阻止琴弦振动发声8、物体在平面镜中所成的像的大小取决于()A.镜面的大小B.观察者的位置C.物体的大小D.物体与镜面的距离9、潜入游泳池水中的运动员仰头看体育馆墙壁上的灯,他看到的灯的位置()A.比实际位置高B.比实际位置低C.与实际位置一样高D.条件不足无法判断10、有一台光电控制液面高度的仪器,它通过光束射在液面上的反射光线打到电光屏(能将光信号转化为电信号进行处理)上来显示液面的高度,然后通过装置调节液面的高度。如图,所示的光路图,电光屏上的光点由s1移到s2时,表示液面的高度()了A.上升B.下降C.不变D.不确定三、作图:(每题4分,共12分)1、作出折射光线;2、根据光路作出平面镜放置的位置;3、作出光线穿过凹透镜后的路径。(注意:保留作图痕迹)3第1题图第2题图第3题图四、实验题:(第1题5分、第2题6分,共11分)1、某同学为了探究物体发声时振动的频率高低与哪些因素有关,他选择了四根钢丝进行实验,如图所示。具体数据如下表:(1)用同样的力拨动钢丝甲和乙,发现拨动钢丝时的音调高。由此可以得出的结论是:在弦的长度、松紧程度相同时,振动的频率高低与弦的有关。(2)为了探究发声体振动的频率高低与弦的长度的关系时,他应用同样大小的力先后拨动和钢丝。(3)上述实验中所使用到的方法是_________________2、如图所示是“探究平面镜成像特点”的情景,(1)该实验采用透明玻璃板代替平面镜,虽然成像不如平面镜清晰,但却能在观察到A蜡烛像的同时,也能观察到B蜡烛,是为了能确定;选取两支相同的蜡烛,目的是为了.(2)如果将点燃的蜡烛A远离玻璃板,则像将玻璃板.五、计算题:(第1题6分、第2题7分、第3题9分,共22分)1、一辆汽车以36km/h的速度通过一隧道,共用了4min10s,求该隧道的长度。(6...

1、当您付费下载文档后,您只拥有了使用权限,并不意味着购买了版权,文档只能用于自身使用,不得用于其他商业用途(如 [转卖]进行直接盈利或[编辑后售卖]进行间接盈利)。
2、本站所有内容均由合作方或网友上传,本站不对文档的完整性、权威性及其观点立场正确性做任何保证或承诺!文档内容仅供研究参考,付费前请自行鉴别。
3、如文档内容存在违规,或者侵犯商业秘密、侵犯著作权等,请点击“违规举报”。

碎片内容

八年级物理上学期期中考试卷

您可能关注的文档

精品文库+ 关注
实名认证
内容提供者

中小学课件教案小学资料大全

确认删除?
VIP
微信客服
  • 扫码咨询
会员Q群
  • 会员专属群点击这里加入QQ群
客服邮箱
回到顶部