电脑桌面
添加小米粒文库到电脑桌面
安装后可以在桌面快捷访问

电源线改造施工方案VIP免费

电源线改造施工方案_第1页
1/14
电源线改造施工方案_第2页
2/14
电源线改造施工方案_第3页
3/14
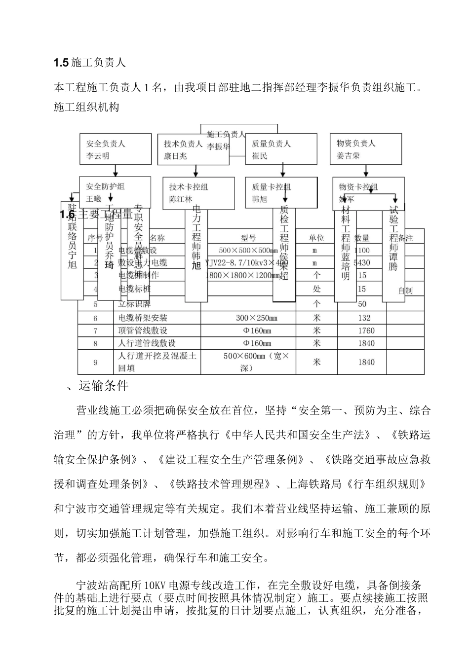
宁波站高配所10KV电源专线改造工程临近既有线施工方案一、施工目的1.1编制依据1.1.1《关于宁波站改建工程初步设计的批复(铁鉴函〔2009〕1695号)》、《宁波市人民政府专题会议纪要〔2012〕49号》关于铁路宁波站315电源专线澄波街改造路段施工协调会议纪要1.1.2《铁路电力工程施工技术指南》、《铁路电力工程施工质量验收标准》。1.1.3《上海铁路局营业线施工安全管理实施细则(SHG/YS118-2012)》、铁办[2008]190号《铁路营业线施工安全管理办法》、铁[2010]51号关于公布《铁路营业线施工安全管理补充办法》、上铁运发〔2008〕316号《上海铁路局营业线施工安全管理细则》、上海铁路局《行车组织规则》、《铁路技术管理规程》。1.2工程概况宁波站设备容量增大及既有10KV高配所电源专线线路径复杂不利于线路安全与维护,为保证宁波站用电需求及后期线路安全维护,根据铁四院设计和宁波铁路枢纽建设指挥部要求,现需将原10KV配电所315架空线进行改造。新改造线路从西郊变电所引出,沿着澄波街敷设至胜丰村铁路边,再沿着铁路电缆沟敷设至宁波站20/10kv配电所。临近既有线施工线路总长2.8公里,宁波市区施工线路总长1.76公里。由于澄波街没有剩余管线使用,经宁波市规划局规划设计沿澄波街人行道上敷设两根管线,以便于电缆敷设。澄波街路段沿途经过机场路、后袁河、双杨河、丽园北路、黄家河、环城西路胜丰村等路口。营业线影响范围里程为K311+030〜K313+553。在里程k311+030进入铁路营业线范围,沿着铁路上行护栏网外侧往宁波站方向敷设电缆槽和电缆。电缆到k311+900处过轨(过轨管线已敷设)至铁路下行护栏网外侧,沿着已经修好的电缆槽至k313+150处过轨(过轨管线已敷设)至铁路上行侧,沿着站场电缆沟至宁波站20/10KV配电所。1.3施工时间和地点宁波市市区澄波街路段管线敷设计划开工时间2012年10月26日,竣工时间2012年11月20日。临近营业线电缆槽敷设计划2012年11月21日,竣工时间2012年12月10日竣工。电缆敷设及倒接计划开工时间2012年12月11日,竣工时间2012年12月31日。1.4施工目标1.4.1工期目标1澄波街段机场路路口至胜丰村铁路边管线敷设及恢复施工期为2012年10月26日至2012年11月20日,时长23日2临近营业线电缆槽道敷设(k311+030〜k311+900)施工工期为2012年11月21日至2012年12月10日竣工,时长20日3电缆敷设、接续、倒接施工工期为2012年12月11日至2012年12月31日,时长21日1.4.2质量目标确保本工程质量标准达到国家施工验收规范和铁道部部颁验收标准,单位工程一次合格率100%。1.4.3安全目标:杜绝一切路公路和铁路交通事故。1.5施工负责人本工程施工负责人1名,由我项目部驻地二指挥部经理李振华负责组织施工。施工组织机构、运输条件营业线施工必须把确保安全放在首位,坚持“安全第一、预防为主、综合治理”的方针,我单位将严格执行《中华人民共和国安全生产法》、《铁路运输安全保护条例》、《建设工程安全生产管理条例》、《铁路交通事故应急救援和调查处理条例》、《铁路技术管理规程》、上海铁路局《行车组织规则》和宁波市交通管理规定等有关规定。我们本着营业线坚持运输、施工兼顾的原则,切实加强施工计划管理,加强施工组织。对影响行车和施工安全的每个环节,都必须强化管理,确保行车和施工安全。宁波站高配所10KV电源专线改造工作,在完全敷设好电缆,具备倒接条件的基础上进行要点(要点时间按照具体情况制定)施工。要点续接施工按照批复的施工计划提出申请,按批复的日计划要点施工,认真组织,充分准备,在规定的时间内完成作业。影响范围影响铁路萧甬线k311+030〜k313+553三、施工准备3.1施工车辆配置本次施工配置工程指挥车1辆,货车1辆,50吨吊车一辆。3.2车辆管理施工中所配置的车辆主要是接送现场施工人员,运送设备材料到现场。所有车辆司机均有有效、合法的行车证件,施工机动车辆在市区道路上运行,必须严格遵守公安部《道路安全管理条例》,遵守政府和交通部门的管理规定,遵守交通秩序,保证交通安全。3.3施工器械准备采用满足施工需要、组合匹配的原则配置设备和检测仪器,做到均衡生产,形成高效率的综合生产能力。为确保本工程质量创优应...

1、当您付费下载文档后,您只拥有了使用权限,并不意味着购买了版权,文档只能用于自身使用,不得用于其他商业用途(如 [转卖]进行直接盈利或[编辑后售卖]进行间接盈利)。
2、本站所有内容均由合作方或网友上传,本站不对文档的完整性、权威性及其观点立场正确性做任何保证或承诺!文档内容仅供研究参考,付费前请自行鉴别。
3、如文档内容存在违规,或者侵犯商业秘密、侵犯著作权等,请点击“违规举报”。

碎片内容

电源线改造施工方案

确认删除?
VIP
微信客服
  • 扫码咨询
会员Q群
  • 会员专属群点击这里加入QQ群
客服邮箱
回到顶部