电脑桌面
添加小米粒文库到电脑桌面
安装后可以在桌面快捷访问

混凝土搅拌记录VIP免费

混凝土搅拌记录_第1页
1/20
混凝土搅拌记录_第2页
2/20
混凝土搅拌记录_第3页
3/20
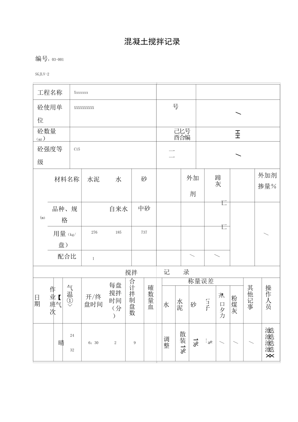
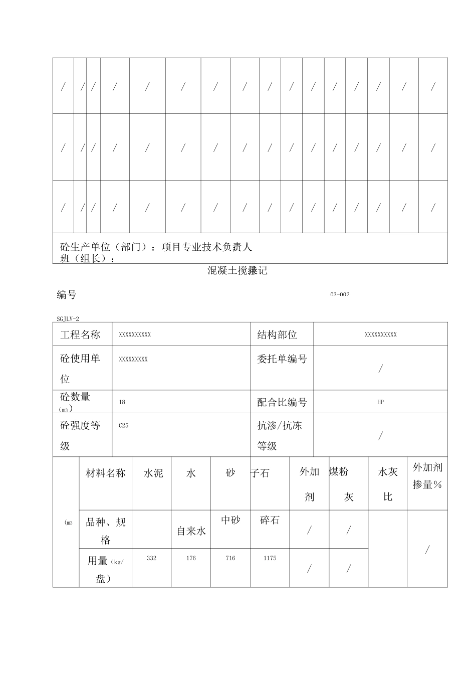
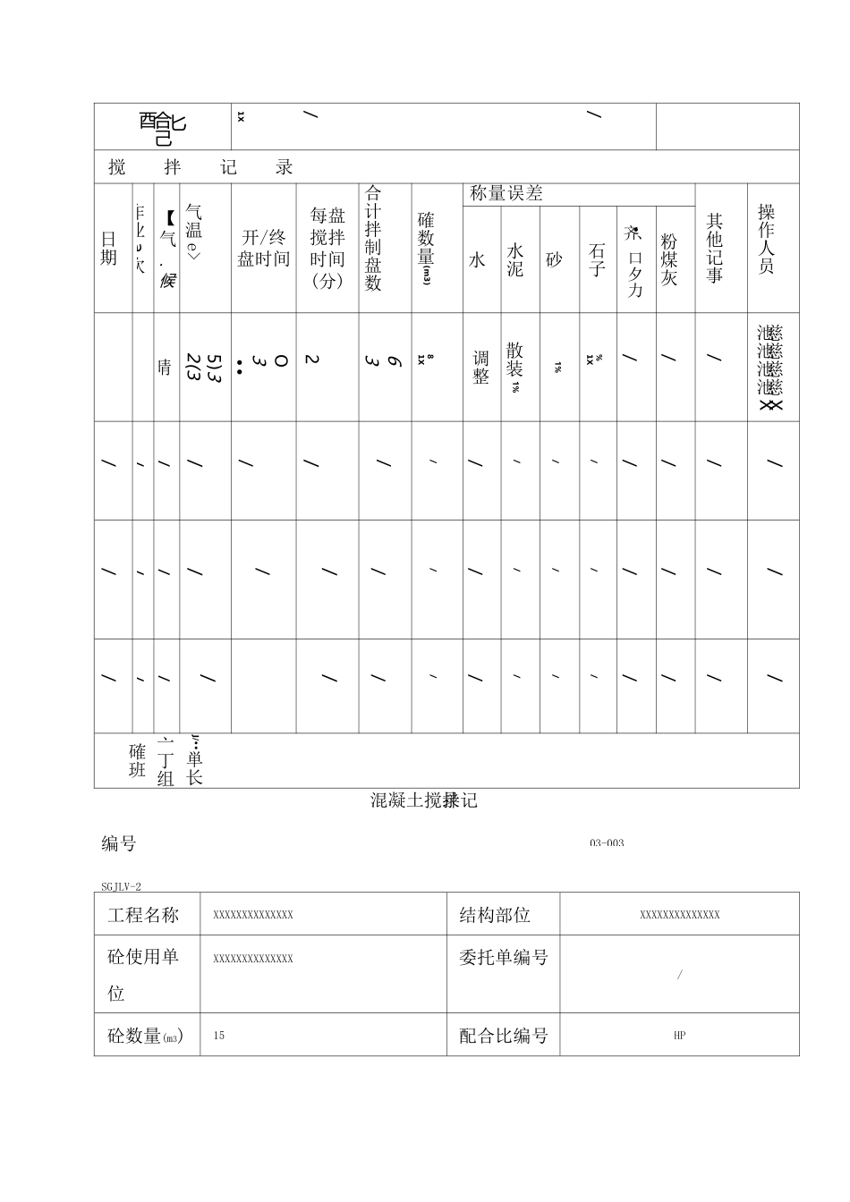
混凝土搅拌记录编号:03-001SGJLV-2工程名称Xxxxxxx砼使用单位XXXXXXXXXX砼数量(m3)砼强度等级C15(m3材料名称水泥水砂品种、规格自来水中砂用量(kg/盘)276185737配合比1搅拌日期作业班次【气气温①>开/终盘时间每盘搅拌时间(分)合计拌制盘数確数量血晴24326:3029号/号编匕合己酉HH一一/外加剂蹄灰外加剂掺量%匸/匸//录记差误量称其他记事操作人员水水泥砂石子•、口夕力齐粉煤灰调整散装1%1%%1X///迭迭迭迭X池池池池X03-002////////////////////////////////////////////////砼生产单位(部门):项目专业技术负责人:班(组长):混凝土搅拌记录编号SGJLV-2工程名称XXXXXXXXXX结构部位XXXXXXXXXX砼使用单位XXXXXXXXX委托单编号/砼数量(m3)18配合比编号HP砼强度等级C25抗渗/抗冻等级/(m3材料名称水泥水砂石子外加剂粉煤灰水灰比外加剂掺量%品种、规格自来水中砂碎石///用量(kg/盘)3321767161175//03-003r匕合己酉1X//录记拌搅日期作业a次【气.候气温e>开/终盘时间每盘搅拌时间(分)合计拌制盘数確数量(m3)差误量称其他记事操作人员水水泥砂石子•、口夕力齐粉煤灰晴5)32(3O3••26381X调整散装1%1%%1X///慈慈慈慈X池池池池X///////////////////////////////////////////////J/••単长亠丁组確班混凝土搅拌记录编号SGJLV-2工程名称XXXXXXXXXXXXXX结构部位XXXXXXXXXXXXXX砼使用单位XXXXXXXXXXXXXX委托单编号/砼数量(m3)15配合比编号HP等度强確级5/3施工配合比(m>LJ外加剂務灰外加剂掺量%c自来水厂/量盘二匕合己酉1x//录记拌搅日期作业a次【气.候气温e>开/终盘时间每盘搅拌时间(分)合计拌制盘数確数量(m3)差误量称其他记事操作人员水水泥砂石子•、口夕力齐粉煤灰晴6)32(3o3••2O351X调整散装1%1%%1—1///慈慈慈慈X池池池池X////////////////////////////////////////////////J/••単长亠丁组確班SGJLV-2混凝土搅拌记录03-004工程名称XXXXXXXXXXXXXX砼使用单位XXXXXXXXXXXXXX砼数量(m3)砼强度等级C15(m3材料名称水泥水砂品种、规格自来水中砂用量(kg/盘)276185737配合比1搅拌日期作业班次【气气温①>开/终盘时间每盘搅拌时间(分)合计拌制盘数確数量血晴25327:30210号/号编匕合己酉HH一一/外加剂蹄灰外加剂掺量%匸/匸//录记差误量称其他记事操作人员水水泥砂石子•、口夕力齐粉煤灰调整散装1%1%%1X///迭迭迭迭X池池池池X////////////////////////////////////////////////砼生产单位(部门):项目专业技术负责人:班(组长):混凝土搅拌记录编号:03-005SGJLV-2工程名称XXXXXXXXXXXXXX结构部位XXXXXXXXXXXXXX砼使用单位XXXXXXXXXXXXXX委托单编号/砼数量(m3)配合比编号HP砼强度等级C30抗渗/抗冻等级/(m3材料名称水泥水砂石子外加剂粉煤灰水灰比外加剂掺量%品种、规格自来水中砂碎石减水剂粉煤灰/g/)量盘用匸匕合己酉1X//录记拌搅日期作业a次【气.候气温e>开/终盘时间每盘搅拌时间(分)合计拌制盘数確数量(m3)差误量称其他记事操作人员水水泥砂石子•、口夕力齐粉煤灰晴6)52(3OO••2021X调整散装1%1%%1—1///慈慈慈慈X池池池池X///////////////////////////////////////////////J/••単长亠丁组確班混凝土搅拌记录编号:03-006SGJLV-2工程名称XXXXXXXXXXXXXX结构部位XXXXXXXXXXXXXX位号/号编匕合己酉HH等度强確级51X/3施工配合比(m>外加剂煤尺粉灰外加剂掺量%C自来水r匸/量盘kJ匚匕合己酉1X//录记拌搅日期作业a次【气.候气温e>开/终盘时间每盘搅拌时间(分)合计拌制盘数確数量(m3)差误量称其他记事操作人员水水泥砂石子•、口夕力齐粉煤灰晴5)22(3OO••27调整散装1%1%%1X///迭迭迭迭X池池池池X////////////////////////////////////////////////砼生产单位(部门):项目专业技术负责人:班(组长):混凝土搅拌记录编号:03-007工程名称XXXXXXXXXXXXXX结构部位XXXXXXXXXXXXXX砼使用单位XXXXXXXXXXXXXX委托单编号/砼数量(m3)配合比编号HP砼强度等级C15抗渗/抗冻等级/(m3材料名称水泥水砂石子外加剂粉煤灰水灰比外加剂掺量%品种、规格自来水中砂碎石///用量(kg/盘)2761857371202//配合比1//搅拌记录SGJLV-2称量误差作业气班候次气温(°C)开/终...

1、当您付费下载文档后,您只拥有了使用权限,并不意味着购买了版权,文档只能用于自身使用,不得用于其他商业用途(如 [转卖]进行直接盈利或[编辑后售卖]进行间接盈利)。
2、本站所有内容均由合作方或网友上传,本站不对文档的完整性、权威性及其观点立场正确性做任何保证或承诺!文档内容仅供研究参考,付费前请自行鉴别。
3、如文档内容存在违规,或者侵犯商业秘密、侵犯著作权等,请点击“违规举报”。

碎片内容

混凝土搅拌记录

您可能关注的文档

确认删除?
VIP
微信客服
  • 扫码咨询
会员Q群
  • 会员专属群点击这里加入QQ群
客服邮箱
回到顶部