电脑桌面
添加小米粒文库到电脑桌面
安装后可以在桌面快捷访问

水磨地面技术交底VIP免费

水磨地面技术交底_第1页
1/7
水磨地面技术交底_第2页
2/7
水磨地面技术交底_第3页
3/7
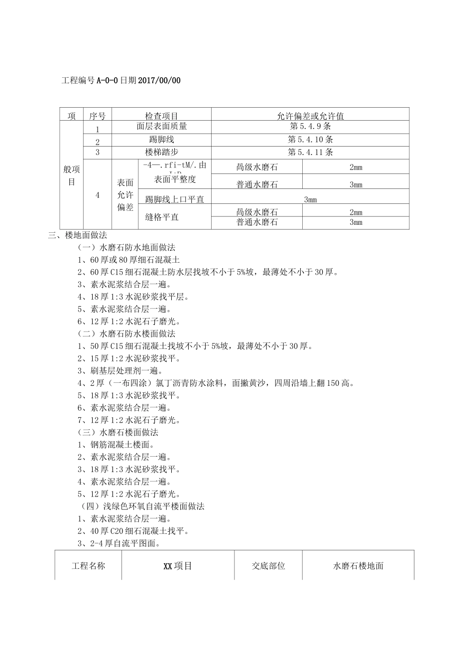
工程名称XX项目交底部位水磨石楼地面工程编号A-0-0日期2017/00/00交底内容:一、施工准备(一)作业条件1、顶棚、墙面抹灰已完成,并已验收,屋面已做完防水层。墙面已弹好+0.5m水平控制线。2、安装好门框并加防护,与地面有关的水、电、气管线已安装就位,穿过地面的管洞已堵严、堵实。3、做完地面垫层,按标高留出磨石层厚度(至少3mm)。4、石粒应分别过筛,并洗净无杂物。(二)材料要求1、水泥:白色或浅色的水磨石面层,应采用白水泥;深色的水磨石面层,宜采用含碱量达到国家要求的硅酸盐水泥,普通硅酸盐水泥或矿渣硅酸盐水泥,其强度不应小于42.5级,同颜色的面层,应使用同一批水泥。2、矿物颜料:水泥中掺人的颜料应采用耐光、耐喊的矿物颜料,其掺入量宜为水泥用量的3%〜6%,或由试验确定,同一彩色面层,应使用同厂同批的颜料。3、石粒:应采用坚硬可磨的白云石、大理石等岩石加工而成,石粒应洁净无杂物,其粒径除特殊要求外,宜为4〜14mm。4、分格条:(1)玻璃条:平板普通玻璃裁制而成,3mm厚,一般10mm宽(根据面层厚度而定),长度依分块尺寸而定。(2)铜条:l〜2mm厚铜板裁成10mm宽(根据面层厚度而定),长度以分块尺寸而定。用前必须调直调平。5、砂:中砂,过8mm孔径的筛子,含泥量不得大于3%。6、草酸:块状、粉状均可,用前用清水稀释。(三)施工机具大小水磨石机和手提式磨石机、滚筒(直径一般200〜250mm,长约600〜700mm,混凝土或铁制)、木抹子、毛刷子、铁簸箕、靠尺、手推车、平锹、5mm孔径的筛子、磨石(规格按粗、中、细)、胶皮水管、大小水桶、扫帚、钢丝刷、铁錾子等。二、质量要求质量要求符合《建筑地面工程施工质量验收规范》(GB50209-2002)的规定。项序号检查项目允许偏差或允许值主控项目1材料质量第5.4.6条2拌合料体积比(水泥:石粒)1:1.5〜1:2.53面层与下一层结合牢固,无空鼓、无裂纹工程名称XX项目交底部位水磨石楼地面工程编号A-0-0日期2017/00/00项序号检查项目允许偏差或允许值般项目1面层表面质量第5.4.9条2踢脚线第5.4.10条3楼梯踏步第5.4.11条4表面允许偏差-4—.rfi-tM/.由I+P咼级水磨石2mm表面平整度普通水磨石3mm踢脚线上口平直3mm缝格平直咼级水磨石2mm普通水磨石3mm三、楼地面做法(一)水磨石防水地面做法1、60厚或80厚细石混凝土2、60厚C15细石混凝土防水层找坡不小于5%坡,最薄处不小于30厚。3、素水泥浆结合层一遍。4、18厚1:3水泥砂浆找平层。5、素水泥浆结合层一遍。6、12厚1:2水泥石子磨光。(二)水磨石防水楼面做法1、50厚C15细石混凝土找坡不小于5%坡,最薄处不小于30厚。2、15厚1:2水泥砂浆找平。3、刷基层处理剂一遍。4、2厚(一布四涂)氯丁沥青防水涂料,面撇黄沙,四周沿墙上翻150高。5、18厚1:3水泥砂浆找平。6、素水泥浆结合层一遍。7、12厚1:2水泥石子磨光。(三)水磨石楼面做法1、钢筋混凝土楼面。2、素水泥浆结合层一遍。3、18厚1:3水泥砂浆找平。4、素水泥浆结合层一遍。5、12厚1:2水泥石子磨光。(四)浅绿色环氧自流平楼面做法1、素水泥浆结合层一遍。2、40厚C20细石混凝土找平。3、2-4厚自流平图面。工程名称XX项目交底部位水磨石楼地面工程编号A-0-0日期2017/00/00四、工艺流程基层处理一找标高一弹水平线一铺抹找平层砂浆一养护一弹分格线一镶分格条一拌制水磨石拌合料一涂水泥浆结合层一铺水磨石拌合料一滚压抹平一试磨一粗磨一细磨一磨光一草酸清洗一打蜡上光五、操作工艺(一)基层处理将混凝土基层上的杂物清除,不得有油污、浮土,用钢錾子和钢丝刷将沾在基层上的水泥浆皮錾掉铲净。(二)找标高弹水平线根据墙面上的+0.5m水平控制线,往下量测出磨石面层的标高,弹在四周的墙上,并考虑其他房间和通道面层的标高,相邻同高程的部位注意交圈。(三)抹找平层砂浆1、根据墙上弹出的水平线,留出面层厚度(约10〜15mm厚),抹1:3水泥砂浆结合层,为了保证找平层的平整度,先抹灰饼(纵横方向间距1.5m左右),大小约8〜10cm。2、灰饼砂浆硬结后,以灰饼咼度为标准,抹宽度为8〜10cm的纵横标筋。3、在基层上洒水润湿,刷一道水次比0.4〜0.5的水泥浆,随刷浆随铺1:3找平层砂浆,并用2m长刮...

1、当您付费下载文档后,您只拥有了使用权限,并不意味着购买了版权,文档只能用于自身使用,不得用于其他商业用途(如 [转卖]进行直接盈利或[编辑后售卖]进行间接盈利)。
2、本站所有内容均由合作方或网友上传,本站不对文档的完整性、权威性及其观点立场正确性做任何保证或承诺!文档内容仅供研究参考,付费前请自行鉴别。
3、如文档内容存在违规,或者侵犯商业秘密、侵犯著作权等,请点击“违规举报”。

碎片内容

水磨地面技术交底

您可能关注的文档

确认删除?
VIP
微信客服
  • 扫码咨询
会员Q群
  • 会员专属群点击这里加入QQ群
客服邮箱
回到顶部