电脑桌面
添加小米粒文库到电脑桌面
安装后可以在桌面快捷访问

机械制造基础VIP免费

机械制造基础_第1页
1/7
机械制造基础_第2页
2/7
机械制造基础_第3页
3/7
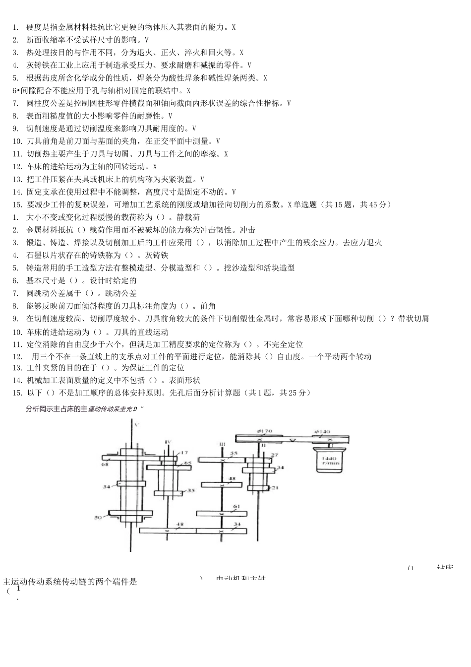
2416机械制造基础-0001判断题(共15题,共30分)1.强度越高,塑性变形抗力越大,硬度值也越高。V2.冲击韧性值愈大,材料的韧性愈好。V3.回火的目的主要是消除应力,降低硬度,便于切削加工。X4.碳素工具钢含碳量为0.65%~1.35%。V5.用直流电流焊接时,焊件接正极,焊条接负极,称为正接。V6.基本偏差是用来确定公差带大小的。X7.公差通常为正,在个别情况下也可以为负。X8.表面粗糙度对配合没有影响。X9.切削层是指由切削部分的一个单一动作(或指切削部分切过工件的一个单程,或指只产生一圈过渡表面的动作)所切除的工件材料层。V10.刀具主偏角是主切削平面与假定工作平面间的夹角,即主切削刃在基面的投影与进给方向的夹角。V11.硬质合金的允许切削速度低于高速工具钢。X12.特种加工中工具的硬度可以低于被加工材料的硬度。V13.专为某一种工件的某道工序的加工而设计制造的夹具,称为组合夹具。X14.辅助支承不起定位作用。V15.加工高精度表面时所用的定位基准称为精基准。X单选题(共15题,共45分)1.根据拉伸实验过程中拉伸实验力和伸长量关系,画出的力——伸长曲线(拉伸图)可以确定出金属的()。强度和塑性2.金属疲劳的判断依据是()。疲劳强度3.在生产中,用来消除过共析钢中的网状渗碳体最常用的热处理工艺是()。正火4.下列不属于优质碳素结构钢的牌号为()。T75.板料冲压时()。不需加热6.对于基本偏差代号为JS的孔的公差带,下列论述中,正确的有()。基本偏差可以是上偏差或下偏差7.倾斜度公差属于()。定向公差8.切断刀在从工件外表向工件旋转中心逐渐切断时,其工作后角()。逐渐减小9.对工件已加工表面质量影响最大的是()。第3变形区10.以工件旋转作为主运动的机床是()。车床11.在三维空间用合理分布的六个支承点制约物体的六个自由度我们称之为()。六点定位原理12.在车床上加工轴,用三爪卡盘安装工件,相对夹持较长,它的定位是()。四点定位13.造成定位误差的原因是()。基准不重合误差与基准位移误差14.车床主轴轴颈和锥孔的同轴度要求很高,因此常采用()方法来保证。互为基准15.一个(或一组)工人在一个工作地,对一个(或同时加工几个)工件所连续完成的那部分机械加工工艺过程称为()。工序)。分析计算题(共1题,共25分)1.如图所示为轴套零件,在车床上已加工好外圆、内孔及各面,现需在铳床上以左端面定位铤出右端槽,并保证尺寸26±0.2mm,试求工序尺寸貝用苴偏差。心解=〔1)根据尺寸W,可以确定封闭环和增、遽坯如丘C(1).26±0.2mm为封闭环A>50%択为增环>20±0.1mm为减环-(2).根据封闭环的基本尺寸公式,可以求得A的基本尺寸为(A=26+10+20—50=6(mm))。(3).根据上偏差的计算公式,可以求得A的上偏差为3=0.20-0+0-0.1=0.1(mm)(''⑷.根据下偏差的计算公式,可以求得A的下偏差为兀=0.05+0.1+0.1-0.20=0.05(mm)(-)。(5).根据上面求的基本尺寸和上、下偏差的值,可以确定工序尺寸A及其偏差为A=器(mm)(2416机械制造基础-0004判断题(共15题,共30分)1.(1钻床主运动传动系统传动链的两个端件是()。电动机和主轴1.硬度是指金属材料抵抗比它更硬的物体压入其表面的能力。X2.断面收缩率不受试样尺寸的影响。V3.热处理按目的与作用不同,分为退火、正火、淬火和回火等。X4.灰铸铁在工业上应用于制造承受压力、要求耐磨和减振的零件。V5.根据药皮所含化学成分的性质,焊条分为酸性焊条和碱性焊条两类。X6•间隙配合不能应用于孔与轴相对固定的联结中。X7.圆柱度公差是控制圆柱形零件横截面和轴向截面内形状误差的综合性指标。V8.表面粗糙度值的大小影响零件的耐磨性。V9.切削速度是通过切削温度来影响刀具耐用度的。V10.刀具前角是前刀面与基面的夹角,在正交平面中测量。V11.切削热主要产生于刀具与切屑、刀具与工件之间的摩擦。X12.车床的进给运动为主轴的回转运动。X13.把工件压紧在夹具或机床上的机构称为夹紧装置。V14.固定支承在使用过程中不能调整,高度尺寸是固定不动的。V15.要减少工件的复映误差,可增加工艺系统的刚度或增加径向切削力的系数。X单选题(共15题,共45分)1.大小不变或变化过程缓慢的载荷称为()。静载荷2.金属材料抵...

1、当您付费下载文档后,您只拥有了使用权限,并不意味着购买了版权,文档只能用于自身使用,不得用于其他商业用途(如 [转卖]进行直接盈利或[编辑后售卖]进行间接盈利)。
2、本站所有内容均由合作方或网友上传,本站不对文档的完整性、权威性及其观点立场正确性做任何保证或承诺!文档内容仅供研究参考,付费前请自行鉴别。
3、如文档内容存在违规,或者侵犯商业秘密、侵犯著作权等,请点击“违规举报”。

碎片内容

机械制造基础

您可能关注的文档

确认删除?
VIP
微信客服
  • 扫码咨询
会员Q群
  • 会员专属群点击这里加入QQ群
客服邮箱
回到顶部