电脑桌面
添加小米粒文库到电脑桌面
安装后可以在桌面快捷访问

盖板涵标准化施工工艺VIP免费

盖板涵标准化施工工艺_第1页
1/16
盖板涵标准化施工工艺_第2页
2/16
盖板涵标准化施工工艺_第3页
3/16
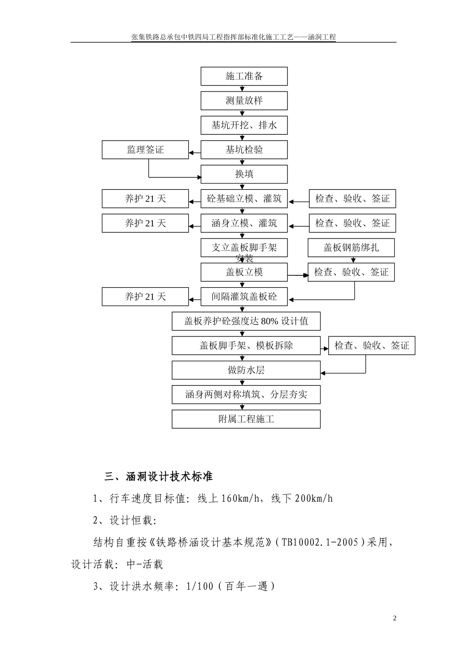
盖板涵标准化施工工艺一、施工理念把涵洞作为重要的构筑物来施工,在确保其强度、耐久性、空间几何尺寸的情况下,还要注重其外观质量;如:混凝土要颜色一致,表面光洁,无裂纹,最终达到清水混凝土的标准,真正做到内实外美。二、施工工艺流程图1张集铁路总承包中铁四局工程指挥部标准化施工工艺——涵洞工程三、涵洞设计技术标准1、行车速度目标值:线上160km/h,线下200km/h2、设计恒载:结构自重按《铁路桥涵设计基本规范》(TB10002.1-2005)采用,设计活载:中-活载3、设计洪水频率:1/100(百年一遇)施工准备测量放样基坑开挖、排水基坑检验换填砼基础立模、灌筑涵身立模、灌筑支立盖板脚手架安装盖板立模间隔灌筑盖板砼盖板养护砼强度达80%设计值盖板脚手架、模板拆除做防水层涵身两侧对称填筑、分层夯实监理签证养护21天养护21天检查、验收、签证检查、验收、签证盖板钢筋绑扎养护21天附属工程施工检查、验收、签证检查、验收、签证2张集铁路总承包中铁四局工程指挥部标准化施工工艺——涵洞工程4、地震峰值加速度:DK65+000~DK69+3000.1gDK69+300~DK113+0000.05g5、冻结深度:DK65+000~DK69+3002.01mDK69+300~DK113+0001.91m四、涵洞施工标准化施工工艺1、混凝土的搅拌站管理①上料采用铲车上料②计量采用电子计量。计量误差控制:水泥、粉煤灰、矿粉、外加剂、水1%粗、细骨料2%③搅拌时间对混凝土在搅拌机里的时间进行严格控制,对掺外加剂和粉煤灰的混凝土,规定每次搅拌时间不少于2分钟。④砂石含水率的测定混凝土搅拌前,须测定粗细骨料的含水率,并随时掌握因天气变化而引起粗细骨料含水量的变化,以便及时调整施工配合比,每班次抽测2次,雨天应随时抽测。⑤坍落度的控制混凝土出机后在施工现场测定其坍落度,并做好记录,考虑到搅拌站到现场的距离和时间,在设计要求的基础上,可适当调大混凝土的坍落度。⑥混凝土出机温度混凝土出机温度不得低于5℃。⑦混凝土运输a、混凝土在运输过程中不应发生离析、漏浆、严重泌水及坍落度损失过多等现象;b、运输混凝土的便道应平顺、牢固;c、罐车在运输混凝土的过程中宜以2~4r/min的转速搅动,卸料前应以常速再次搅拌2~3分钟;d、采用吊车吊装灌筑混凝土,吊斗出口到承接面间的高度不得大3张集铁路总承包中铁四局工程指挥部标准化施工工艺——涵洞工程于2m。吊斗底部的卸料活动门应开启方便;e、采用泵送砼时,其泵送砼配合比、坍落度、参数需经中心试验室重新出具配合比和同意后方可采用。2、施工准备临电搭设,对进场原材料进行抽样送检,对进场钢管、模板质量进行检查,劳动力准备好并对现场参加施工的人员进行技术交底。3、基础施工1)测量放线认真研究图纸,依据图纸绘制测量放样图,报监理审核无误后再根据其放线,设中心线护桩2处,并在涵洞附近引测一水准点,测量过程中严格执行测量复核制。2)基坑开挖涵洞基础开挖前,涵洞基坑四周须做好排水沟。基坑开挖采用机械挖至距设计标高15cm(石质基底可酌情减少)处,人工清浮土至设计标高,基坑开挖轮廓线根据开挖的实际情况调整,确保基坑边坡的稳定。基坑上部放置的机具材料,离基坑坡顶应有不小于2m的安全距离。软弱地基开挖,应在基坑四周设置挡板并预留一米以上工作面,在基坑坡脚四周挖设汇水沟,在基坑一侧设集水坑,使水顺利流入集水坑。勤抽水,保持集水坑水位低于基坑内水位50cm。当基坑挖至设计标高时,先自行检测基底几何尺寸、标高误差、基底土质及地基承载力,自行检测合格后,报请监理工程师检查并签证后,立即进行下道工序施工。当基底地质与设计不符时,及时与监理工程师及设计单位联系处理。3)基坑换填根据图纸要求决定涵洞换填方式:(1)1:2砂石换填,在基坑外将砂、石按1:2比例拌合均匀,每层换填厚度为30cm,并用打夯机(蛙式或气夯)夯实,压实度达到中密。(2)灰土换填,按设计比例拌合均匀后,每层换填厚度为20公分,并用打夯机(蛙式或气夯)夯实,压实度达到中密。(3)采用搅拌桩处理的涵洞,其搅拌桩施工应符合水泥搅拌桩施工工艺的有关要求,在施工结束后应进行单桩承载力和复合地基承载力的试验以及无侧限抗压强度的测定。4)基础...

1、当您付费下载文档后,您只拥有了使用权限,并不意味着购买了版权,文档只能用于自身使用,不得用于其他商业用途(如 [转卖]进行直接盈利或[编辑后售卖]进行间接盈利)。
2、本站所有内容均由合作方或网友上传,本站不对文档的完整性、权威性及其观点立场正确性做任何保证或承诺!文档内容仅供研究参考,付费前请自行鉴别。
3、如文档内容存在违规,或者侵犯商业秘密、侵犯著作权等,请点击“违规举报”。

碎片内容

盖板涵标准化施工工艺

您可能关注的文档

确认删除?
VIP
微信客服
  • 扫码咨询
会员Q群
  • 会员专属群点击这里加入QQ群
客服邮箱
回到顶部