电脑桌面
添加小米粒文库到电脑桌面
安装后可以在桌面快捷访问

各类安全检查表VIP免费

各类安全检查表_第1页
1/21
各类安全检查表_第2页
2/21
各类安全检查表_第3页
3/21
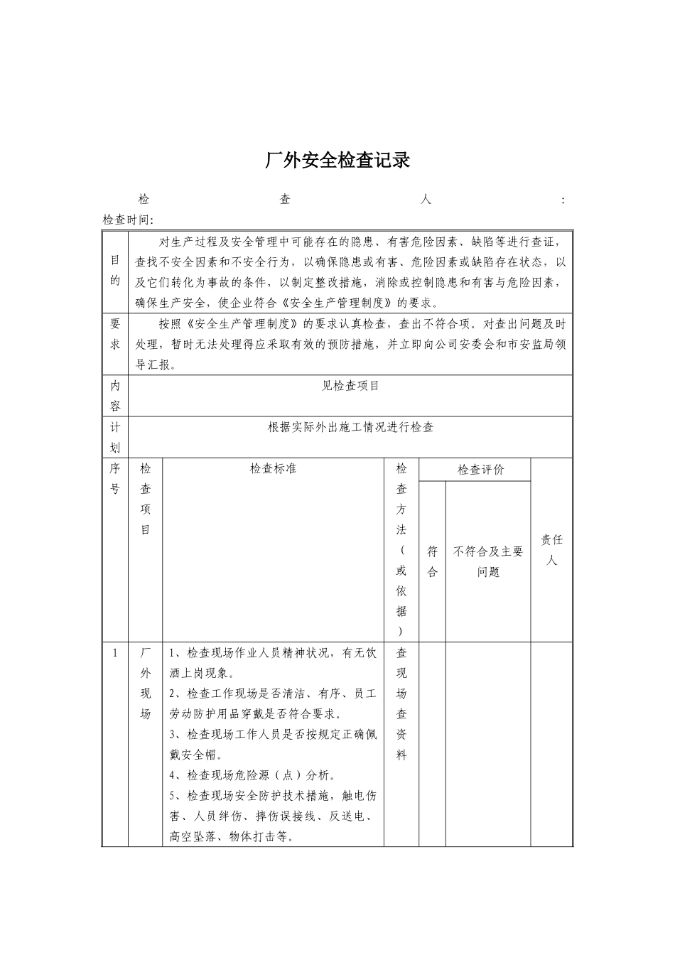
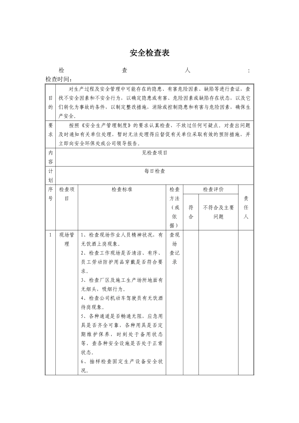
安全检查表检查人:检查时间:目的对生产过程及安全管理中可能存在的隐患、有害危险因素、缺陷等进行查证,查找不安全因素和不安全行为,以确定隐患或有害、危险因素或缺陷存在状态,以及它们转化为事故的条件,以制定整改措施,消除或控制隐患和有害与危险因素,确保生产安全。要求按照《安全生产管理制度》的要求认真检查,不放过任何可疑点。对查出问题及时通知有关单位处理,暂时无法处理得应督促有关单位采取有效的预防措施,并立即向安全环保处或公司领导报告。内容见检查项目计划每日检查序号检查项目检查标准检查方法(或依据)检查评价责任人符合不符合及主要问题1现场管理1、检查现场作业人员精神状况,有无饮酒上岗现象。2、检查工作现场是否清洁、有序、员工劳动防护用品穿戴是否符合要求。3、检查厂区及施工生产场所地面有无烟头,吸烟行为。4、检查公司机动车驾驶员有无饮酒待岗现象。5、各种通道是否畅通无阻,应急用具是否齐全可靠,各种用具是否定期维护保养,时刻处于备用状态等,查各种安全设施是否处于正常状态。6、抽样检查固定生产设备安全状况。查现场查记录7、抽样检查手持生产设备安全状况。8、抽样检查特种设备作业人员有无违章行为。9、抽样检查漏电保护措施落实情况。10、检查高处作业时,是否衣着灵便,禁止穿硬底鞋和带钉易滑鞋,在没有防护设施的高空和陡坡施工,必须按规定使用安全带,安全带必须高挂低用,挂设点必须安全、可靠。2警示标志1、对公司易燃易爆、有毒有害场所、重大危险(源)点的警示标志和告知牌的完好情况。2、检维修施工、吊装等作业现场设置警戒区域和警示标志及安全围栏情况进行检查。查现场3其它厂外安全检查记录检查人:检查时间:目的对生产过程及安全管理中可能存在的隐患、有害危险因素、缺陷等进行查证,查找不安全因素和不安全行为,以确保隐患或有害、危险因素或缺陷存在状态,以及它们转化为事故的条件,以制定整改措施,消除或控制隐患和有害与危险因素,确保生产安全,使企业符合《安全生产管理制度》的要求。要求按照《安全生产管理制度》的要求认真检查,查出不符合项。对查出问题及时处理,暂时无法处理得应采取有效的预防措施,并立即向公司安委会和市安监局领导汇报。内容见检查项目计划根据实际外出施工情况进行检查序号检查项目检查标准检查方法(或依据)检查评价责任人符合不符合及主要问题1厂外现场1、检查现场作业人员精神状况,有无饮酒上岗现象。2、检查工作现场是否清洁、有序、员工劳动防护用品穿戴是否符合要求。3、检查现场工作人员是否按规定正确佩戴安全帽。4、检查现场危险源(点)分析。5、检查现场安全防护技术措施,触电伤害、人员绊伤、摔伤误接线、反送电、高空坠落、物体打击等。查现场查资料6、检查现场安全辅助措施,验电时必须戴绝缘手套,逐相验电,先验低压,后验高压,先验下层,后验上层。7、检查现场安全辅助措施,接地线应先接接地端,后接导线端,拆地线应先拆导线端,后拆接地端。8、检查现场作业结束后终结手续,结束后进行自检、互检、验收有无遗漏工具材料,工作负责人清点人数,并拆除现场辅助安全措施。2警示标志1、对公司易燃易爆、有毒有害场所、重大危险(源)点的警示标志和告知牌的完好情况。2、检查现场施工、吊装等作业现场设置警戒区域和警示标志及安全围栏情况进行检查。查现场3其它消防安全检查记录检查人:检查时间:目的对生产过程及安全管理中可能存在的隐患、有害危险因素、缺陷等进行查证,查找不安全因素和不安全行为,以确定隐患或有害、危险因素或缺陷存在状态,以及它们转化为事故的条件,以制定整改措施,消除或控制隐患和有害与危险因素,确保生产安全。要求按照《安全生产管理制度》的要求认真检查,不放过任何可疑点。对查出问题及时通知有关单位处理,暂时无法处理得应督促有关单位采取有效的预防措施,并立即向安全环保处或公司领导报告。内容见检查项目计划每月1次检查序号检查项目检查标准检查方法(或依据)检查评价责任人符合不符合及主要问题1消防1、检查设备维护记录、检修记录。2、检查是否设“严禁烟火”标志。3、检查厂区及施工生产...

1、当您付费下载文档后,您只拥有了使用权限,并不意味着购买了版权,文档只能用于自身使用,不得用于其他商业用途(如 [转卖]进行直接盈利或[编辑后售卖]进行间接盈利)。
2、本站所有内容均由合作方或网友上传,本站不对文档的完整性、权威性及其观点立场正确性做任何保证或承诺!文档内容仅供研究参考,付费前请自行鉴别。
3、如文档内容存在违规,或者侵犯商业秘密、侵犯著作权等,请点击“违规举报”。

碎片内容

各类安全检查表

您可能关注的文档

确认删除?
VIP
微信客服
  • 扫码咨询
会员Q群
  • 会员专属群点击这里加入QQ群
客服邮箱
回到顶部