电脑桌面
添加小米粒文库到电脑桌面
安装后可以在桌面快捷访问

建设工程竣工验收备案表-范例VIP专享VIP免费

建设工程竣工验收备案表-范例_第1页
1/19
建设工程竣工验收备案表-范例_第2页
2/19
建设工程竣工验收备案表-范例_第3页
3/19
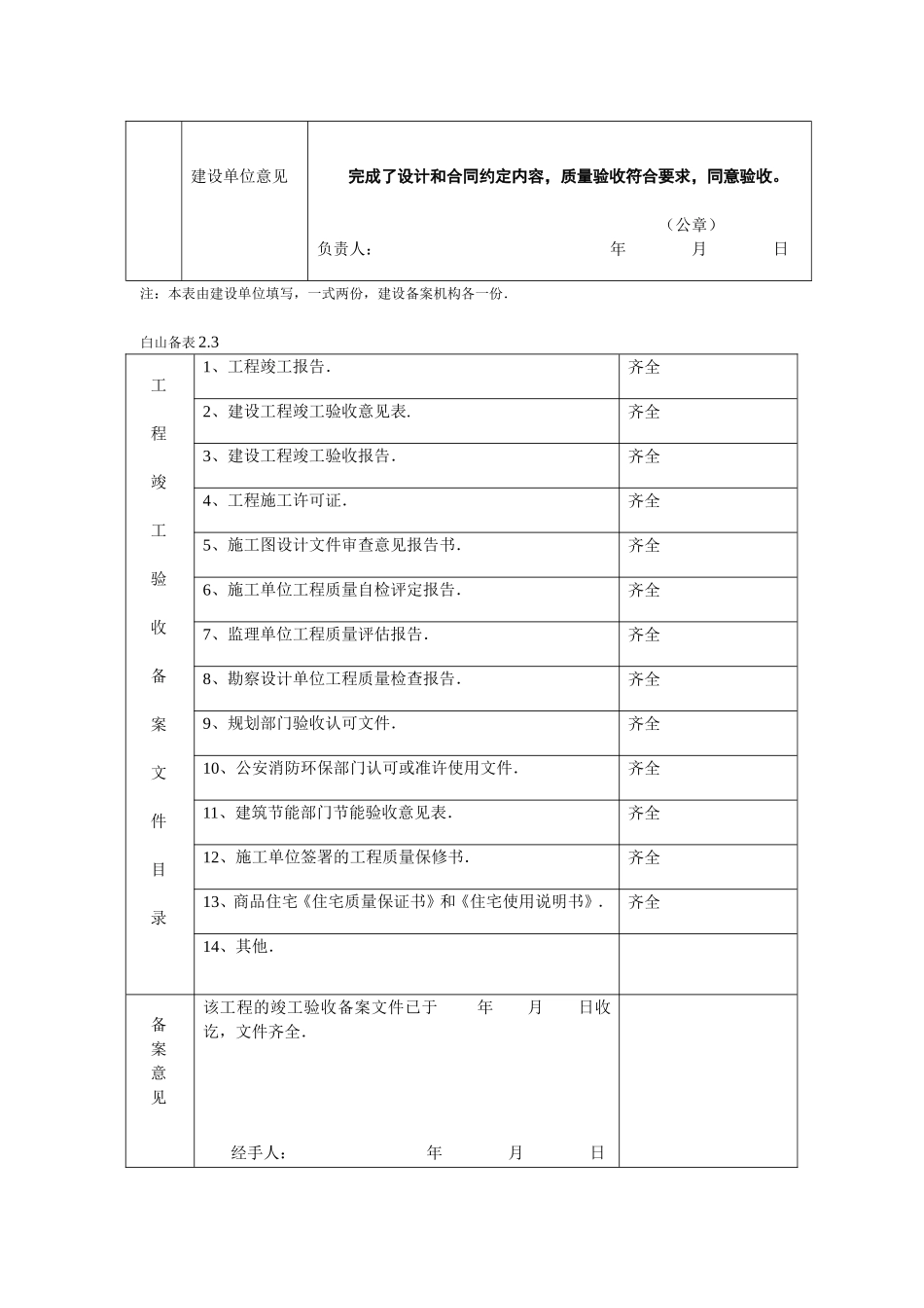
建设工程竣工验收备案表白山备注2.1备案文号()建设单位********开发有限公司申请备案日期工程名称天池花园二期1号楼建筑面积(工程量)3730.8工程地点江北结构层数砖混六层开工日期竣工验收日期施工许可证编号220602201111145601工程用途民用施工图审查报告编号工程造价354勘察单位长春有色勘察设计院资质等级甲级设计单位***新空间建筑设计院资质等级丙级施工单位*****建筑工程有限公司资质等级二级监理单位***建设工程监理中心资质等级甲级工程质量监督机构***建设工程质量监督站从业人员姓名专业资格证书等级及编号勘察负责人岩土07-0003-AY001项目设计人建筑2022200848注册结构师结构S992200173总监理工程师工民建22000256取样见证员工民建05037项目经理工民建00003310技术负责人工民建0500487注:本表由建设单位填写,一式两份,建设备案机构各一份.白山备表2.2工程名称天池花园二期1号楼建筑面积(m2)3730.8竣工验收意见勘察单位意见已按勘察报告进行了设计、施工,施工质量符合勘察要求。(公章)负责人:年月日设计单位意见已按设计文件完成施工,施工质量符合设计要求。(公章)负责人:年月日施工图审查单位意见(公章)负责人:年月日施工单位意见施工质量符合工程建设强制标准,符合设计和合同要求,自评质量达到合格(优良)等级。(公章)负责人:年月日监理单位意见该工程质量符合设计文件和工程建设强制性标准要求,过到合格(优良)等级。(公章)负责人:年月日建设单位意见完成了设计和合同约定内容,质量验收符合要求,同意验收。(公章)负责人:年月日注:本表由建设单位填写,一式两份,建设备案机构各一份.白山备表2.3工程竣工验收备案文件目录1、工程竣工报告.齐全2、建设工程竣工验收意见表.齐全3、建设工程竣工验收报告.齐全4、工程施工许可证.齐全5、施工图设计文件审查意见报告书.齐全6、施工单位工程质量自检评定报告.齐全7、监理单位工程质量评估报告.齐全8、勘察设计单位工程质量检查报告.齐全9、规划部门验收认可文件.齐全10、公安消防环保部门认可或准许使用文件.齐全11、建筑节能部门节能验收意见表.齐全12、施工单位签署的工程质量保修书.齐全13、商品住宅《住宅质量保证书》和《住宅使用说明书》.齐全14、其他.备案意见该工程的竣工验收备案文件已于年月日收讫,文件齐全.经手人:年月日备案审查意见:(备案专用案)年月日备案经办人备案机构负责人注:本表一式二份,由建设单位填写.建设单位一份,备案机构存档一份.建设工程竣工报告白山备表3***建设工程质量监督站:我单位施工的天池花园二期1号楼工程.现已按施工图设计文件和施工合同约定的内容全部完成,经过项目部检查、公司核查和监理单位认定,工程施工质量合格,已具备工程竣工验收条件,特此申请竣工验收.请你单位组织相关部门给予检查核验.特此报告.附件:施工单位工程质量自检评定报告项目经理:单位技术负责人:施工单位(公章)年月日总监理工程师意见:签字:年月日注:本表一式三份,建设单位、监督机构各一份、施工单位存档一份。施工单位工程质量自检评定报告白山备表3.1工程名称天池花园二期1号楼建筑面积3730.8工程地点江北结构层数砖混六层开工日期2011.12.11竣工日期2014.11.20单位名称*****建筑工程有限公司资质等级二级单位地址清华街12号邮编电话1343008646998一、工程项目经理部组织情况职务姓名专业职称岗位证书编号项目经理***工民建工程师00003310技术负责人***工民建工程师0500487施工员***工民建助工0600167技术员***工民建工程师0500487质检员***工民建助工0500319取样员***工民建助工05037安全员***工民建助工C002556二、分包工程项目、分包单位情况序号工程项目分包单位施工负责人分包合同注:本表由施工单位填写,一式三份,建设、施工、监督机构各一份。白山备表3.2序号工程项目分包单位施工负责人分包合同三、工程竣工验收质量检查评定意见序号项目内容验评意见1工程质量保证资料(包括检测报告、功能试验资料)是否齐全并按要求装订成册。工程质量保证资料齐全,并按要求装订成册。2工程是否达到竣工标准,工程质量是否满...

1、当您付费下载文档后,您只拥有了使用权限,并不意味着购买了版权,文档只能用于自身使用,不得用于其他商业用途(如 [转卖]进行直接盈利或[编辑后售卖]进行间接盈利)。
2、本站所有内容均由合作方或网友上传,本站不对文档的完整性、权威性及其观点立场正确性做任何保证或承诺!文档内容仅供研究参考,付费前请自行鉴别。
3、如文档内容存在违规,或者侵犯商业秘密、侵犯著作权等,请点击“违规举报”。

碎片内容

建设工程竣工验收备案表-范例

确认删除?
VIP
微信客服
  • 扫码咨询
会员Q群
  • 会员专属群点击这里加入QQ群
客服邮箱
回到顶部