电脑桌面
添加小米粒文库到电脑桌面
安装后可以在桌面快捷访问

地下室内脚手架技术交底--VIP免费

地下室内脚手架技术交底--_第1页
1/7
地下室内脚手架技术交底--_第2页
2/7
地下室内脚手架技术交底--_第3页
3/7
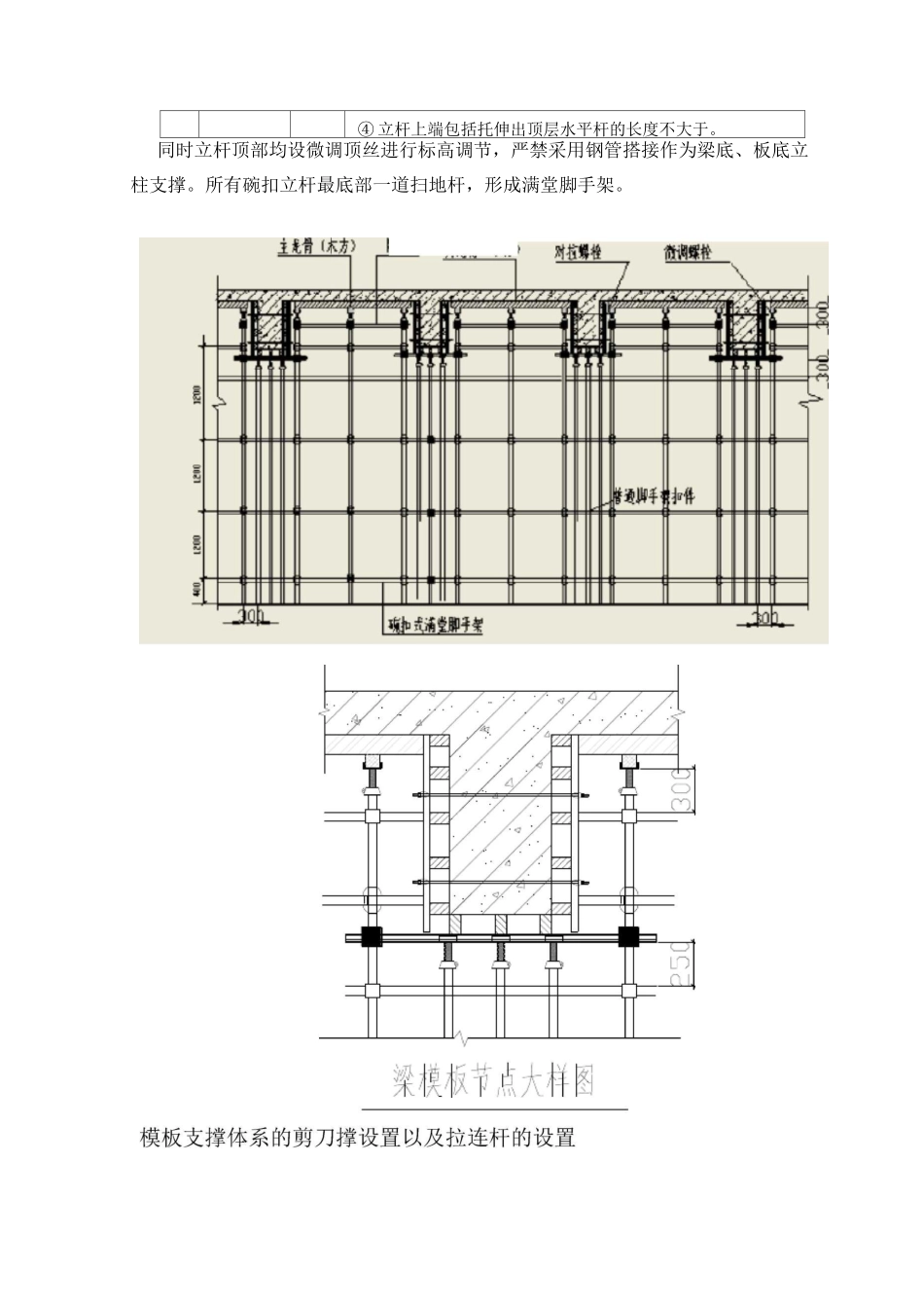
技术交底记录编号工程名称华蓥市中医医院建设项目日期年月曰交底部位内脚手架搭设页数共页交底内容:一、支撑架搭设模板支撑体系的设计选型本工程支模体系满堂架选择扣件式脚手架,厚覆面胶合板,x木方做次龙骨,X木方做主龙骨,具体做法见下表:部位构件规格模板及支撑体系华蓥市中医医院建设项目模板厚覆面胶合板龙骨梁底次龙骨:X木方,间距,顺梁方向布置,共设置根;主龙骨:X木方,间距,垂直梁方向布置。梁侧次龙骨:X木方,水平向布置,间距,共设置根;主龙骨:0双钢管,竖向布置,间距;对拉螺杆:对拉螺杆,上下共布置道。支撑体系①支撑架体米用扣件式钢管满堂支撑架,梁底立杆垂直于梁方向梁底设置根立杆;顺梁方向间距;横杆步距;扫地杆距底板面。②立杆下端采用底托,立杆上端采用托进行高度调节。③主龙骨所传递的承载力作用于水平管,再转递给梁两侧立杆。④立杆模板厚覆面胶合板龙骨梁底次龙骨:X木方,间距,顺梁方向布置,共设置根;主龙骨:x木方,间距,垂直于梁方向布置。梁侧次龙骨:X木方,水平向布置,间距,共设置根;主龙骨:0双钢管,竖向布置,间距;对拉螺杆:对拉螺杆,上下共布置道。支撑体系①支撑架体米用扣件式钢管满堂支撑架,梁底立杆垂直于梁方向设置根立杆;顺梁方向间距;横杆步距;扫地杆距底板面。②立杆下端采用底托,立杆上端采用托进行高度调节。③主龙骨所传递的承载力作用于水平管,再转递给梁两侧立杆。模板厚覆面胶合板、R1龙骨梁底次龙骨:X木方,间距,顺梁方向布置,共设置根;主龙骨:X木方,间距,垂直梁方向布置。梁侧次龙骨:X木方,水平向布置,间距,共设置根;主龙骨:0双钢管,竖向布置,间距;对拉螺杆:对拉螺杆,上下共布置道。支撑架体①支撑架体米用扣件式钢管满堂支撑架,梁底立杆垂直于梁方向设置根立杆;顺梁方向间距;横杆步距;扫地杆距底板面。②立杆下端采用底托,立杆上端采用托进行高度调节。③主龙骨所传递的承载力作用于水平管,再转递给梁两侧立杆。板模板厚覆面胶合板、R1龙骨主龙骨X木方,间距,沿短跨方向布置,间距次龙骨次龙骨:X木方,间距,沿长跨方向布置支撑架体①支撑架体米用扣件式钢管满堂支撑架,立杆横纵间距均为;横杆步距;扫地杆距底板面。②立杆下端采用底托,立杆上端采用托进行高度调节。③主龙骨所传递的承载力作用于水平管,再转递给梁两侧立杆。④立杆上端包括托伸出顶层水平杆的长度不大于。同时立杆顶部均设微调顶丝进行标高调节,严禁采用钢管搭接作为梁底、板底立柱支撑。所有碗扣立杆最底部一道扫地杆,形成满堂脚手架。双扣件连抱柱连接1竖向剪刀撑设置模板支架四周从底到顶连续竖向剪刀撑;纵横向由底到顶设置竖向剪刀撑,间距不大于其宽度为一。2水平剪刀撑设置模板支架在顶部、中间、扫地杆处设置水平剪刀撑中间水平剪刀撑间距不大于3剪刀撑要求()剪刀撑(斜杆)每步与立杆扣接,(斜杆)与地面夹角应在度度之间,扣接点距钢管十字节点的距离W;当出现不能与立杆扣接的情况时可采取与横杆扣接,扣接点必须牢固;()剪刀撑采用搭接连接,搭接长度三,且连接的旋转扣件不少于个,端部扣件盖板的边缘至杆端距离不得小于。4拉连杆满堂架与所有框架柱用钢管相连接,在柱周围与满堂红架体连接,与架体形成牢固的整体,增加架体刚度,高度每设置一道。钢管横杆模板及支撑体系施工1基础处理)以地下室底板混凝土面为搭设基础,在架体铺设位置布置后脚手板。2支撑架搭设2.1模板支撑架构造要求W-钢管立抱柱连(1)本工程梁模板支撑立杆根据梁宽度设置调整。()立杆间必须按0.的步距满设双向水平拉杆。()立杆脚下必须有足够能承受上部传下来荷重的能力。2.3搭设要求扣件式支撑架搭设应按照相关规定要求和以下顺序进行搭设:(1)立杆底部必须设置底托。()摆好底部立杆,保证立杆的轴心线应与地面垂直;()立杆上的上碗扣应能上下串动和灵活转动,不得有卡滞现象;()在碗扣节点上同时安装1—个横杆,上碗扣均应能锁紧。()立杆的垂直偏差不大于1(架高,相邻两根立杆接头错开00,并不在同一步距内。()剪刀撑的位置从梁及楼板支架两端开始,沿竖向全高连续设置。剪...

1、当您付费下载文档后,您只拥有了使用权限,并不意味着购买了版权,文档只能用于自身使用,不得用于其他商业用途(如 [转卖]进行直接盈利或[编辑后售卖]进行间接盈利)。
2、本站所有内容均由合作方或网友上传,本站不对文档的完整性、权威性及其观点立场正确性做任何保证或承诺!文档内容仅供研究参考,付费前请自行鉴别。
3、如文档内容存在违规,或者侵犯商业秘密、侵犯著作权等,请点击“违规举报”。

碎片内容

地下室内脚手架技术交底--

您可能关注的文档

wxg+ 关注
实名认证
内容提供者

该用户很懒,什么也没介绍

确认删除?
VIP
微信客服
  • 扫码咨询
会员Q群
  • 会员专属群点击这里加入QQ群
客服邮箱
回到顶部