电脑桌面
添加小米粒文库到电脑桌面
安装后可以在桌面快捷访问

万科地产概念设计方案成果标准VIP免费

万科地产概念设计方案成果标准_第1页
1/7
万科地产概念设计方案成果标准_第2页
2/7
万科地产概念设计方案成果标准_第3页
3/7
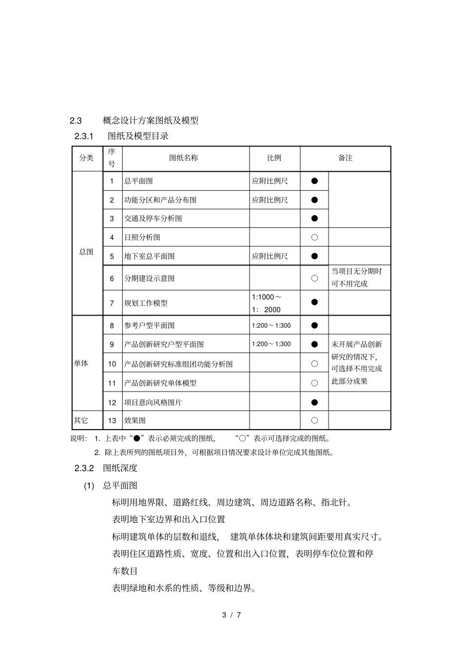
1/72概念设计方案2.1过程文件:2.1.1规划草案设计成果规划草案是为了进行集团项目初判审批所提交的设计配合资料,保证在技术上基本满足初步的项目产品定位和技术经济指标,便于集团对项目可行性的初判,达到降低投资风险的目的。(1)规划草案设计成果包括:分类序号图纸名称比例备注总图1总平面图应附比例尺●2功能分区和产品分布图应附比例尺●单体3拟选用的参考户型平面图应附比例尺○4项目意向风格图片○其它5主要的技术经济指标说明●说明:1.上表中“●”表示必须完成的成果,“○”表示可选择完成的成果。2.除上表所列的成果项目外,可根据项目情况要求设计单位完成其他图纸。(2)成果深度说明:总平面图a)标明用地界限、道路红线、周边建筑、周边道路名称、指北针。b)标明建筑单体的层数和退线,建筑单体体块和建筑间距要用真实尺寸。c)表明绿地和水系的性质、等级和边界。总平面图为核实经济技术指标的依据。功能分区和产品分布图a)用不同图例表明不同住宅的类型、层数和分布范围。b)表明各种公共配套物业的名称、层数和位置。参考户型平面表明主力户型的参考平面图。2/72.1.2概念设计委托任务书当为了满足特殊要求的委托外部设计公司完成概念设计,设计部需形成概念设计委托任务书。其内容包括:(1)基础资料介绍(参表1.1.1、表1.1.2、表1.2.1、表1.2.2)(2)设计要求自然条件分析:明确须利用的有利因素和须处理的不利因素。社会条件分析:明确不可变因素和可变因素,针对可变因素提出有利的发展方向。市场要求:物业类型、档次、规模与比例,项目风格定位。(3)设计成果标准(详条文2.2、条文2.3、条文2.4)(4)进度要求2.2概念设计方案设计说明(可结合图纸表达)2.2.1自然条件分析及对策2.2.2社会条件分析及对策2.2.3技术经济指标说明2.2.4规划概念说明2.2.5设计总体思路(结合总平面图、功能分区和产品分布图、交通分析图介绍)3/72.3概念设计方案图纸及模型2.3.1图纸及模型目录分类序号图纸名称比例备注总图1总平面图应附比例尺●2功能分区和产品分布图应附比例尺●3交通及停车分析图●4日照分析图○5地下室总平面图应附比例尺●6分期建设示意图○当项目无分期时可不用完成7规划工作模型1:1000~1:2000●单体8参考户型平面图1:200~1:300●9产品创新研究户型平面图1:200~1:300●未开展产品创新研究的情况下,可选择不用完成此部分成果10产品创新研究标准组团功能分析图○11产品创新研究单体模型○12项目意向风格图片●其它13效果图○说明:1.上表中“●”表示必须完成的图纸,“○”表示可选择完成的图纸。2.除上表所列的图纸项目外,可根据项目情况要求设计单位完成其他图纸。2.3.2图纸深度(1)总平面图标明用地界限、道路红线、周边建筑、周边道路名称、指北针。表明地下室边界和出入口位置标明建筑单体的层数和退线,建筑单体体块和建筑间距要用真实尺寸。表明住区道路性质、宽度、位置和出入口位置,表明停车位位置和停车数目表明绿地和水系的性质、等级和边界。4/7总图为核实经济技术指标的依据。(2)功能分区和产品分布图根据表2.4.1标明表中所示住宅的类型、层数和分布范围。根据表2.4.1标明表中所示配套物业的名称、层数和位置。(3)交通及停车分析图表明居住区道路系统及人流、车流包括货运、消防流线及出入口位置(如居住区内有公交线路,应表明公交站点位置)。表明机动车、非机动车车的停车方式、位置和停车数目。(4)日照分析图体现用地内每个区域在冬至日(大寒日)的日照时数。(5)地下室总平面图表明各种地下室平面的与地上建筑的平面相对关系、内部功能布置、面积指标;(6)分期建设示意图表明分期建设各期物业的分布范围和建设顺序。(7)参考户型平面表明主力户型的参考平面图。5/72.4综合经济技术指标(方案____)综合经济技术指标表(ZB-SJ-Z02-F10)表2.4.1填表人:填写日期:年月日项目名称项目规划总用地ha容积率居住区用地ha建筑密度总建筑面积M2绿地率%住宅总建筑面积M2住宅总户数户公共服务设施总面积M2汽车位总数个地下室总面积M2人防地下室面积M2其它地下室面积M2住宅内容类型建筑面积占住宅总建筑面积比例(%)拟结构形式备注低层住宅(1~3层)多层...

1、当您付费下载文档后,您只拥有了使用权限,并不意味着购买了版权,文档只能用于自身使用,不得用于其他商业用途(如 [转卖]进行直接盈利或[编辑后售卖]进行间接盈利)。
2、本站所有内容均由合作方或网友上传,本站不对文档的完整性、权威性及其观点立场正确性做任何保证或承诺!文档内容仅供研究参考,付费前请自行鉴别。
3、如文档内容存在违规,或者侵犯商业秘密、侵犯著作权等,请点击“违规举报”。

碎片内容

万科地产概念设计方案成果标准

确认删除?
VIP
微信客服
  • 扫码咨询
会员Q群
  • 会员专属群点击这里加入QQ群
客服邮箱
回到顶部