电脑桌面
添加小米粒文库到电脑桌面
安装后可以在桌面快捷访问

三菱伺服故障代码处理资料VIP免费

三菱伺服故障代码处理资料_第1页
1/8
三菱伺服故障代码处理资料_第2页
2/8
三菱伺服故障代码处理资料_第3页
3/8
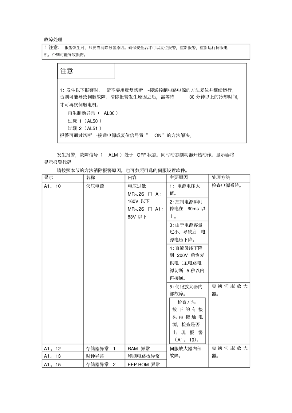
故障处理!注意:报警发生时,只要当清除报警原因。确保安全后才可以复位报警,重新报警,重新运行伺服电机。否则可能导致损伤。发生报警,故障信号(ALM)处于OFF状态。同时动态制动器开始动作。显示器将显示报警代码请按照本节的方法消除报警原因。也可参照可选的伺服设置软件。显示名称内容主要原因处理方法A1。10欠压电源电压过低MR-J2S口A:160V以下MR-J2S口A1:83V以下1:电源电压太低。检查电源系统。2:控制电源瞬间停电在60ms以上。3:由于电源容量过小,导致启电源电压下降。4:直流母线下降到200V后恢复供电(主电路电源切断5秒以内再接通。5:伺服放大器内部故障。检查方法拨下的有接头再接通电源,检查是否出现报警(A1。10)。更换伺服放大器。A1。12存储器异常1RAM异常伺服放大器内部故障。更换伺服放大器。A1。13时钟异常印刷电路板异常A1。15存储器异常2EEPROM异常注意1:发生以下报警时,请不要用反复切断-接通控制电路电源的方法复位并继续运行。否则可能导致伺服故障。清除报警发生原因之后,需等待30分钟以上的冷却时间,才可再次伺服电机。再生制动异常(AL30)过载1(AL50)过载2(AL51)报警可通过切断-接通电源或复位信号置“ON”的方法解决。检查方法拨下的有接头再接通电源,检查是否出现报警(A1。12。13。15中的任何一个)。A.1.16编码器异常1编码器和伺服放大器之间通讯异常1:接头CN2没有连接好。正确接线2:编码器故障。更换伺服电机3:编码器电缆故障。(短路或断路)。修理或更换电缆A1。17电路板异常CPU零部件异常伺服放大器内部故障。检查方法拨下的有接头再接通电源,检查是否出现报警(A1。17,A1。19)。更换伺服放大器。A1。19存储器异常2ROM存储器异常。A1。1A电机配合异常伺服放大器和伺服电机之间配合有误。伺服放大器和伺服电机之间配合有误。使用正确的伺服放大器和伺服电机。A1。20编码器异常2编码器和伺服放大器之间通讯异常。1:接通CN2没有连接插好。请正确连接2:编码器电缆故障(短路或断路)修理或更换电缆A1。24电机输出接地故障伺服电机输出端(UVW相)接地故障。1:在主电路端子(TE1)上电源输入和输出接线有短路。更换电缆。更换电缆2:伺服电机动力线绝缘损坏。A1。25绝对位置丢失绝对位置数据丢失1:编码器中的电容电压过低。报警发生时,等待23分钟之后断开电源,再接通电源重新进行原点复归。2:电池电压过低。更换电池后,再次进行原点复归3:电池电缆或电池故障绝对位置系统中,首次接通电源时4:绝对位置编码器中的电容未充电报警发生的状态下,等待2~3分钟之后,断开电源,再接通电源。重新进行原点复归。A1。30再生制动异常制动电流超过内置再生制动电阻或再生制动选件的允许值。1:参数N0。O设定错误。请正确设定2:未连接内置的再生制动电阻或再生制动选件请正确接线3:高频度或连接再生制动运行使再生电流超过了内置再生制动电阻或再生制动选件的允许值。检查方法通过显示器检查再生制动使用率。1:降低制动频率2:更换容量大的再生制动电阻或再生制动选件。3:减小负载。4:电源电压异常:MR-J2S口A:260V以上MR-J2S口A1:135V以上检查电源再生制动晶体管异常5:再生制动晶体管故障。检查方法:1:再生选件过热。2:内置再生制动电阻或再生制动选择拆下后,报警仍然发生。更换伺服放大器。6:内置的再生制动电阻或再生制动选件故障。更换伺服放大器或再生制动选件冷却风扇停止运行(MR-J2S200A350A)7:由于冷却风扇停止运行,从而导致异常过热。1:更换伺服放大器过冷却风扇。2:降低周围的温度。A1。31超速速度超出了瞬时允许速度输入指令脉冲频率过高正确设定指令脉冲频率加减速时间过小导致超调时间过大增大加减速时间常数伺服系统不稳定导致超调1:重新设定增益2:不能重新设定增益的场合:A:负载转动质量比设定的小些B:重新检查加减速时常数的社定。电子齿轮比太大(参数N0。3。4)请正确的设定编码器出现故障更换伺服电机A1。32过流伺服放大器的输出电流超过了允许电流伺服放大器输出测UVW相存在短路正确连线伺服放大器晶体管(IPM)故障检查方法:拆下输出UVW相的连接,再接通电源,检查是否发...

1、当您付费下载文档后,您只拥有了使用权限,并不意味着购买了版权,文档只能用于自身使用,不得用于其他商业用途(如 [转卖]进行直接盈利或[编辑后售卖]进行间接盈利)。
2、本站所有内容均由合作方或网友上传,本站不对文档的完整性、权威性及其观点立场正确性做任何保证或承诺!文档内容仅供研究参考,付费前请自行鉴别。
3、如文档内容存在违规,或者侵犯商业秘密、侵犯著作权等,请点击“违规举报”。

碎片内容

三菱伺服故障代码处理资料

您可能关注的文档

确认删除?
VIP
微信客服
  • 扫码咨询
会员Q群
  • 会员专属群点击这里加入QQ群
客服邮箱
回到顶部