电脑桌面
添加小米粒文库到电脑桌面
安装后可以在桌面快捷访问

上海工业大学习题VIP免费

上海工业大学习题_第1页
1/18
上海工业大学习题_第2页
2/18
上海工业大学习题_第3页
3/18
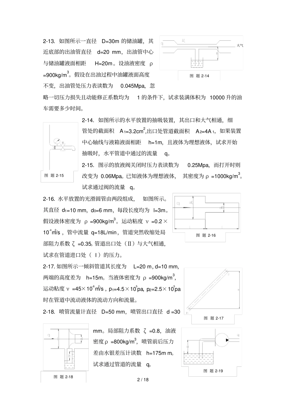
习题集院(系):机电学院教研室:计算机辅助设计课程名称:液压与气压传动课程代号:适用专业:机械类上海第二工业大学第一章液压与气压传动概述1-1.何谓液压传动和气压传动?液压传动和气压传动系统有哪些基本组成部分?各部分的作用是什么?1-2.气压传动与液压传动有什么不同?1-3.图示液压千斤顶中,小活塞直径d=10mm,大活塞直径D=40mm,重物G=5000kg,小活塞行程20mm,杠杆L=500mm,l=25mm,问:(1)杠杆端需加多少力才能顶起重物W;(2)此时液体内所产生的压力为多少;(3)杠杆上下一次,重物升高多少?1-4.用恩氏粘度计测得ρ=850kg/m3的某液压油200mL流过的时间为t1=153s,20oC时200mL蒸馏水流过的时间t2=51s。问该液压油的oE为多少?动力粘度为多少?运动粘度为多少?1/18第二章液压与气压传动的基础知识2-1.为什么压力会有多种不同测量与表示单位?2-2.为什么说压力是能量的一种表现形式?2-3.液压与气压传动中传递力是依据什么原理?2-4.为什么能依据雷诺数来判别流态?它的物理意义是什么?2-5.伯努利方程的物理含义是什么?2-6.试述稳态液动力产生的原因?2-7.为什么减缓阀门的关闭速度可以降低液压冲击?2-8.为什么在液压传动中对管道内油液的最大流速要加以限制?2-9.如图所示,充满液体的倒置U形管,一端位于一液面与大气相通的容器中,另一端位于一密封容器中。容器与管中液体相同,密度ρ=1000kg/m3。在静止状态下,h1=0.5m,h2=2m。试求在A、B两处的真空度。2-10.有一水平放置的圆柱形油箱,油箱上端装有图示的油管,油管直径为20mm。油管一端与大气相通。已知圆柱直径D=300mm,油管中的液柱高度如图示为h=600mm。油液密度ρ=900kg/m3。试求作用在圆柱油箱端部圆形侧面的总液压力。2-11.图示安全阀,按设计当压力为p=3Mpa时阀应开启,弹簧刚度k=8N/mm。活塞直径分别为D=22mm,D0=20mm。试确定该阀的弹簧预压缩量为多少?2-12.有半径R=100mm钢球堵塞着垂直壁面上直径d=1.5R的圆孔,当钢球恰好处于平衡状态时,钢球中心与容器液面的距离H是多少?已知钢密度为8000kg/m3,液体密度为820kg/m3。h2h1ACB00图题2-9图题2-10图题2-12图题2-13图题2-112/182-13.如图所示一直径D=30m的储油罐,其近底部的出油管直径d=20mm,出油管中心与储油罐液面相距H=20m。设油液密度ρ=900kg/m3。假设在出油过程中油罐液面高度不变,出油管处压力表读数为0.045Mpa,忽略一切压力损失且动能修正系数均为1的条件下,试求装满体积为10000升的油车需要多少时间。2-14.如图所示的水平放置的抽吸装置,其出口和大气相通,细管处的截面积A1=3.2cm2,出口处管道截面积A2=4A1,如果装置中心轴线与液箱液面相距h=1m,且液体为理想液体,试求开始抽吸时,水平管道中通过的流量q。2-15.图示的放液阀关闭时压力表读数为0.25Mpa,而打开时则改变为0.06Mpa。已知液体为理想液体,其密度为ρ=1000kg/m3。试求通过阀的流量q。2-16.水平放置的光滑圆管由两段组成,如图所示。其直径d1=10mm,d0=6mm,每段长度均为l=3m。假设液体密度为ρ=900kg/m3。运动粘度ν=0.2×10-4m2/s,管中流量q=18L/min,管道突然收缩处局部阻力系数ζ=0.35。管道出口处(Ⅱ)与大气相通,试求在管道进口处(I)的压力。2-17.如图所示一倾斜管道其长度为L=20m,d=10mm,两端的高度差为h=15m。当液体密度为ρ=900kg/m3,运动粘度ν=45×10-6m2/s,p1=4.5×105pa,p2=2.5×105pa时在管道中流动液体的流动方向和流量。2-18.喷管流量计直径D=50mm,喷管出口直径d=30mm。局部阻力系数ζ=0.8,油液密度ρ=800kg/m3,喷管前后压力差由水银差压计读数h=175mm。试求通过管道的流量q。大气图题2-14图题2-15图题2-16图题2-17图题2-18图题2-193/182-19.图示液压泵从油箱吸油。液压泵排量V=72cm3/r,转速n=1500r/min,油液粘度ν=40×10-4m2/s,密度ρ=900kg/m3。吸油管长度l=6m,吸油管直径d=30mm,在不计局部损失时试求为保证泵吸油口真空度不超过0.4×105pa液压泵吸油口高于油箱液面的最大值H,并回答此H是否与液压泵的转速有关。2-20.液压缸直径D=80mm,缸底有一直径d=20mm小孔,当活塞上的作用力F=3000N,不计...

1、当您付费下载文档后,您只拥有了使用权限,并不意味着购买了版权,文档只能用于自身使用,不得用于其他商业用途(如 [转卖]进行直接盈利或[编辑后售卖]进行间接盈利)。
2、本站所有内容均由合作方或网友上传,本站不对文档的完整性、权威性及其观点立场正确性做任何保证或承诺!文档内容仅供研究参考,付费前请自行鉴别。
3、如文档内容存在违规,或者侵犯商业秘密、侵犯著作权等,请点击“违规举报”。

碎片内容

上海工业大学习题

您可能关注的文档

确认删除?
VIP
微信客服
  • 扫码咨询
会员Q群
  • 会员专属群点击这里加入QQ群
客服邮箱
回到顶部