电脑桌面
添加小米粒文库到电脑桌面
安装后可以在桌面快捷访问

合同交底记录表-(2)VIP免费

合同交底记录表-(2)_第1页
1/19
合同交底记录表-(2)_第2页
2/19
合同交底记录表-(2)_第3页
3/19
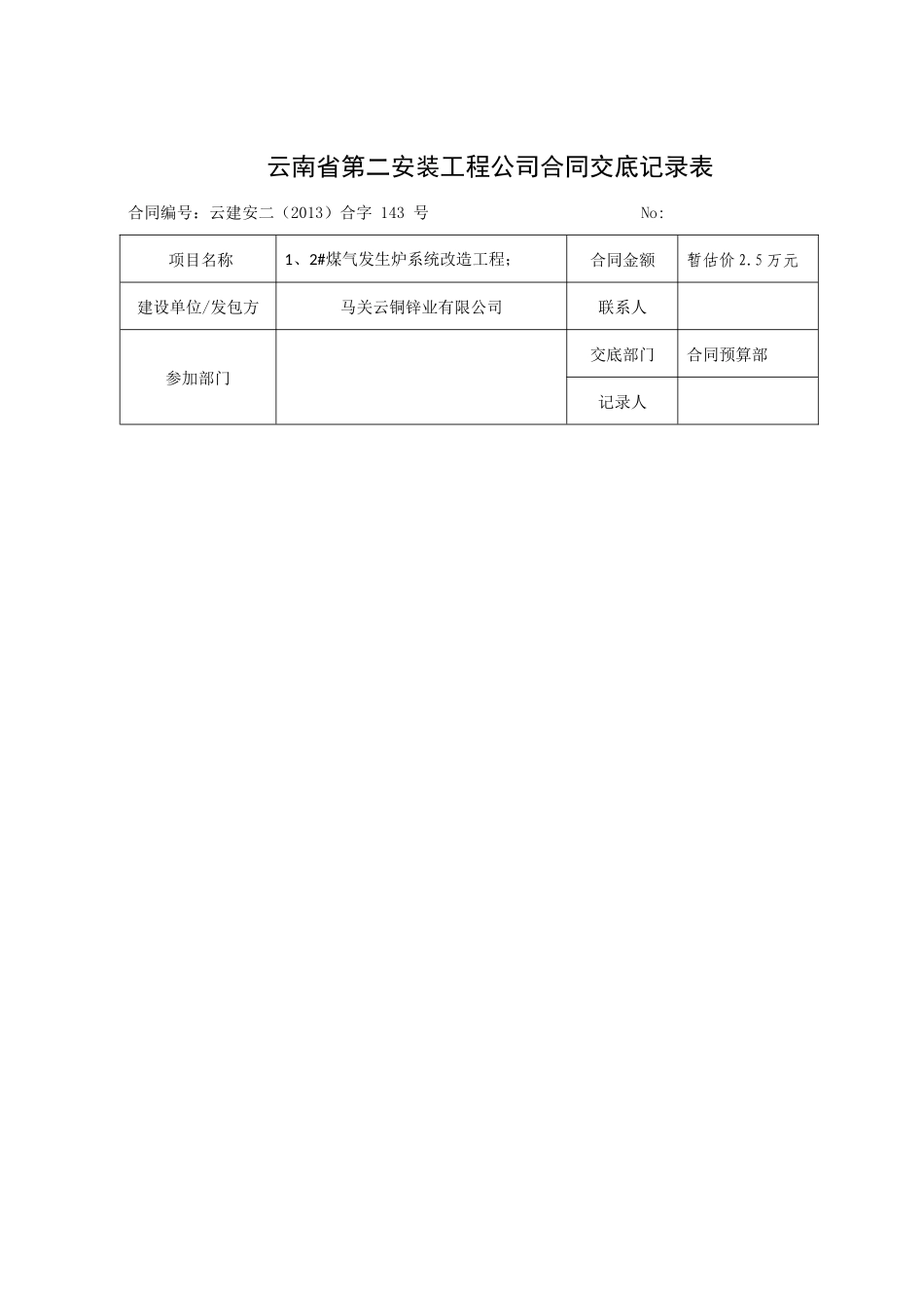
云南省第二安装工程公司合同交底记录表合同编号:云建安二(2013)合字143号No:项目名称1、2#煤气发生炉系统改造工程;合同金额暂估价2.5万元建设单位/发包方马关云铜锌业有限公司联系人参加部门交底部门合同预算部记录人合同基本情况介绍:1、工程内容:1、2#煤气发生炉系统改造:2、合同工期:总日历天数4天(2013年08月31日至2013年09月04日)3、质量标准:□优良□合格4、结算方式:□包干□按实结算其他:5、付款方式:(1)预付款无;(2)进度款:无(3)保修金:工程施工结束并验收合格结算审计后,甲方应在七个工作日内向乙方支付到工程结算款的95%,其余5%作为质保金。(质保期为竣工验收合格之日起一年,待质保期满并无质量问题;甲方七日内付清尾款。)交底事项:1.质量方面:按照相关标准进行验收,满足甲方现场使用要求,;保修期为壹年。2.安全、现场管理方面:施工过程中乙方施工人员必须遵守甲方相关规章制度,服从甲方现场人员指挥并持证上岗,不得野蛮施工,出现异常情况应立即停止施工并撤离现场,施工过程中由于操作不当所引发的安全事故全部责任由乙方自行承担。3.违约责任:1)若乙方延期完工,每延期一天对乙方罚款贰仟元;时间超过一周,甲方有权单方面终止合同(不可抗力因素除外),乙方退还甲方所有预付款项,且乙方应向甲方承担违约金人民币贰万元。2)若乙方工程质量根据本合同第七条经验收不合格,则甲方有权解除合同,乙方退还甲方所有预付款项,且乙方应向甲方承担违约金人民币贰万元。4.其他:本合同自双方签字盖章后生效,未尽事宜双方友好协商解决,未能协商一致,任何一方均可向甲方所在地人民法院起诉。云南省第二安装工程公司合同交底记录表合同编号:云建安二(2013)合字144号No:云南省第二安装工程公司合同交底记录表合同编号:云建安二(2013)合字156No:项目名称精炼分厂玻璃钢、煤气发生站循环水池彩钢瓦雨棚拆除;合同金额包干价3.88万元项目名称硫酸分厂零星检修工程合同金额包干价2.7万元建设单位/发包方马关云铜锌业有限公司联系人参加部门交底部门合同预算部记录人合同基本情况介绍:1、工程内容:硫酸分厂零星工程硫酸分厂风机维修、皮带更换2、合同工期:总日历天数天(2013年8月22日至2013年8月25日。)3、质量标准:□优良□合格4、结算方式:□包干□按实结算其他:5、付款方式:工程施工结束并验收合格后,结算审定后,甲方在五个工作日内支付清全额工程款。(1)预付款:无(2)进度款:无;保修金无。交底事项:1、质量方面:按照相关行业标准进行验收,满足现场使用要求。2、安全、现场管理方面:施工过程中乙方施工人员必须遵守甲方相关规章制度,服从甲方现场人员指挥并持证上岗,不得野蛮施工,出现异常情况应立即停止施工并撤离现场,施工过程中由于操作不当所引发的安全事故全部责任由乙方自行承担。3.违约责任:1)若乙方延期完工,每延期一天对乙方罚款叁千元,时间超过叁周,甲方有权单方面终止合同(不可抗力因素除外),乙方退还甲方所有预付款项,且乙方应向甲方承担违约金人民币壹万元。2)若乙方工程质量根据本合同第七条经验收不合格,则甲方有权解除合同,乙方退还甲方所有预付款项,且乙方应向甲方承担违约金人民币壹万元。4.其他:本合同自双方签字盖章后生效,未尽事宜双方友好协商解决,未能协商一致,任何一方均可向甲方所在地人民法院起诉。建设单位/发包方马关云铜锌业有限公司联系人参加部门交底部门合同预算部记录人合同基本情况介绍:1、工程内容:(1)、精炼分厂玻璃钢冷却塔、煤气发生站循环水池彩钢瓦雨棚拆除。2、合同工期:总日历天数天(甲方具备施工条件之日起十天内完成)3、质量标准:□优良■合格4、结算方式:□包干■按实结算其他:5、付款方式:工程施工结束并验收合格后,结算审定后,甲方在五个工作日内支付清全额工程款。(1)预付款:无(2)进度款:无;保修金无。交底事项:1.质量方面:按照相关行业标准进行验收,满足现场使用要求。2.安全、现场管理方面:施工过程中乙方施工人员必须遵守甲方相关规章制度,服从甲方现场人员指挥并持证上岗,不得野蛮施工,出现异常情况应立即...

1、当您付费下载文档后,您只拥有了使用权限,并不意味着购买了版权,文档只能用于自身使用,不得用于其他商业用途(如 [转卖]进行直接盈利或[编辑后售卖]进行间接盈利)。
2、本站所有内容均由合作方或网友上传,本站不对文档的完整性、权威性及其观点立场正确性做任何保证或承诺!文档内容仅供研究参考,付费前请自行鉴别。
3、如文档内容存在违规,或者侵犯商业秘密、侵犯著作权等,请点击“违规举报”。

碎片内容

合同交底记录表-(2)

您可能关注的文档

确认删除?
VIP
微信客服
  • 扫码咨询
会员Q群
  • 会员专属群点击这里加入QQ群
客服邮箱
回到顶部