电脑桌面
添加小米粒文库到电脑桌面
安装后可以在桌面快捷访问

国内模具制造企业常用的冲裁间隙数值表VIP专享VIP免费

国内模具制造企业常用的冲裁间隙数值表_第1页
1/3
国内模具制造企业常用的冲裁间隙数值表_第2页
2/3
国内模具制造企业常用的冲裁间隙数值表_第3页
3/3
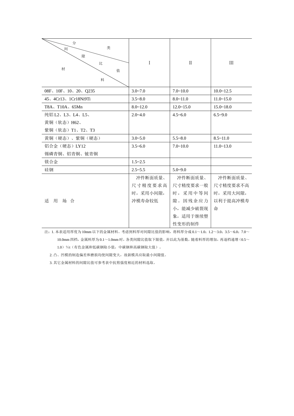
国内模具制造企业常用的冲裁间隙值见表2-8、表2-9、表2-10。表2-8汽车拖拉机行业常用冲裁间隙值Z材料厚度08、10、35、09Mn、Q23516Mn40、5065MnZminZmaxZminZmaxZminZmaxZminZmax小于0.5极小间隙0.50.60.70.80.91.01.21.51.752.02.12.52.753.03.54.04.55.56.06.58.00.0400.0480.0640.0720.0900.1000.1260.1320.2200.2460.2600.3600.4000.4600.5400.6400.7200.9401.0800.0600.0720.0920.1040.1260.1400.1800.2400.3200.3600.3800.5000.5600.6400.7400.8801.0001.2801.4400.0400.0480.0640.0720.0900.1000.1320.1700.2200.2600.2800.3800.4200.4800.5800.6800.6800.7800.8400.9401.2000.0600.0720.0900.1040.1260.1400.1800.2400.3200.3800.4000.5400.6000.6600.7800.9200.9601.1001.2001.3001.6800.0400.0480.0640.0720.0900.1000.1320.1700.2200.2600.2800.3800.4200.4800.5800.6800.7800.9801.1400.0600.0720.0920.1040.1260.1400.1800.2300.3200.3800.4000.5400.6000.6600.7800.9201.0401.3201.5000.0400.0480.0640.0640.0900.0900.0600.0720.0920.0920.1260.126表2-9电器仪表行业常用冲裁间隙值Z材料厚度软铝紫铜、黄铜、软钢(C0.08~0.2%)杜拉铝、中等硬钢(C0.3~0.4%)硬钢(C0.5~0.6%)ZminZmaxZminZmaxZminZmaxZminZmax0.20.30.40.50.60.70.80.91.01.21.51.80.0080.0120.0160.0200.0240.0280.0320.0360.0400.0500.0750.0900.0120.0180.0240.0300.0360.0420.0480.0540.0600.0840.1050.1260.0100.0150.0200.0250.0300.0350.0400.0450.0500.0720.0900.1080.0140.0210.0280.0350.0420.0490.0560.0630.0700.0960.1200.1440.0120.0180.0240.0300.0360.0420.0480.0540.0600.0840.1050.1260.0160.0240.0320.0400.0480.0560.0640.0720.0800.1080.1350.1620.0140.0210.0280.0350.0420.0490.0560.0630.0700.0960.1200.1440.0180.0270.0360.0450.0540.0630.0720.0810.0900.1200.1500.1802.02.22.52.83.03.54.04.55.06.07.08.09.010.00.1000.1320.1500.1680.1800.2450.2800.3150.3500.4800.5600.7200.8700.9000.1400.1760.2000.2240.2400.3150.3600.4050.4500.6000.7000.8800.9901.1000.1200.1540.1750.1960.2100.2800.3200.3600.4000.5400.6300.8000.9001.0000.1600.1980.2250.2520.2700.3500.4000.4500.5000.6600.7700.9601.0801.2000.1400.1760.2000.2240.2400.3150.3600.4050.4500.6000.7000.8800.9901.1000.1800.2200.2500.2800.3000.3850.4400.4900.5500.7200.8401.0401.1701.3000.1600.1980.2250.2520.2700.3500.4000.4500.5000.6600.7700.9601.0801.2000.2000.2400.2750.3080.3300.4200.4800.5400.6000.7800.9101.1201.1261.400表2-10机电行业常用冲裁间隙值Z材料厚度T8、45、1Cr18Ni9Q215、Q235、35CrMo、QSnP10-1、D41、D4408F、10、15、H62T1、T2、T3L2、L3、L4、L5ZminZmaxZminZmaxZminZmaxZminZmax0.350.50.81.01.21.51.82.02.53.03.54.04.55.06.08.010.00.030.040.090.110.140.190.230.280.370.480.580.680.790.901.161.752.440.050.080.120.150.180.230.270.320.430.540.650.760.881.001.261.872.560.020.030.060.080.100.130.170.200.250.330.420.520.640.750.971.462.040.050.070.100.120.140.170.220.240.310.390.490.600.720.851.071.582.160.010.020.040.050.070.080.120.130.160.210.250.320.380.450.600.851.140.030.040.070.080.100.120.160.180.220.270.330.400.460.550.700.971.26-0.020.0250.040.050.060.070.080.110.140.180.210.260.300.400.600.80-0.030.0450.060.070.100.110.120.170.200.260.290.340.400.500.720.92我国《冲裁间隙指导性技术文件》推荐的间隙值见表2-11。表2-11《冲裁间隙指导性技术文件》推荐的间隙值C(单面间隙c=%t)ⅠⅡⅢ08F、10F、10、20、Q2353.0~7.07.0~10.010.0~12.545、4Cr13、1Cr18Ni9Ti3.5~8.08.0~11.011.0~15.0T8A、T10A、65Mn8.0~12.012.0~15.015.0~18.0纯铝L2、L3、L4、L5、黄铜(软态)H62、紫铜(软态)T1、T2、T32.0~4.04.5~6.06.5~9.0黄铜(硬态)、紫铜(硬态)3.0~5.05.5~8.08.5~11.0铝合金(硬态)LY12锡磷青铜、铝青铜、铍青铜3.5~6.07.0~10.011.0~13.0镁合金1.5~2.5硅钢2.5~5.55.0~9.0适用场合冲件断面质量、尺寸精度要求高时,采用小间隙,冲模寿命较低冲件断面质量、尺寸精度要求一般时,采用中等间隙。因残余应力小,能减少破裂现象,适用于继续塑性变形的制件冲件断面质量、尺寸精度要求不高时,采用大间隙,以利于提高冲模寿命注:1.本表适用厚度为10mm以下的金属材料。考虑到料厚对间隙比值的影响,将料厚分成0.1~1.0;1.2~3.0;3.5~6.0;7.0~10.0mm四档,金属料厚为0.1~1.0mm时,各类间隙比值取下限值,并以此为基数,随着料厚的增加,再逐档递增(0.5~1.0)%t(有色金属和低碳钢取小值,中碳钢和高碳钢取大值)。2.凸、凹模的制造偏差和磨损均使间隙变大,故新模具应取最小间隙值。3.其它金属材料的间隙比值可参考表中抗剪强度相近的材料选取。分类间隙比值材料

1、当您付费下载文档后,您只拥有了使用权限,并不意味着购买了版权,文档只能用于自身使用,不得用于其他商业用途(如 [转卖]进行直接盈利或[编辑后售卖]进行间接盈利)。
2、本站所有内容均由合作方或网友上传,本站不对文档的完整性、权威性及其观点立场正确性做任何保证或承诺!文档内容仅供研究参考,付费前请自行鉴别。
3、如文档内容存在违规,或者侵犯商业秘密、侵犯著作权等,请点击“违规举报”。

碎片内容

国内模具制造企业常用的冲裁间隙数值表

确认删除?
VIP
微信客服
  • 扫码咨询
会员Q群
  • 会员专属群点击这里加入QQ群
客服邮箱
回到顶部