电脑桌面
添加小米粒文库到电脑桌面
安装后可以在桌面快捷访问

创建河北省安全文明示范工地实施方案VIP免费

创建河北省安全文明示范工地实施方案_第1页
1/15
创建河北省安全文明示范工地实施方案_第2页
2/15
创建河北省安全文明示范工地实施方案_第3页
3/15
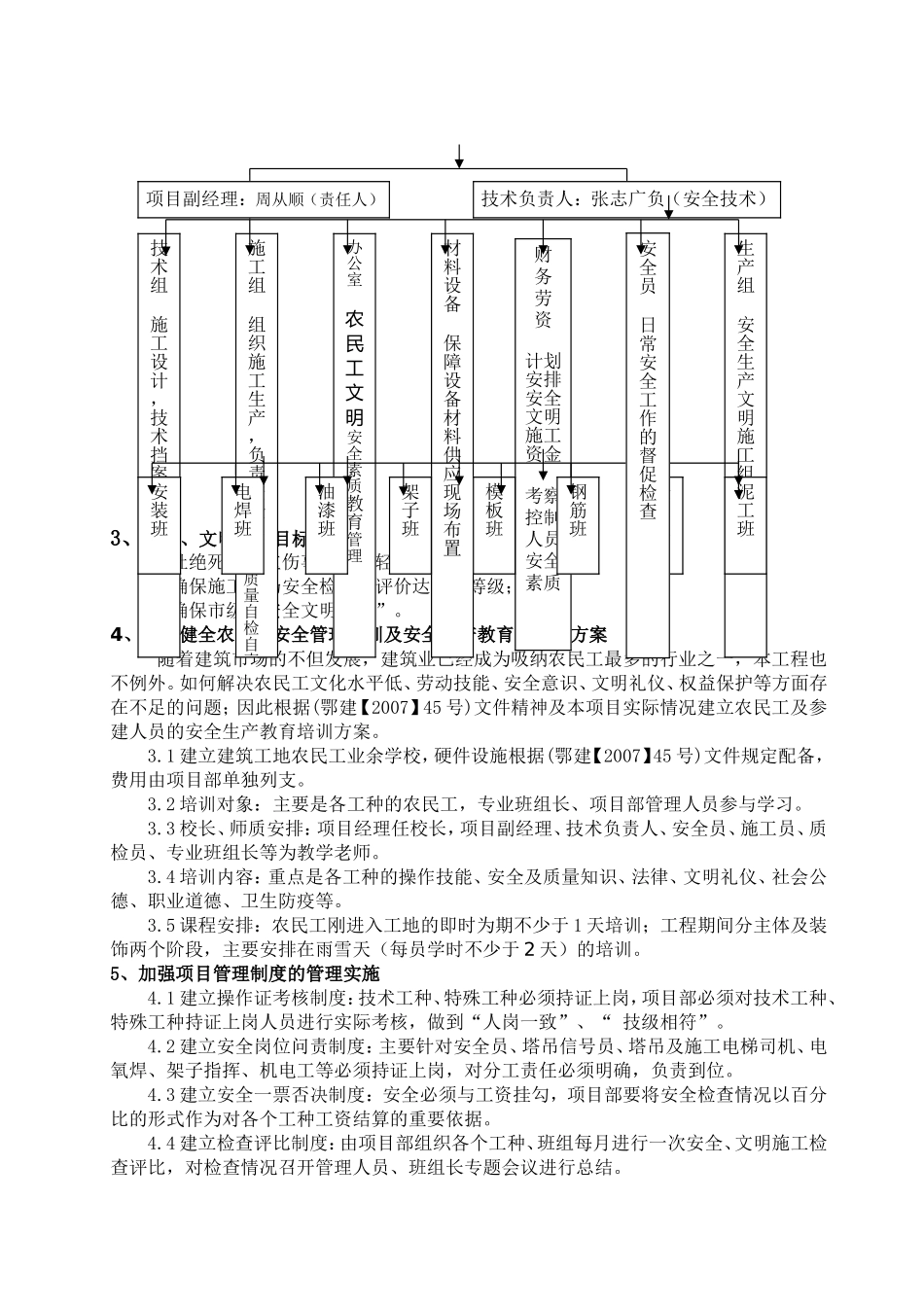
中铁·秦皇半岛三区二期A工程23#、24#楼创建河北省安全文明示范工地实施方案及措施本着以人为本的企业发展理念,不断改善施工现场作业和生活条件,正确引导项目部走向可持续性发展的健康之路,根据河北省建筑施工安全质量标准化示范工地的相关要求,特制定此创建河北省安全文明示范工地的工作方案。本工作方案在确保安全生产、文明施工物力、财力投入基础上,主要是建立健全一套行之有效的项目管理制度及施工保证体系,实行目标责任制管理以保证安全生产、文明施工的根基不动摇。一、工程概况1、工程简介:中铁·秦皇半岛三区二期A工程楼号建筑面积(m2)建筑高度(m)层数层高(m)结构类型23#楼26273.3693.95地下2层,地上32层2.9剪力墙24#楼11481.9155.05地下2层,地上18层3剪力墙2、建设单位:秦皇岛中铁置业房地产开发有限责任公司3、设计单位:中旭建筑设计有限责任公司4、监理单位:河北方舟工程项目管理有限公司5、施工单位:中铁电气化局集团第三工程有限公司6、开竣日期:2013年06月1日。竣工日期:2014年10月10日7、工程地址:秦皇岛市海港区南岭路以东、规划一路以南、横断山路以西、规划二路以北。二、安全生产、文明施工的项目管理保证体系1、建立健全与配合本工作方案同时执行的相关文件1.1项目“安全生产责任制”1.2项目“安全生产教育制度”1.3项目“安全文明施工管理制度”1.4项目“安全生产检查制度”1.5项目“职工伤亡事故的报告、调查、处理制度”1.6项目“班组班前安全活动制度”1.7项目“消防管理制度”1.8国家及省、市关于安全生产、文明施工的相关文件及规定等。2、安全生产、文明施工项目管理体系图项目经理:熊青林(负责人)3、安全、文明管理目标3.1杜绝死亡及重伤事故,年轻伤少于1.5‰人;3.2确保施工现场安全检查和评价达优良等级;3.3确保市级“安全文明工地”。4、建立健全农民工安全管理培训及安全生产教育的工作方案随着建筑市场的不但发展,建筑业已经成为吸纳农民工最多的行业之一,本工程也不例外。如何解决农民工文化水平低、劳动技能、安全意识、文明礼仪、权益保护等方面存在不足的问题;因此根据(鄂建【2007】45号)文件精神及本项目实际情况建立农民工及参建人员的安全生产教育培训方案。3.1建立建筑工地农民工业余学校,硬件设施根据(鄂建【2007】45号)文件规定配备,费用由项目部单独列支。3.2培训对象:主要是各工种的农民工,专业班组长、项目部管理人员参与学习。3.3校长、师质安排:项目经理任校长,项目副经理、技术负责人、安全员、施工员、质检员、专业班组长等为教学老师。3.4培训内容:重点是各工种的操作技能、安全及质量知识、法律、文明礼仪、社会公德、职业道德、卫生防疫等。3.5课程安排:农民工刚进入工地的即时为期不少于1天培训;工程期间分主体及装饰两个阶段,主要安排在雨雪天(每员学时不少于2天)的培训。5、加强项目管理制度的管理实施4.1建立操作证考核制度:技术工种、特殊工种必须持证上岗,项目部必须对技术工种、特殊工种持证上岗人员进行实际考核,做到“人岗一致”、“技级相符”。4.2建立安全岗位问责制度:主要针对安全员、塔吊信号员、塔吊及施工电梯司机、电氧焊、架子指挥、机电工等必须持证上岗,对分工责任必须明确,负责到位。4.3建立安全一票否决制度:安全必须与工资挂勾,项目部要将安全检查情况以百分比的形式作为对各个工种工资结算的重要依据。4.4建立检查评比制度:由项目部组织各个工种、班组每月进行一次安全、文明施工检查评比,对检查情况召开管理人员、班组长专题会议进行总结。施工组组织施工生产,负责安全生产质量自检自查办公室农民工文明安全素质教育管理材料设备保障设备材料供应现场布置财务劳资计划安排安全文明施工资金考察控制人员安全素质生产组安全生产文明施工组织组安排项目副经理:周从顺(责任人)技术负责人:张志广负(安全技术)技术组施工设计,技术挡案资料安装班电焊班油漆班架子班模板班钢筋班砼工班泥工班安全员日常安全工作的督促检查4.5结合工程特点及现场认真编写各项施工方案及专项方案;项目部管理人员、各个工种班组长必须对各项施工方案及专项方...

1、当您付费下载文档后,您只拥有了使用权限,并不意味着购买了版权,文档只能用于自身使用,不得用于其他商业用途(如 [转卖]进行直接盈利或[编辑后售卖]进行间接盈利)。
2、本站所有内容均由合作方或网友上传,本站不对文档的完整性、权威性及其观点立场正确性做任何保证或承诺!文档内容仅供研究参考,付费前请自行鉴别。
3、如文档内容存在违规,或者侵犯商业秘密、侵犯著作权等,请点击“违规举报”。

碎片内容

创建河北省安全文明示范工地实施方案

金钥匙书屋+ 关注
实名认证
内容提供者

热爱教育事业,爱好互联网行业

确认删除?
VIP
微信客服
  • 扫码咨询
会员Q群
  • 会员专属群点击这里加入QQ群
客服邮箱
回到顶部