电脑桌面
添加小米粒文库到电脑桌面
安装后可以在桌面快捷访问

建设项目全过程跟踪审计表格-工程类VIP免费

建设项目全过程跟踪审计表格-工程类_第1页
1/21
建设项目全过程跟踪审计表格-工程类_第2页
2/21
建设项目全过程跟踪审计表格-工程类_第3页
3/21
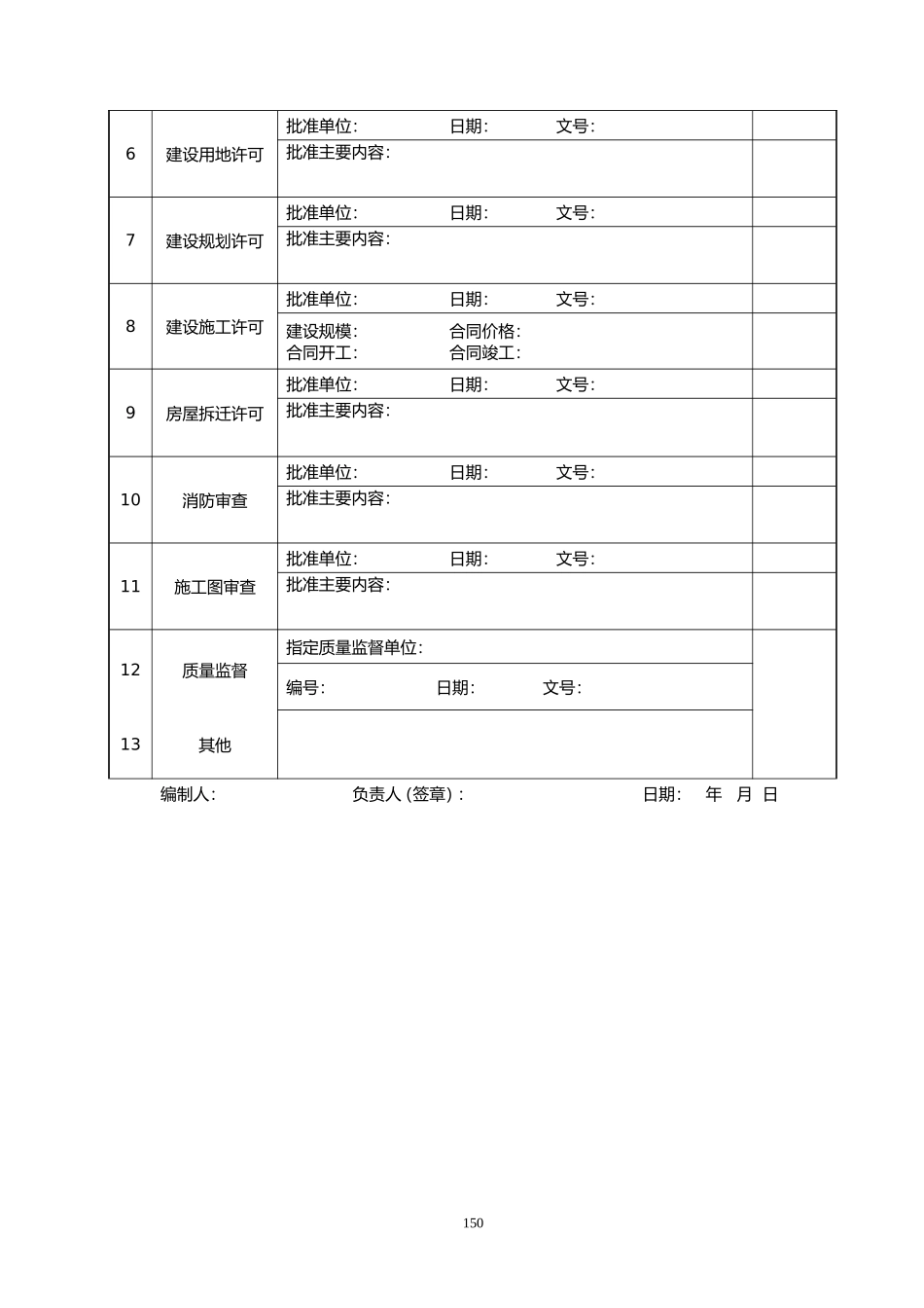
附表-工程类序号表格名称二工程类(B)表B-1基建程序执行情况调查表表B-2建设项目管理制度调查表表B-3建设项目基本情况表表B-4审计相关资料提供情况一览表表B-5招投标情况审查表表B-6合同管理情况审查表表B-7合同付款情况审查表表B-8合同分包情况审查表表B-9合同变更情况审查表表B-10工程进度情况统计表表B-11工程进度款支付审批单表B-12工程变更审批情况审查表表B-13工程变更价款审批单表B-14工程签证价款审批单表B-15材料、设备价款审批单表B-16工程索赔审批单表B-17工程造价审计情况统计表表B-18项目的社会效益和社会影响情况统计表148表B-1基建程序执行情况调查表项目名称:序号基建程序名称批准情况备注1项目建议书报送单位:日期:文号:编制单位:资质:批准单位:日期:文号:申请总投资:批准总投资:申请建筑面积:批准建筑面积:2环境影响评估报告报送单位:日期:文号:编制单位:资质:批准单位:日期:文号:批准主要内容:3可行性研究报告报送单位:日期:文号:编制单位:资质:批准单位:日期:文号:申请总投资:批准总投资:申请建筑面积:批准建筑面积:批准主要内容:4初步设计概算报送单位:日期:文号:编制单位:资质:编制主要内容:批准单位:日期:文号:批准主要内容:5概算调整报送单位:日期:文号:编制单位:资质:编制主要内容:批准单位:日期:文号:批准主要内容:1496建设用地许可批准单位:日期:文号:批准主要内容:7建设规划许可批准单位:日期:文号:批准主要内容:8建设施工许可批准单位:日期:文号:建设规模:合同价格:合同开工:合同竣工:9房屋拆迁许可批准单位:日期:文号:批准主要内容:10消防审查批准单位:日期:文号:批准主要内容:11施工图审查批准单位:日期:文号:批准主要内容:12质量监督指定质量监督单位:编号:日期:文号:13其他编制人:负责人(签章):日期:年月日150表B-2建设项目管理制度调查表项目名称:序号项目有关管理制度有无健全完善情况备注好中差1工程发包与设备、材料的招投标制度2合同管理制度3质量控制制度4进度控制制度5工程物资采购、保管、收发制度6档案管理制度7成本控制制度8财务管理制度9建设资金专户存储、专款专用10财、钱、物分开管理11固定资产保管、定期盘点制度12债权、债务定期清理核对制度13非正常损失核销报批制度14各类工程申请、审计、审批制度15161718192021审计人员:复核:日期:说明:1.好——制度得到全面有效的落实,未发现明显失控;2.中——制度基本得到落实,发现有失控现象;3.差——制度未能得到有效落实,失控现象较为普遍。151表B-3建设项目基本情况表编号:建设单位单位地址:项目名称建设地址项目法人代表联系电话财务负责人联系电话建设时间计划开、竣工日期年月日至年月日实际开、竣工日期年月日至年月日可研报告编制单位估算投资万元批准估算单位及文号批复日期初步设计编制单位概算投资万元批准概算单位及文号批复日期调整概算单位文号调整后概算万元主要参建单位设计单位勘察单位监理单位施工总承包单位主要专业分包单位分包工程名称分包工程名称计划投资来源万元实际投资来源万元万元万元万元万元建设规模目前工程形象进度累计付款万元其他需要说明的事项:152编制:审核:日期:年月日153表B-4审计相关资料提供情况一览表单位名称:编制人:日期索引号:项目名称:复核人:日期页次:序号资料名称资料来源是否提供提供时间备注1…2…3…4…5…6…7…8…9…154表B-5招投标情况审查表单位:万元序号工程项目概算金额标底价招标方式招标组织形式公告日期投标日期投标评委成员中标合同价备注投标单位数量最终评标价中标单位资质中标价制表:复核:年月日155表B-6合同管理情况审查表客户:编制:日期:索引号:会计期间(或工程项目):复核:日期:页次:序号合同编号合同名称核对内容金额条款是否合规、完备是否全面履行合同变更、解除是否履行手续合同纠纷及金额和处理情况是否存在签订合同失职或利用职权通过合同转移资金问题违约者是否依照有关条款追究责任其他备注156表B-7合同付款情况审查表美元人民币原始凭证内容完整帐务处理正确付款审批单按合同规...

1、当您付费下载文档后,您只拥有了使用权限,并不意味着购买了版权,文档只能用于自身使用,不得用于其他商业用途(如 [转卖]进行直接盈利或[编辑后售卖]进行间接盈利)。
2、本站所有内容均由合作方或网友上传,本站不对文档的完整性、权威性及其观点立场正确性做任何保证或承诺!文档内容仅供研究参考,付费前请自行鉴别。
3、如文档内容存在违规,或者侵犯商业秘密、侵犯著作权等,请点击“违规举报”。

碎片内容

建设项目全过程跟踪审计表格-工程类

您可能关注的文档

金钥匙书屋+ 关注
实名认证
内容提供者

热爱教育事业,爱好互联网行业

确认删除?
VIP
微信客服
  • 扫码咨询
会员Q群
  • 会员专属群点击这里加入QQ群
客服邮箱
回到顶部