电脑桌面
添加小米粒文库到电脑桌面
安装后可以在桌面快捷访问

底板混凝土施工方案(正式)VIP免费

底板混凝土施工方案(正式)_第1页
1/21
底板混凝土施工方案(正式)_第2页
2/21
底板混凝土施工方案(正式)_第3页
3/21
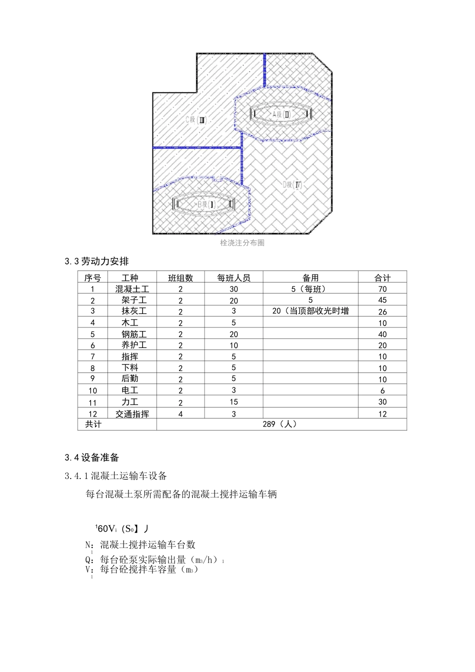
5#、1.1.混凝土结构工程施工质量验收规GB50204-2002)1.普通混凝土用砂质量标准及检验方JGJ52-92)1.普通混凝土用碎石或卵石质量标准及检验方JGJ53-92)1.普通混凝土配合比设计技术规JGJ/55-2000)1.混凝土质量控制标GB50164-92)1.混凝土泵送施工技术规JGJ/T10-82)1.施工现场临时用电安全技术规JGJ46-88)1.10《建筑工程质量检验评定标GB50300-2001)1.11《建筑工程资料管理规DBJ01-51-2003)1.编制依据1.1深圳市国际印象建筑设计有限公司《南阳市净土庵城中城改造都市春天小区6#、7#楼》工程结构、建筑图纸,及有关设计变更通知单南阳市净土庵城中城改造都市春天小区5#、6#、7#楼项目施工组织设计》2.工程概况2.1地理位置本工程位于南阳市天山路中段。2.2结构设计基础底板为平板筏基整,个底板由沉降后浇带伸、缩后浇带划分成6个板块。根据设计要求在A、B两座塔楼外侧各设置沉降后浇带带宽1.4m另外在10〜11/LS、1〜8/1〜J和8〜9/E〜K间设置三道伸缩后浇带。裙房区域底板厚度主要为00mm800mmA、B主楼底板厚度2000mm、2500mm。其中A、B主楼核心区底板底标高分别为-20.6m、-24m。板底最深部位底标高为-28.2m。共有26个集水坑。按照设计要求后浇带采用比相应结构部位高一级的微膨胀混凝土浇注,伸缩后浇带在结构浇注两个月后合缝,沉降后浇带在主体结构封顶后合缝。底板混凝土标号C35,抗渗1.0Mpa,内掺多功能复合膨胀剂;底板保护层下部40mm,上部保护层25mm。3.施工安排3.1施工组织由于本工程底板较厚,混凝土量大,且大体积混凝土的技术要求高,为了确保底板大体积混凝土的顺利浇筑和浇筑质量,项目经理部将成立以现场经理为首的大体积混凝土施工领导小组,浇筑之前召开专题交底会和动员大会,充分作好准备工作,为大体积砼的成功浇筑奠定坚实的基础。项目经理部为保证对底板大体积砼的浇筑、养护等各项工作,配备包括分包在内的两套人员,管理、监督控制砼的施工过程、施工顺序、底板砼的施工质量。底板砼施工管理人员安排序号管理职责值班时间(白班)值班时间(夜班)1施工总指挥1人2现场协调1人1人3质量总监1人4质监员3人3人5试验员2人2人6测温记录员2人2人7标咼、轴线测量员2人2人8现场临水、临电2人2人9安全监督2人2人3.2流水段划分及工程量底板设计共有339m沉降后浇带和144m伸缩后浇带,后浇带宽400mm按照后浇带及膨胀带留设位置把底板分成B、C、D四个施工段,每个施工段分别浇筑砼。施工顺序D—C—A—B(见后页混凝土浇筑图)。由于本工程周边施工用地十分有限,特别是场地的东、南两面更是狭窄,根据以往同类情况工程施工经验,A、B楼底板混凝土浇筑输送采用混凝土泵和搭设溜槽相结合的办法,C、D楼采用混凝土泵浇筑方法。各部分底板面积及混凝土量见下表:注顺序DCAB合计面积(m2)6570.76830.32938.53267.521000m2砼量(m3)5545.3554962926909.924297.2m3预计施工时间2003-92003-92003-102003-10栓浇注分布圈3.3劳动力安排序号工种班组数每班人员备用合计1混凝土工2305(每班)702架子工2205453抹灰工2320(当顶部收光时增加)264木工25105钢筋工220406养护工210207指挥25108下料25109后勤251010电工23611力工2153012交通指挥4312共计289(人)3.4设备准备3.4.1混凝土运输车设备每台混凝土泵所需配备的混凝土搅拌运输车辆160Vi(S0】丿N:混凝土搅拌运输车台数1Q:每台砼泵实际输出量(m3/h)1V:每台砼搅拌车容量(m3)130.660x6(60x40xI25+30=11(辆)丿5060x6(60x40xI25+30二18(辆)S:混凝土搅拌运输车平均的车速度(km/h)0L:混凝土搅拌车往返距离(km),取定40km1T:每台混凝土搅拌车总计停歇时间(min)1总计:11X2+18X2+5=63(辆)3.4.2混凝土泵机械设备(1)混凝土泵的平均泵送量Q的计算1根据Qi=Qmax/JQ:每台砼泵的实际平均输出量m3/h)1Q:每台砼泵的最大输出量613/h)maxa:配管条件系数,取0.8〜0.9n:作业效率,可取0.5〜0.7本工程采用的砼泵最大输送能力为60m3/ha=0.85n=0.6Q=60x0.85x0.6=30.6(m3/h)13.5主要机械设备机械设备一览表序号设备名称型号单位数量性能1固定式塔吊K30/21B台170米臂长2固定式塔吊H3/36B台260米臂长3固定式塔吊H3/36B台155米臂长4固定式塔吊...

1、当您付费下载文档后,您只拥有了使用权限,并不意味着购买了版权,文档只能用于自身使用,不得用于其他商业用途(如 [转卖]进行直接盈利或[编辑后售卖]进行间接盈利)。
2、本站所有内容均由合作方或网友上传,本站不对文档的完整性、权威性及其观点立场正确性做任何保证或承诺!文档内容仅供研究参考,付费前请自行鉴别。
3、如文档内容存在违规,或者侵犯商业秘密、侵犯著作权等,请点击“违规举报”。

碎片内容

底板混凝土施工方案(正式)

确认删除?
VIP
微信客服
  • 扫码咨询
会员Q群
  • 会员专属群点击这里加入QQ群
客服邮箱
回到顶部