电脑桌面
添加小米粒文库到电脑桌面
安装后可以在桌面快捷访问

AutoBank计算某水库大坝渗流计算资料VIP免费

AutoBank计算某水库大坝渗流计算资料_第1页
1/15
AutoBank计算某水库大坝渗流计算资料_第2页
2/15
AutoBank计算某水库大坝渗流计算资料_第3页
3/15
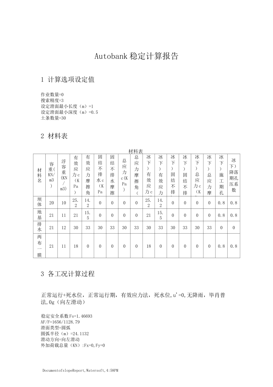
DocumentofslopeReport,Watersoft,4:58PM稳定计算原理简介按照对附加孔隙水压力的不同考虑,稳定计算分为总应力法和有效应力法,总应力法不考虑孔隙水压力,采用总应力强度指标(快剪指标);有效应力法计入附加孔隙水压力,采用有效应力强度指标。有效应力法是通用计算方法,适用于各种工况。稳定渗流期认为附加孔隙水压力已经消散不予考虑,施工期和水位降落期对粘性土应该计入附加孔隙水压力。在没有实测资料的情况下,附加孔隙水压力=孔压系数X土条有效重量的增量。表计算方法和对应的强度指标计算方法适用工况采用强度指标总应力法施工期快剪指标(ce),十字板强度uuuu水位降落期有效强度(c‘护)和固结不排水指标(ccuecu)的OU.OU.下包线有效应力法施工期有效强度指标(c'e'),计算附加孔隙压力稳定渗流期有效强度指标&'e‘),不计算附加孔隙压力水位降落期有效强度指标&'e‘),计算附加孔隙压力稳定计算根据不同假定有多种经典计算方法,瑞典法、毕晓普法,摩根斯顿法等,具体公式参见《碾压式土石坝设计规范》,《堤防工程设计规范》等相关文献。计算时需要求最小安全系数的滑弧位置,有关计算由软件自动实现。DocumentofslopeReport,Watersoft,4:58PMAutobank稳定计算报告1计算选项设定值作业数量=0搜索精度=3设定滑面最小长度(m)=1设定滑面最小深度(m)=0.5土条数量=302材料表材料表材料名容重(KN/m3)浮容重(KN/m3)有效应力c(KPa)有效应力摩擦角(固结不排水c(KPa)固结不排水摩擦角总应力c(KPa)总应力摩擦角(度冰下)有效应力c(K冰下)有效应力摩冰下)固结不排水c冰下)固结不排水冰下)总应力c(KPa冰下)总应力摩擦冰下)施工期孔压冰下)降落期孔压系数坝体填201025.214.2000025.214.200000.80.8地基土21112115.500002115.500000.80.8排水棱211230333033303330333033303300两布一膜2111180000018000000.80.83各工况计算过程正常运行+死水位,正常运行期,有效应力法,死水位,u'=0,无降雨,毕肖普法,0g(向左滑动)稳定安全系数Fs=1.46693AF/F=1656/1128.79滑面类型=圆弧圆弧半径(m)=24.1132滑动方向=向左滑动外加荷载总量(KN):Fx=0,Fy=0DocumentofslopeReport,Watersoft,4:58PM土条宽度(m)=1.034表:分条几何数据ix0y0g0h(m)l(m)SINCOSTAN土层数11006311.9312.40.45871.109-0.36090.9326-0.387321007311.5312.91.3491.091-0.3180.9481-0.3355331008311.2313.42.1881.076-0.27510.9614-0.2862341009310.9313.92.9761.063-0.23220.9727-0.2388351010310.7314.43.7171.053-0.18940.9819-0.1928361011310.5314.94.411.045-0.14640.9892-0.148371012310.4315.55.0571.04-0.10360.9946-0.1041381013310.33165.661.036-0.060660.9982-0.06077391014310.3316.56.2171.034-0.017760.9998-0.017763101015310.33176.7311.0340.025140.99970.025143111016310.3317.57.1991.0370.068030.99770.068193121017310.43187.6231.0410.11090.99380.11163131018310.6318.68.0021.0470.15380.98810.15573141019310.7319.18.3351.0550.19670.98050.20063151020311319.68.6211.0650.23960.97090.24683161021311.3320.18.8581.0780.28250.95930.29453171022311.6320.69.0451.0940.32540.94560.34423181023312321.19.1791.1120.36830.92970.39623191024312.4321.79.2581.1340.41120.91150.45112201025312.9322.29.2781.1610.45410.89090.50972211026313.5322.79.2361.1920.4970.86770.57282221027314.1323.29.1251.2290.53990.84170.64152231028314.8323.78.9391.2730.58290.81260.71732241029315.6324.38.6711.3260.62580.780.80232251030316.5324.88.3081.3910.66870.74350.89942261031317.4325.17.6511.4720.71160.70251.0131271032318.6325.16.5331.5760.75460.65621.151281033319.8325.15.2541.7140.79760.60321.3221291034321.3324.93.5321.9090.84060.54161.5521301036323.1324.31.2352.210.88380.46791.8891说明:有效重:浸润线以上为自然容重,浸润线以下浮容重.总重:计算地震惯性力所用重量,浸润线以下饱和容重.渗流水重:浸润线和坡外水位之间的水流重量.增量重:土条...

1、当您付费下载文档后,您只拥有了使用权限,并不意味着购买了版权,文档只能用于自身使用,不得用于其他商业用途(如 [转卖]进行直接盈利或[编辑后售卖]进行间接盈利)。
2、本站所有内容均由合作方或网友上传,本站不对文档的完整性、权威性及其观点立场正确性做任何保证或承诺!文档内容仅供研究参考,付费前请自行鉴别。
3、如文档内容存在违规,或者侵犯商业秘密、侵犯著作权等,请点击“违规举报”。

碎片内容

AutoBank计算某水库大坝渗流计算资料

您可能关注的文档

确认删除?
VIP
微信客服
  • 扫码咨询
会员Q群
  • 会员专属群点击这里加入QQ群
客服邮箱
回到顶部