电脑桌面
添加小米粒文库到电脑桌面
安装后可以在桌面快捷访问

CAD制图公司标准 (2)VIP免费

CAD制图公司标准 (2)_第1页
1/13
CAD制图公司标准 (2)_第2页
2/13
CAD制图公司标准 (2)_第3页
3/13
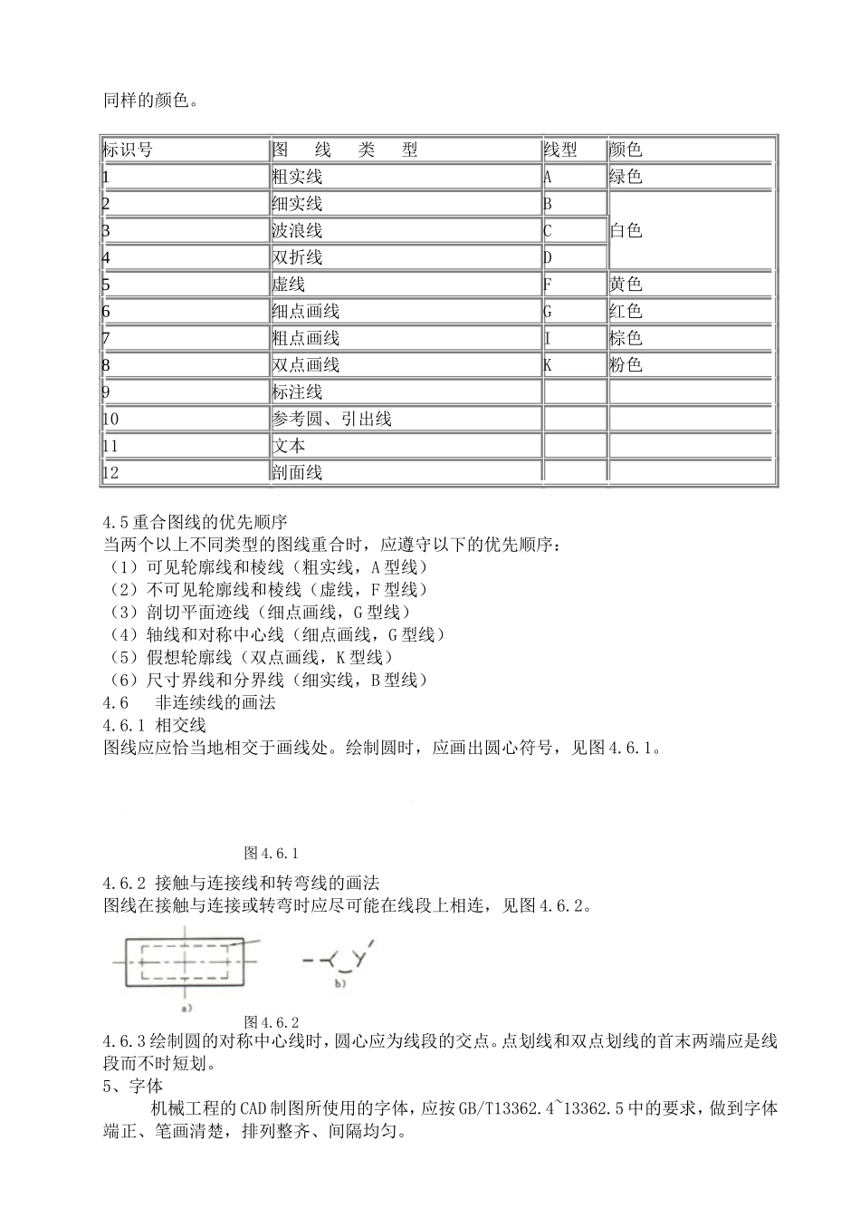
1、目的为了使本公司CAD制图实现规范化、标准化、网络化,使CAD出图符合程序要求,特制定本标准。规范化——有效提高设计的工作质量;标准化——提高设计的工作效率;网络化——便于网络上规范化管理和成果的共享。2、适用范围2.1本公司向顾客提供的设计文件(产品、工装、检具等图纸)。2.2本公司内部的各种指导书、流程图、设施图。3、基本原则3.1凡在计算机及其外围设备中绘制机械工程图样时,如涉及本标准中未规定的内容,应符合有关标准和规定。3.2在机械工程制图中用CAD绘制的机械工程图样,首先应考虑表达准确,看图方便。在完整、清晰、准确地表达机件各部分形状的前提下,力求制图简便。3.3用CAD绘制机械图样时,尽量采用CAD新技术。3.4本标准为形成公司绘图表达的风格的统一,不提倡个人绘图表达风格,各类正规CAD制图的表达应清晰、完整、统一。4、图线在机械工程的CAD制图中,所用图线,除按照以下的规定外,还应遵守GB/T17450中的规定。4.1图线组别为了便于机械工程的CAD制图需要,将GB/T17450中所规定的8种线型分为以下几组,见表4.1。一般优先采用第4组。表4.1组别12345一般用途线宽mm2.01.41.00.70.5粗实线、粗点画线1.00.70.50.350.25细实线、波浪线、双折线、虚线、细点画线、双点画线4.2线宽(1)每个图样可采用三种线宽,粗线和细线之比不应小于2∶1。(2)线宽应从以下范围内选取:0.18,0.25,0.35,0.5,0.7,1.0,1.4,2.0mm。(3)用于复制或缩微的图纸应避免选用0.18mm或0.25mm的线宽。(4)相互平行的图线,其最小间距不宜小于0.7mm。(5)图幅线宽图框线应采用1mm线宽。标题栏外框线应采用0.7mm线宽。幅面线、标题栏分格线和会签栏线应采用0.35mm线宽。4.3线型宜选用表4.3所示的线型。4.4图线颜色屏幕上显示图线,一般应按表2中提供的颜色显示,并要求相同类型的图线应采用表4.3线型同样的颜色。标识号图线类型线型颜色1粗实线A绿色2细实线B白色3波浪线C4双折线D5虚线F黄色6细点画线G红色7粗点画线I棕色8双点画线K粉色9标注线10参考圆、引出线11文本12剖面线4.5重合图线的优先顺序当两个以上不同类型的图线重合时,应遵守以下的优先顺序:(1)可见轮廓线和棱线(粗实线,A型线)(2)不可见轮廓线和棱线(虚线,F型线)(3)剖切平面迹线(细点画线,G型线)(4)轴线和对称中心线(细点画线,G型线)(5)假想轮廓线(双点画线,K型线)(6)尺寸界线和分界线(细实线,B型线)4.6非连续线的画法4.6.1相交线图线应应恰当地相交于画线处。绘制圆时,应画出圆心符号,见图4.6.1。4.6.2接触与连接线和转弯线的画法图线在接触与连接或转弯时应尽可能在线段上相连,见图4.6.2。4.6.3绘制圆的对称中心线时,圆心应为线段的交点。点划线和双点划线的首末两端应是线段而不时短划。5、字体机械工程的CAD制图所使用的字体,应按GB/T13362.4~13362.5中的要求,做到字体端正、笔画清楚,排列整齐、间隔均匀。图4.6.1图4.6.25.1数字一般应以斜体输出。5.2小数点小数点进行输出时,应占一个字位,并位于中间靠下处。5.3字母一般应以斜体输出。5.4汉字汉字在输出时一般采用正体仿宋体字,并采用国家正式公布和推行的简化字。5.5标点符号标点符号应按其含义正确使用,除省略号和破折号为两个字位外,其余均为一个符号一个字位。5.6字体与图纸幅面之间的选用关系参见表5.6。表5.6图幅字体hA0A1A2A3A4汉字53.5字母与数字h=汉字、字母和数字的高度5.7字体的最小字(词)距、行距以及间隔线或基准线与书写字体的最小距离见表5.7表5.7字体最小距离汉字字距1.5行距2间隔线或基准线与汉字的间距1字母与数字字符0.5词距1.5行距1间隔线或基准线与字母、数字的间距1当汉字与字母、数字混合使用时,字体的最小字距、行距等应根据汉字的规定使用。6、尺寸标注6.1尺寸线的终端形式6.1.1机械工程的CAD制图中所使用的尺寸线的终端形式(箭头)有如下几种供选用,其具体尺寸比例一般参照GB4458.4中的有关规定,见图6.1.16.1.2在图样中一般按实心箭头、开口箭头、空心箭头、斜线的顺序选用。6.1.3当尺寸线的终端采用斜线时,尺寸线与尺寸界线必须互相垂直。6.1.4同一张图样中一般只采用一种尺寸...

1、当您付费下载文档后,您只拥有了使用权限,并不意味着购买了版权,文档只能用于自身使用,不得用于其他商业用途(如 [转卖]进行直接盈利或[编辑后售卖]进行间接盈利)。
2、本站所有内容均由合作方或网友上传,本站不对文档的完整性、权威性及其观点立场正确性做任何保证或承诺!文档内容仅供研究参考,付费前请自行鉴别。
3、如文档内容存在违规,或者侵犯商业秘密、侵犯著作权等,请点击“违规举报”。

碎片内容

CAD制图公司标准 (2)

确认删除?
VIP
微信客服
  • 扫码咨询
会员Q群
  • 会员专属群点击这里加入QQ群
客服邮箱
回到顶部