电脑桌面
添加小米粒文库到电脑桌面
安装后可以在桌面快捷访问

低温钢焊接工艺标准VIP免费

低温钢焊接工艺标准_第1页
1/11
低温钢焊接工艺标准_第2页
2/11
低温钢焊接工艺标准_第3页
3/11
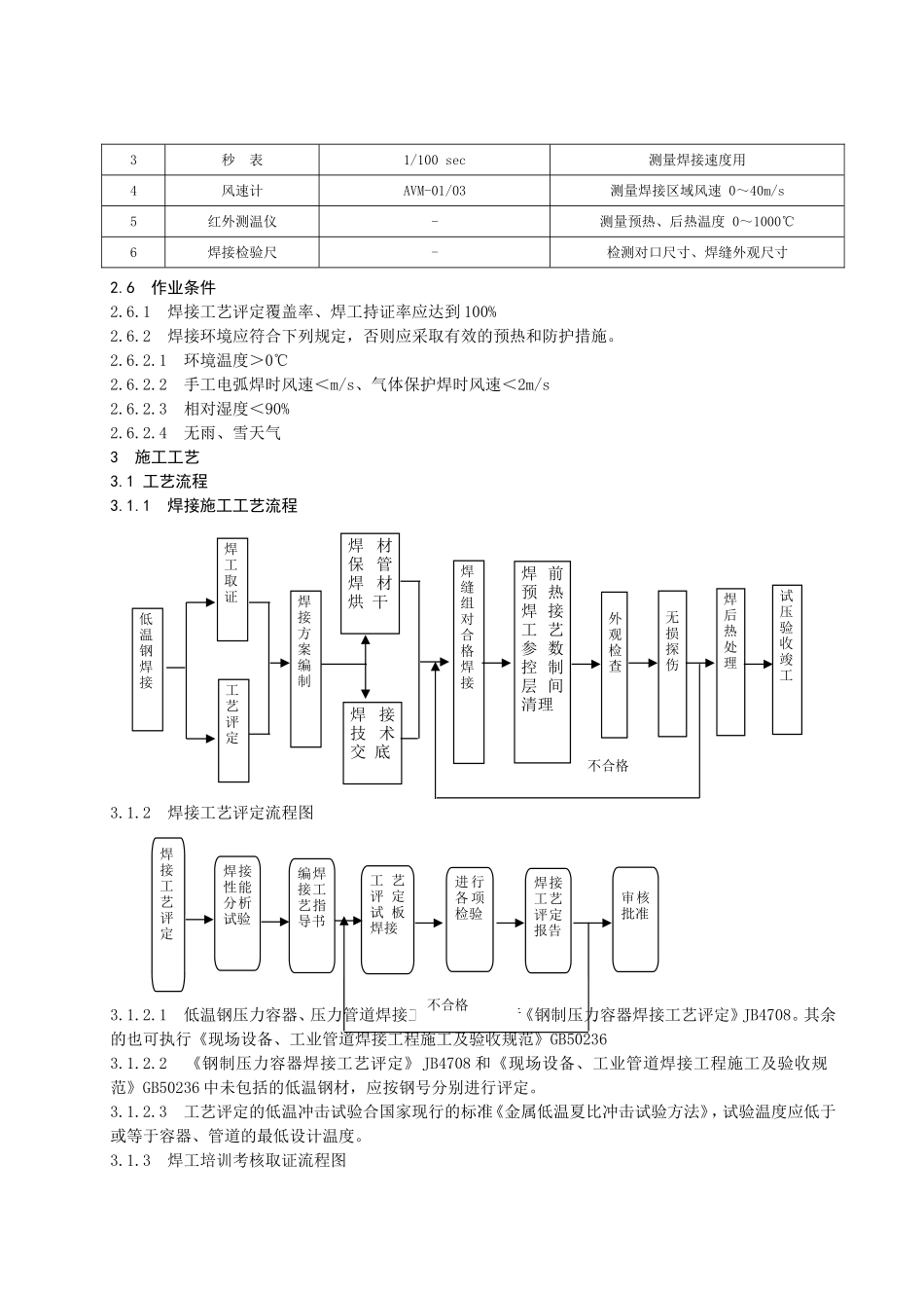
低温钢焊接工艺标准1适用范围本工艺标准适用于设计温度为-20℃~-196℃的低温设备、管道用的无镍低温合金钢和含镍钢的手工电弧焊、埋弧自动焊、手工钨极氩弧焊及熔化极气体保护焊的焊接施工。2施工准备2.1技术准备(施工标准、规范)2.1.1《工业金属管道工程施工及验收规范》GB502352.1.2《现场设备、工业管道焊接工程施工及验收规范》GB502362.1.3《石油化工剧毒、可燃介质管道工程施工及验收规范》SH35012.1.4《石油化工低温钢焊接规程》SH35252.1.5《钢制低温压力容器设计规定》HG205852.1.6《钢制压力容器》GB1502.1.7《压力容器安全技术监察规程》2.1.8《钢制压力容器焊接工艺评定》JB47082.1.9《钢制压力容器焊接规程》JB/T47092.1.10《压力容器无损检测》JB47302.1.11《焊条质量管理规程》JB32232.2作业人员表2.2主要作业人员序号工种技术鉴定证安全操作证其它资质1电焊工中、高级持证低温钢项目焊工合格证2管工中、高级持证3铆工中、高级持证4气割工中、高级持证5热处理工中、高级持证6探伤检测人员/持证操作持Ⅰ持证,评定持Ⅱ级证注:焊工合格证考核按《锅炉压力容器压力管道焊工考试与管理规侧》或《现场设备、工业管道焊接工程施工及验收规范》GB50236进行考试。2.3材料检查验收2.3.1低温钢钢板、钢管、管件及锻件(1)低温钢钢板、钢管、管件及锻件应具有出厂合格证和质量证明书。其检验项目及技术要求标准应符合国家标准或行业标准。(2)低温钢钢板、钢管、管件及锻件材料入库前应核对材料牌号和质量证明书。施工前应进行外观检查,其表面不得有裂纹、气泡、缩孔、重皮、夹渣等缺陷,否则应进行消除,消除深度不应超过材料的负偏差。(3)用于制造压力容器受压元件的低温钢材,应进行复验,复验内容应按《钢制压力容器》GB150-98附录C规定。(4)国外材料应符合合同规定的材料标准,并按相应材料标准进行复验。(5)低温钢钢板、钢管及管件必须按要求进行低温夏比(V型缺口)冲击试验。因材料截面尺寸太小无法制取5mm×10mm×55mm小尺寸试样可除外。(6)低温夏比(V型缺口)冲击试验最低冲击功规定表2.3.1(6)低温夏比(V型缺口)冲击试验最低冲击功规定钢材标准抗拉强度下限值σbMpa三个试样的冲击功平均值Akv.J10mm×10mm×55mm5mm×10mm×55mm≤450189450>σb≤5152010515<σb<6552714注:试验温度下三个试样的冲击功平均值不得低于表中的规定;其中单个试样的冲击功可小于平均值,但不得小于平均值的70%(7)低温钢钢板、钢管、管件及锻件的使用状态、冲击韧性试验及无损检测要求应符合国家标准或行业标准外还应符合设计文件的规定。2.3.2焊接材料(1)低温钢焊条应符合国家现行的《低合金钢焊条》GB5118。(2)低温钢焊丝应符合国家现行的《气体保护电弧焊用碳钢,低合金钢焊丝》GB/T8110的规定,焊剂应符合国家现行规范标准。(3)国外焊材应符合生产国相应的技术标准的要求。(4)焊接材料入库时,应核查其质量证明书,同时检查包装状况,不得有破损、受潮、锈蚀等现象。(5)焊条应按批进行药皮含水量或熔敷金属扩散氢含量的复验,其检验方法按相应的焊条标准或技术要求。(6)钨极气体保护焊所用的氩气应符合国家现行的标准《氩气》GB4842的规定,且纯度不应低于99.96%2.4主要工机具2.4.1设备表2.4.1设备一览表序号机具名称型号备注1焊接电源ZX5-(400-630)可控硅式焊接或碳弧气刨用2焊接电源ZX7-(250-400)逆变式焊接使用3焊接电源WS-(165-315)可控硅式氩弧焊机4焊接电源MZ-(500-1000)埋弧焊用5焊材烘烤箱ZYHC-(60-150)烘烤和储藏焊条使用6空气等离子切割机PS-99切割厚度1~40mm2.4.2各种设备性能应完好,电流电压等仪表应在检测周期内,焊接电源宜安放在通风的集装箱内。2.4.3工具:焊接面罩、焊条保温筒、清渣锤、钢丝刷、气割工具、角向磨光机。2.5测量及计量器具表2.5计量器具一览表序号器具名称型号备注1电流表DM6056A检测焊接电流、电压2温湿度表JWS-A4测量焊接区域及仓库温湿度3秒表1/100sec测量焊接速度用4风速计AVM-01/03测量焊接区域风速0~40m/s5红外测温仪-测量预热、后热温度0~1000℃6焊接检验尺-检测对口尺寸、焊缝外观尺寸2.6...

1、当您付费下载文档后,您只拥有了使用权限,并不意味着购买了版权,文档只能用于自身使用,不得用于其他商业用途(如 [转卖]进行直接盈利或[编辑后售卖]进行间接盈利)。
2、本站所有内容均由合作方或网友上传,本站不对文档的完整性、权威性及其观点立场正确性做任何保证或承诺!文档内容仅供研究参考,付费前请自行鉴别。
3、如文档内容存在违规,或者侵犯商业秘密、侵犯著作权等,请点击“违规举报”。

碎片内容

低温钢焊接工艺标准

确认删除?
VIP
微信客服
  • 扫码咨询
会员Q群
  • 会员专属群点击这里加入QQ群
客服邮箱
回到顶部