电脑桌面
添加小米粒文库到电脑桌面
安装后可以在桌面快捷访问

办公场所安全检查表VIP免费

办公场所安全检查表_第1页
1/2
办公场所安全检查表_第2页
2/2
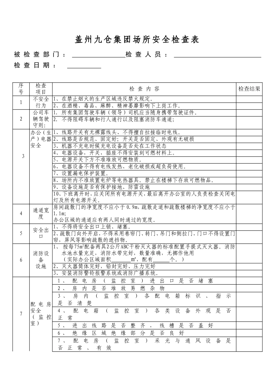
盖州九仓集团场所安全检查表被检查部门:检查人员:检查日期:序号检查项目检查内容检查结果1不安全行为1、在禁止烟火的生产区域违反禁火规定。2、在酒精、毒品、麻醉、精神萎靡影响下上岗工作。2公司车辆驾驶守则:1.所有集团驾驶车辆(领导)司机应当随身携带驾驶证件。2.不得阻碍车辆和行人通行以及阻塞消防车通道;3办公(生产)电器安全1、线路开关有无裸露线头、不得擅自拉接临时电线。2、线路是否规范、固定好;开关是否固定、外观有无破损3、机器不充电时候充电设备是否处在工作状态4、电器设备,开关,插座不得安装到可燃材料上。5、电源开关下方不准堆放可燃物质。6、电器设备不得有电线发热、老化破损或超负荷使用。7、设置漏电保护装置。8、场所内不准放置电炉等电热器具。禁止在楼梯下存放可燃物品。9、设备设施是否有保护接地、防雷设施10、下班离开时,应关闭所有电源开关,最后离开办公室的人负责检查关闭电灯及所有电源开关。4通道宽度房间疏散门的净宽度不应小于0.9m,疏散走道和疏散楼梯的净宽度不应小于1.1m;办公区域的通道应有两人同时通过的宽度。5安全出口1、不得将安全出口上锁、堵塞。2、疏散门向外开启,不得采用卷帘门、转门、吊门和侧拉门,门口不得设置门帘,屏风等影响疏散的遮挡物。6消防设备设施1、按每75m2配备两具2公斤ABC干粉灭火器的标准配置手提式灭火器。消防水池水量充足,消防水带完好,数量准确,无挪作他用(实际办公区域面积㎡,配有个。)2、灭火器筒体完好,铅封完好、压力完好3、安装消防警铃报警系统或消防广播系统。7配电房安全(监控室)1、配电房(监控室)进出口是否堵塞2、房内是否堆放易燃杂物3、房内(监控室)各配电箱标识、指示是否清楚4、配电箱(监控室)各类设备外观是否正常5、进出线路是否整齐,线槽是否盖好6、绝缘区域绝缘部分是否良好7、配电房(监控室)采光与通风设备是否正常、有效8指示标志照明1.疏散通道和安全出口处设置了蓄电式应急照明灯疏散指示标志。(抽查断电测试)2.应急逃生指示标识明确、清晰。9办公家具和设施:1、吸烟应到指定区域,在允许吸烟的场所应提供烟灰缸;禁烟区应张贴“禁止吸烟”的警告标志。2、不应有尖锐棱角、文件橱柜、办公桌的抽屉不用时应保持关闭。3、桌椅、文件柜处于良好状态且放置正确、稳固,不会阻挡人行通道或撞到人。4、不得在文件柜的顶部放置重物、尖锐物、玻璃等易碎物品或液体容器。11小区单元抽查声控灯好坏、楼梯通道是否畅通、管道井内是否有杂物、墙体瓷砖是否有脱落现象12防盗措施巡视重点、重要物品的存放检查是否落实13食堂使用的液化钢瓶气是否存在按照定期检测、使用管是否有泄露;电气蒸锅的电是否安全个人防护、刀具的使用、环境安全隐患、排油烟机的效果不良,或未妥善清洗,其积存的油垢有酿成火灾的危险。14宿舍电器使用、电线情况

1、当您付费下载文档后,您只拥有了使用权限,并不意味着购买了版权,文档只能用于自身使用,不得用于其他商业用途(如 [转卖]进行直接盈利或[编辑后售卖]进行间接盈利)。
2、本站所有内容均由合作方或网友上传,本站不对文档的完整性、权威性及其观点立场正确性做任何保证或承诺!文档内容仅供研究参考,付费前请自行鉴别。
3、如文档内容存在违规,或者侵犯商业秘密、侵犯著作权等,请点击“违规举报”。

碎片内容

办公场所安全检查表

您可能关注的文档

确认删除?
VIP
微信客服
  • 扫码咨询
会员Q群
  • 会员专属群点击这里加入QQ群
客服邮箱
回到顶部