电脑桌面
添加小米粒文库到电脑桌面
安装后可以在桌面快捷访问

IATF16949:2016风险评估分析表VIP免费

IATF16949:2016风险评估分析表_第1页
1/6
IATF16949:2016风险评估分析表_第2页
2/6
IATF16949:2016风险评估分析表_第3页
3/6
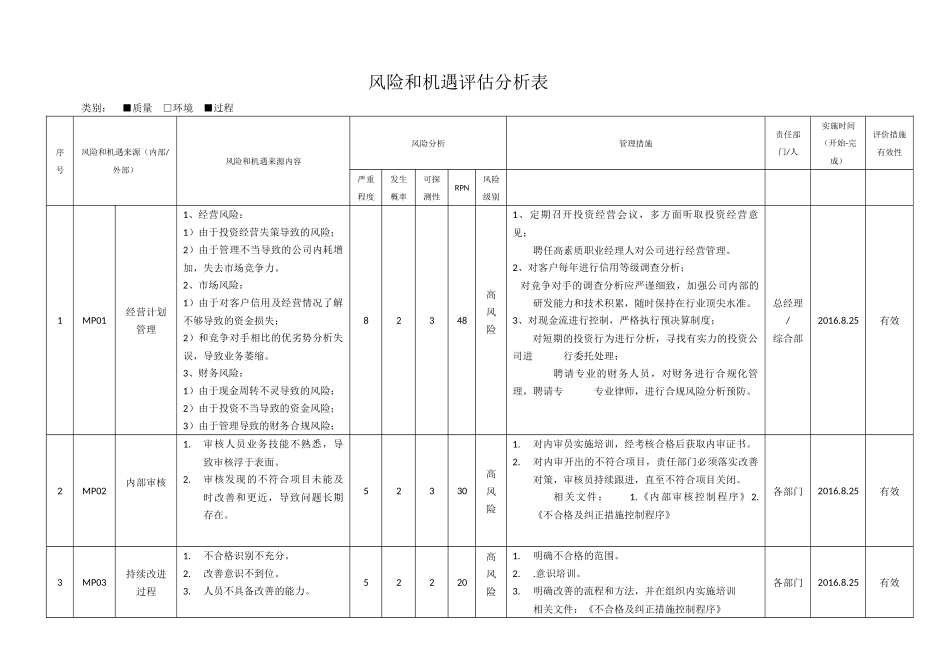
风险和机遇评估分析表类别:■质量□环境■过程序号风险和机遇来源(内部/外部)风险和机遇来源内容风险分析管理措施责任部门/人实施时间(开始-完成)评价措施有效性严重程度发生概率可探测性RPN风险级别1MP01经营计划管理1、经营风险:1)由于投资经营失策导致的风险;2)由于管理不当导致的公司内耗增加,失去市场竞争力。2、市场风险:1)由于对客户信用及经营情况了解不够导致的资金损失;2)和竞争对手相比的优劣势分析失误,导致业务萎缩。3、财务风险:1)由于现金周转不灵导致的风险;2)由于投资不当导致的资金风险;3)由于管理导致的财务合规风险;82348高风险1、定期召开投资经营会议,多方面听取投资经营意见;聘任高素质职业经理人对公司进行经营管理。2、对客户每年进行信用等级调查分析;对竞争对手的调查分析应严谨细致,加强公司内部的研发能力和技术积累,随时保持在行业顶尖水准。3、对现金流进行控制,严格执行预决算制度;对短期的投资行为进行分析,寻找有实力的投资公司进行委托处理;聘请专业的财务人员,对财务进行合规化管理,聘请专专业律师,进行合规风险分析预防。总经理/综合部2016.8.25有效2MP02内部审核1.审核人员业务技能不熟悉,导致审核浮于表面。2.审核发现的不符合项目未能及时改善和更近,导致问题长期存在。52330高风险1.对内审员实施培训,经考核合格后获取内审证书。2.对内审开出的不符合项目,责任部门必须落实改善对策,审核员持续跟进,直至不符合项目关闭。相关文件:1.《内部审核控制程序》2.《不合格及纠正措施控制程序》各部门2016.8.25有效3MP03持续改进过程1.不合格识别不充分。2.改善意识不到位。3.人员不具备改善的能力。52220高风险1.明确不合格的范围。2..意识培训。3.明确改善的流程和方法,并在组织内实施培训相关文件:《不合格及纠正措施控制程序》各部门2016.8.25有效序号风险和机遇来源(内部/外部)风险和机遇来源内容风险分析管理措施责任部门/人实施时间(开始-完成)评价措施有效性严重程度发生概率可探测性RPN风险级别4MP04组织环境及相关方管理过程1.组织环境识别不齐全。2.相关方要求识别不完整。52330高风险1.定期进行监视和评审。2.采取以对策。总经理2016.8.25有效5MP05应对风险和机遇过程1.风险识别不齐全。2.风险没有制订相应的措施。3.措施没有得到有效的实施。43336高风险制订风险对策相关文件:《风险和机遇控制程序》各部门2016.8.25有效6MP06领导作用1.领导对管理体系不重视,没有履行足够的承诺2.未能配置足够的资源。41312一般风险1.在管理体系中重点体现总经理的作用,确保总经理能够履行承诺。2.通过对体系的监视和测量,配置足够的资源。相关文件:《管理手册》总经理2016.8.25有效7MP07管理评审1.输入项目不全。2.输出项目未能有效落实。62336高风险1.管理评审计划要反复确认,将每一项输入落实到责任部门。2.总经理确保每一项输入均得到评审。3.输出项目需要执行“谁去做?”、“怎么做?”“什么时候完成?”,以确保管理评审的输出得到有效落实。4.每年的管理评审务必评审上年度输出的执行情况。相关文件:《管理评审控制程序》总经理各部门2016.8.25有效8MP08数据分析数据信息不准确,导致分析的结论不合理。52330高风险1.要求用于数据分析的数据必须保持准确。2.公司责成品技部负责对数据的真实性,实施监督和验证。相关文件:《数据分析与评价控制程序》各部门2016.8.25有效9MP09质量管理体系策划1.策划质量管理体系时,遗漏了要求。2.策划的控制措施不能满足质量52330高风险1.策划质量管理体系时,应识别产品要满足的所有要求,包括客户提出的、隐含的、以及法律法规或行业特定的要求。总经理各部门2016.8.25有效序号风险和机遇来源(内部/外部)风险和机遇来源内容风险分析管理措施责任部门/人实施时间(开始-完成)评价措施有效性严重程度发生概率可探测性RPN风险级别管理体系各项要求的控制。2.各项要求的控制措施要经过不断的讨论、改进,最终确定,以确保控制措施的有效性。3.策划各过程的控制要求必须依照PDCA过程发放展开。10MP10信息交流1.交流的对象不明确;2.交流的方法不...

1、当您付费下载文档后,您只拥有了使用权限,并不意味着购买了版权,文档只能用于自身使用,不得用于其他商业用途(如 [转卖]进行直接盈利或[编辑后售卖]进行间接盈利)。
2、本站所有内容均由合作方或网友上传,本站不对文档的完整性、权威性及其观点立场正确性做任何保证或承诺!文档内容仅供研究参考,付费前请自行鉴别。
3、如文档内容存在违规,或者侵犯商业秘密、侵犯著作权等,请点击“违规举报”。

碎片内容

IATF16949:2016风险评估分析表

金钥匙书屋+ 关注
实名认证
内容提供者

热爱教育事业,爱好互联网行业

确认删除?
VIP
微信客服
  • 扫码咨询
会员Q群
  • 会员专属群点击这里加入QQ群
客服邮箱
回到顶部