电脑桌面
添加小米粒文库到电脑桌面
安装后可以在桌面快捷访问

钣金加工工艺流程VIP免费

钣金加工工艺流程_第1页
1/12
钣金加工工艺流程_第2页
2/12
钣金加工工艺流程_第3页
3/12
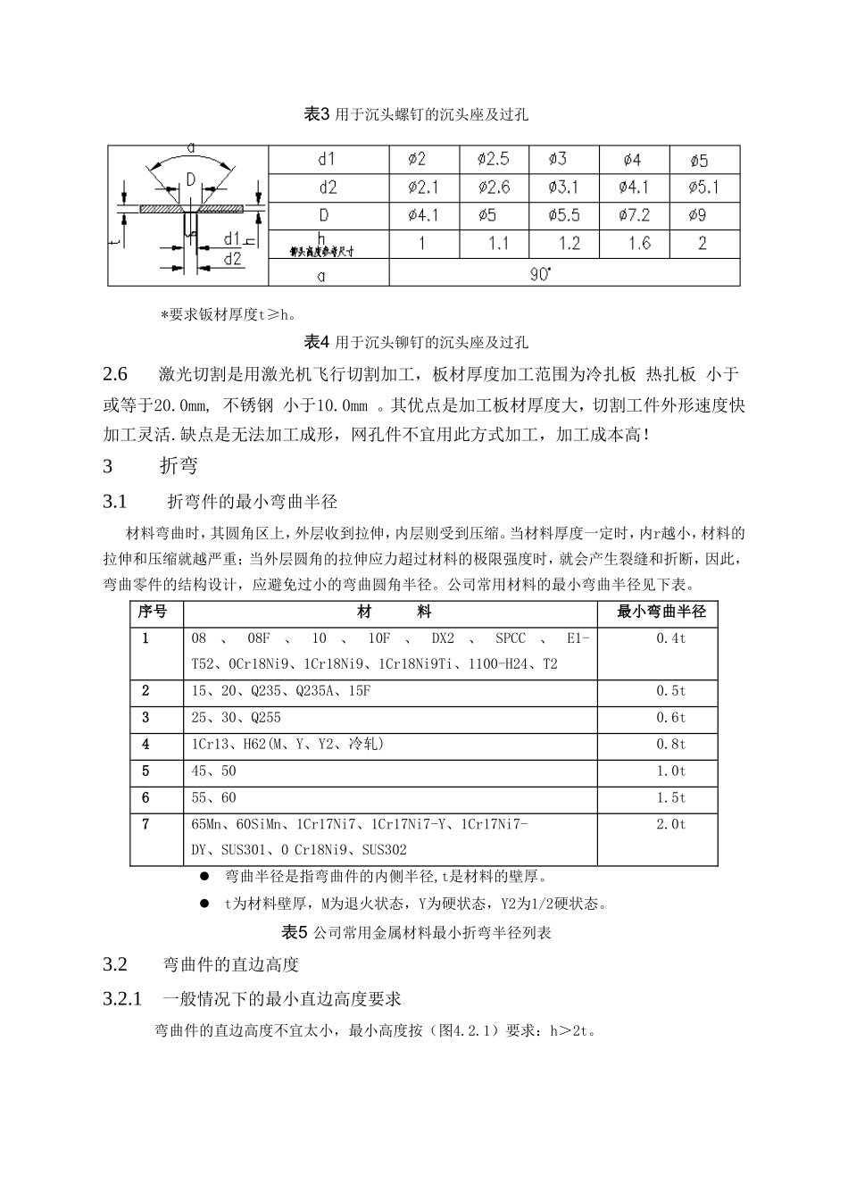
钣金加工工艺流程1简介1.1简介按钣金件的基本加工方式,如下料、折弯、拉伸、成型、焊接。本规范阐述每一种加工方式所要注意的工艺要求。1.2关键词钣金、下料、折弯、拉伸、成形、排样、最小弯曲半径、毛边、回弹、打死边、焊接2下料下料根据加工方式的不同,可分为普冲、数冲、剪床开料、激光切割、风割,由于加工方法的不同,下料的加工工艺性也有所不同。钣金下料方式主要为数冲和激光切割2.1数冲是用数控冲床加工,板材厚度加工范围为冷扎板、热扎板小于或等于3.0mm,铝板小于或等于4.0mm,不锈钢小于或等于2.0mm2.2冲孔有最小尺寸要求冲孔最小尺寸与孔的形状、材料机械性能和材料厚度有关。图2.2.1冲孔形状示例材料圆孔直径b矩形孔短边宽b高碳钢1.3t1.0t低碳钢、黄铜1.0t0.7t铝0.8t0.5t*t为材料厚度,冲孔最小尺寸一般不小于1mm。*高碳钢、低碳钢对应的公司常用材料牌号列表见第7章附录A。表1冲孔最小尺寸列表2.3数冲的孔间距与孔边距零件的冲孔边缘离外形的最小距离随零件与孔的形状不同有一定的限制,见图2.3.1。当冲孔边缘与零件外形边缘不平行时,该最小距离应不小于材料厚度t;平行时,应不小于1.5t。(图1.4)图2.3.1冲裁件孔边距、孔间距示意图2.4折弯件及拉深件冲孔时,其孔壁与直壁之间应保持一定的距离折弯件或拉深件冲孔时,其孔壁与工件直壁之间应保持一定的距离(图2.4.1)图2.4.1折弯件、拉伸件孔壁与工件直壁间的距离2.5螺钉、螺栓的过孔和沉头座螺钉、螺栓过孔和沉头座的结构尺寸按下表选取取。对于沉头螺钉的沉头座,如果板材太薄难以同时保证过孔d2和沉孔D,应优先保证过孔d2。表2用于螺钉、螺栓的过孔*要求钣材厚度t≥h。表3用于沉头螺钉的沉头座及过孔*要求钣材厚度t≥h。表4用于沉头铆钉的沉头座及过孔2.6激光切割是用激光机飞行切割加工,板材厚度加工范围为冷扎板热扎板小于或等于20.0mm,不锈钢小于10.0mm。其优点是加工板材厚度大,切割工件外形速度快加工灵活.缺点是无法加工成形,网孔件不宜用此方式加工,加工成本高!3折弯3.1折弯件的最小弯曲半径材料弯曲时,其圆角区上,外层收到拉伸,内层则受到压缩。当材料厚度一定时,内r越小,材料的拉伸和压缩就越严重;当外层圆角的拉伸应力超过材料的极限强度时,就会产生裂缝和折断,因此,弯曲零件的结构设计,应避免过小的弯曲圆角半径。公司常用材料的最小弯曲半径见下表。序号材料最小弯曲半径108、08F、10、10F、DX2、SPCC、E1-T52、0Cr18Ni9、1Cr18Ni9、1Cr18Ni9Ti、1100-H24、T20.4t215、20、Q235、Q235A、15F0.5t325、30、Q2550.6t41Cr13、H62(M、Y、Y2、冷轧)0.8t545、501.0t655、601.5t765Mn、60SiMn、1Cr17Ni7、1Cr17Ni7-Y、1Cr17Ni7-DY、SUS301、0Cr18Ni9、SUS3022.0t弯曲半径是指弯曲件的内侧半径,t是材料的壁厚。t为材料壁厚,M为退火状态,Y为硬状态,Y2为1/2硬状态。表5公司常用金属材料最小折弯半径列表3.2弯曲件的直边高度3.2.1一般情况下的最小直边高度要求弯曲件的直边高度不宜太小,最小高度按(图4.2.1)要求:h>2t。图4.2.1.1弯曲件的直边高度最小值3.2.2特殊要求的直边高度如果设计需要弯曲件的直边高度h≤2t,,则首先要加大弯边高度,弯好后再加工到需要尺寸;或者在弯曲变形区内加工浅槽后,再折弯(如下图所示)。压槽h<2t(图1.11)图4.2.2.1特殊情况下的直边高度要求3.2.3弯边侧边带有斜角的直边高度当弯边侧边带有斜角的弯曲件时(图4.2.3),侧面的最小高度为:h=(2~4)t>3mm图1.12)图4.2.3.1弯边侧边带有斜角的直边高度3.3折弯件上的孔边距孔边距:先冲孔后折弯,孔的位置应处于弯曲变形区外,避免弯曲时孔会产生变形。孔壁至弯边的距离见表下表。表6折弯件上的孔边距3.4局部弯曲的工艺切口3.4.1折弯件的弯曲线应避开尺寸突变的位置局部弯曲某一段边缘时,为了防止尖角处应力集中产生弯裂,可将弯曲线移动一定距离,以离开尺寸突变处(图4.4.1.1a),或开工艺槽(图4.4.1.1b),或冲工艺孔(图4.4.1.1c)。注意图中的尺寸要求:S≥R;槽宽k≥t;槽深L≥t+R+k/2。Lk(图1.13)工艺孔图4.4.1.1局部弯曲的设计处理方法3.4.2当孔位于折弯变形区内,所采取的切口形式...

1、当您付费下载文档后,您只拥有了使用权限,并不意味着购买了版权,文档只能用于自身使用,不得用于其他商业用途(如 [转卖]进行直接盈利或[编辑后售卖]进行间接盈利)。
2、本站所有内容均由合作方或网友上传,本站不对文档的完整性、权威性及其观点立场正确性做任何保证或承诺!文档内容仅供研究参考,付费前请自行鉴别。
3、如文档内容存在违规,或者侵犯商业秘密、侵犯著作权等,请点击“违规举报”。

碎片内容

钣金加工工艺流程

您可能关注的文档

确认删除?
VIP
微信客服
  • 扫码咨询
会员Q群
  • 会员专属群点击这里加入QQ群
客服邮箱
回到顶部