电脑桌面
添加小米粒文库到电脑桌面
安装后可以在桌面快捷访问

T梁架设施工专项方案VIP免费

T梁架设施工专项方案_第1页
1/14
T梁架设施工专项方案_第2页
2/14
T梁架设施工专项方案_第3页
3/14
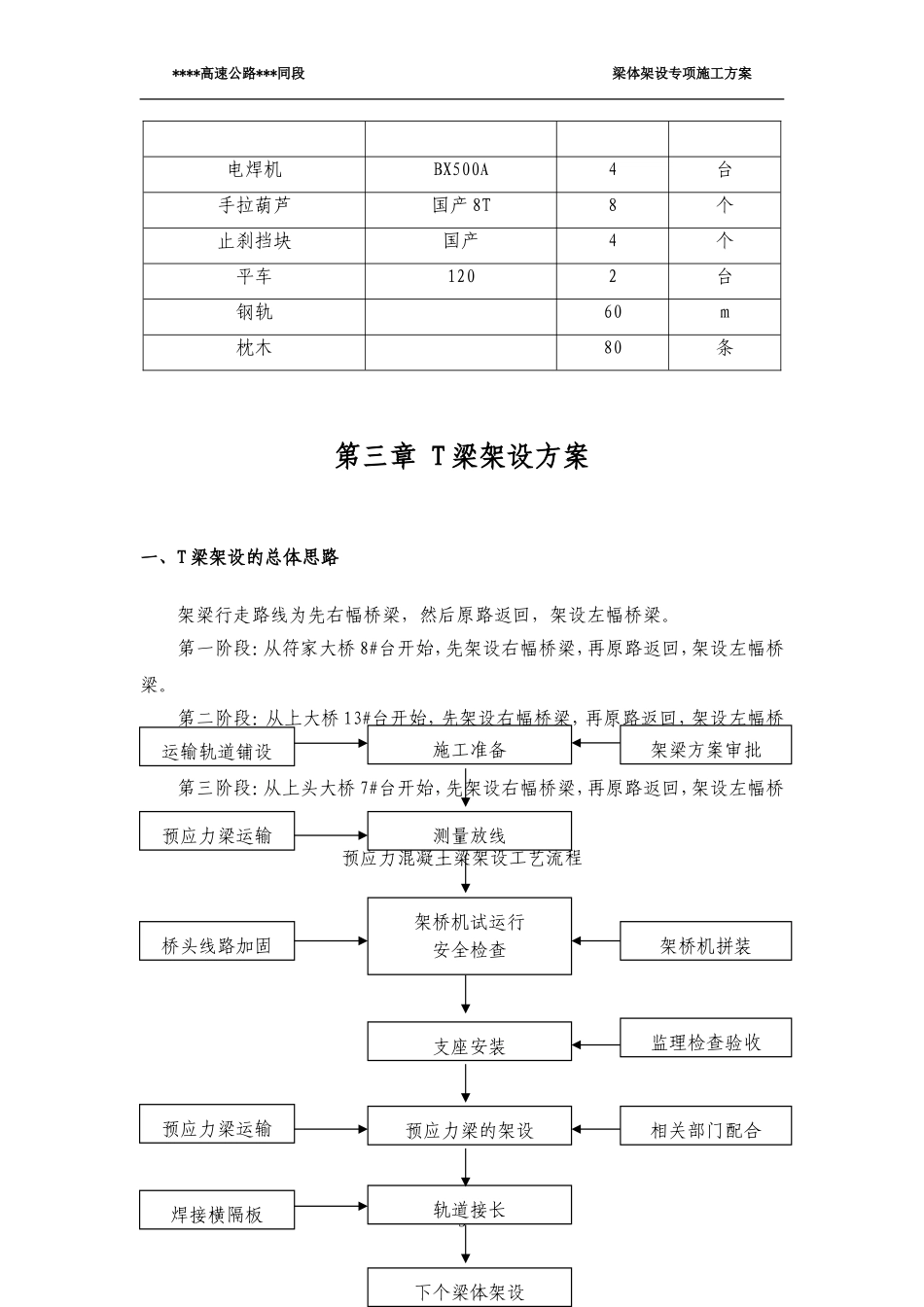
1****高速公路***同段梁体架设专项施工方案梁体架设专项施工方案第一章、编制依据及工程概况一、编制依据1、《公路桥涵施工技术规范》JTG/TF50-2011;2、相关国家或部颁规范及标准;3、高速公路施工标准化管理指南;3、装配式架桥机多用途使用手册及架桥机相关规范;二、工程概述本合同段****高速公路第***合同段,位于光泽县华桥乡境内,起于光泽县华桥乡的茅坪自然村(桩号:YK58+800,ZK58+795),终于光泽县华桥乡铁关村的龚家自然村(桩号:磜YK66+090,ZK66+078),路线总长7.290Km。本合同段桥梁共3座,分别为上元头大桥、上元头大桥、符家大桥。上元大桥上部结构左桥采用3×30+4×30m预应力砼连续T梁,右桥采用3×30+4×30m预应力砼连续T梁。30m跨度每孔5片T梁,梁高2m,主梁间距2.463m,边梁预制宽度2.05m,中梁预制宽度1.7m,翼板间分别留有0.763m现浇湿接缝,主梁腹板厚20cm,马蹄宽50cm,本桥30mT梁共70片。上头大桥上部结构左桥采用4×35m+3×(3×35)m预应力砼连续-刚构T梁,右桥采用4×35m+3×(3×35)m预应力砼连续-刚构T梁。35m跨度每孔5片T梁,梁高2.3m,主梁间距2.4m,边梁预制宽度2.05m,中梁预制宽度1.7m,翼板间分别留有0.7m现浇湿接缝,主梁腹板厚20cm,马蹄宽60cm,本桥35mT梁共130片。符家大桥上部结构左桥采用2×35m预应力砼连续T梁+4×35m预应力砼连续刚构T梁+2×30m预应力砼连续T梁,右桥采用2×30m预应力砼连续T梁+4×35m预应力砼连续刚构T梁+2×30m预应力砼连续T梁。30m跨度每孔5片T梁,梁高2m,主梁间距2.4m,边梁宽度2.05m,中梁预制宽度1.7m,翼板间分别留有0.7m现浇湿接缝,主梁腹板厚20cm,马蹄宽50cm。35m跨度每孔5片T梁,梁高2.3m,主梁间距2.4m,边梁预制宽度2.05m,中梁预制宽度1.7m,翼板间分别留有0.7m现浇湿接缝,主梁腹板厚20cm,马蹄60cm宽。本桥30mT梁共30片,35mT梁共50片。本合同段采用的架桥机型号:HDJH40/160II(A),最大梁重T=105T2****高速公路***同段梁体架设专项施工方案第二章、人员、机械设备配备情况一、T梁架设主要人员投入情况主要管理人员投入表岗位名称数量姓名职责项目副经理1人吴兵负责架梁施工,实施全过程的控制和管理总工1人李坤负责架梁施工工程技术工作项目工程部长1人曾根负责架梁施工质量控制和管理工作项目机料部长1人欧固负责架梁施工的材料、机械进场组织工作桥梁架设施工负责人1人吕华负责架梁施工安装现场施工技术、质量管理工作质检员1人何勇进行架梁施工检查、质量管理工作二、T梁架设施工主要施工人员、机械投入情况主要施工人员表序号岗位单位备注1架梁工人9人2起重作业司机2人3电焊工4人4运梁司机2人正副运梁车各一人5起重信号工2人材料、机械设备一览表:名称规格数量单位架桥机HDJH40/160II(A)1台3****高速公路***同段梁体架设专项施工方案电焊机BX500A4台手拉葫芦国产8T8个止刹挡块国产4个平车1202台钢轨60m枕木80条第三章T梁架设方案一、T梁架设的总体思路架梁行走路线为先右幅桥梁,然后原路返回,架设左幅桥梁。第一阶段:从符家大桥8#台开始,先架设右幅桥梁,再原路返回,架设左幅桥梁。第二阶段:从上大桥13#台开始,先架设右幅桥梁,再原路返回,架设左幅桥梁。第三阶段:从上头大桥7#台开始,先架设右幅桥梁,再原路返回,架设左幅桥梁。预应力混凝土梁架设工艺流程预应力梁运输施工准备测量放线支座安装预应力梁的架设轨道接长下个梁体架设预应力梁运输架梁方案审批架桥机拼装监理检查验收架桥机试运行安全检查焊接横隔板桥头线路加固相关部门配合运输轨道铺设4****高速公路***同段梁体架设专项施工方案二、T梁架设的工期安排架桥机从7月10日开始进场,8月5日开始架设第一片梁,按计划一天两片的速度架设,左右幅转场时间设置为3天,不考虑其他不可预测的因素,预计符家边大桥9月12日架设完毕,上元头2#大桥11月22日架设完毕,上元头1#大桥12月30日架设完毕。三、架桥机简介架桥机采用横截面为三角形的桁架拼装双导梁架桥机,设计吊重为160吨,主要由导梁、起吊平车、前后支腿和运梁平车等组成,主梁全长51米,双导梁中心距为5米,三角形桁架底部宽度为1.4米,高度为2.6米。四、T梁架设...

1、当您付费下载文档后,您只拥有了使用权限,并不意味着购买了版权,文档只能用于自身使用,不得用于其他商业用途(如 [转卖]进行直接盈利或[编辑后售卖]进行间接盈利)。
2、本站所有内容均由合作方或网友上传,本站不对文档的完整性、权威性及其观点立场正确性做任何保证或承诺!文档内容仅供研究参考,付费前请自行鉴别。
3、如文档内容存在违规,或者侵犯商业秘密、侵犯著作权等,请点击“违规举报”。

碎片内容

T梁架设施工专项方案

确认删除?
VIP
微信客服
  • 扫码咨询
会员Q群
  • 会员专属群点击这里加入QQ群
客服邮箱
回到顶部