电脑桌面
添加小米粒文库到电脑桌面
安装后可以在桌面快捷访问

QC小组活动成果VIP免费

QC小组活动成果_第1页
1/11
QC小组活动成果_第2页
2/11
QC小组活动成果_第3页
3/11
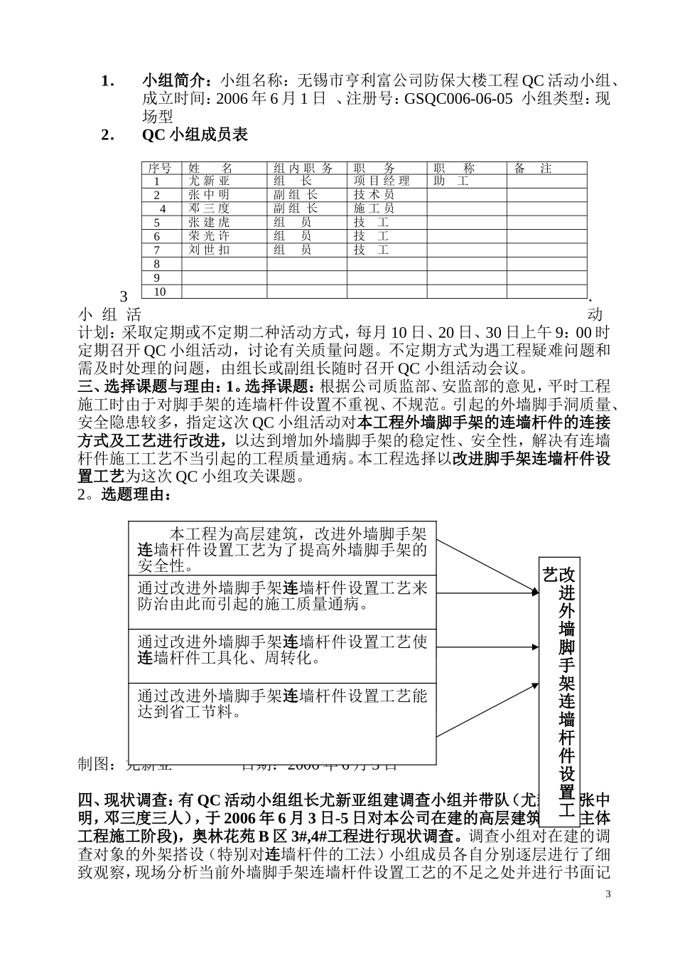
改进外墙脚手架连墙杆件设置工艺QC小组活动成果无锡市亨利富建设发展有限公司1目录一.工程概况二.QC小组成员及活动计划三.选题理由四.现状调查五.目标和可行性认证六.分析原因七.制定改进方法八.现场实施九.效果调查十.体会和打算一.工程概况建设单位:无锡市滨湖区卫生局工程名称:防保大楼工程设计单位:无锡市建筑设计研究院施工单位:无锡市亨利富建设发展有限公司面积:29500㎡结构类型:砼框架层数:12层地下一层开工日期:2006年5月1日竣工日期:2007年2月1日土建完成,现在装潢工程施工中二.QC小组成员与活动计划:21.小组简介:小组名称:无锡市亨利富公司防保大楼工程QC活动小组、成立时间:2006年6月1日、注册号:GSQC006-06-05小组类型:现场型2.QC小组成员表3.小组活动计划:采取定期或不定期二种活动方式,每月10日、20日、30日上午9:00时定期召开QC小组活动,讨论有关质量问题。不定期方式为遇工程疑难问题和需及时处理的问题,由组长或副组长随时召开QC小组活动会议。三、选择课题与理由:1。选择课题:根据公司质监部、安监部的意见,平时工程施工时由于对脚手架的连墙杆件设置不重视、不规范。引起的外墙脚手洞质量、安全隐患较多,指定这次QC小组活动对本工程外墙脚手架的连墙杆件的连接方式及工艺进行改进,以达到增加外墙脚手架的稳定性、安全性,解决有连墙杆件施工工艺不当引起的工程质量通病。本工程选择以改进脚手架连墙杆件设置工艺为这次QC小组攻关课题。2。选题理由:制图:尤新亚日期:2006年6月3日四、现状调查:有QC活动小组组长尤新亚组建调查小组并带队(尤新亚、张中明,邓三度三人),于2006年6月3日-5日对本公司在建的高层建筑工程(主体工程施工阶段),奥林花苑B区3#,4#工程进行现状调查。调查小组对在建的调查对象的外架搭设(特别对连墙杆件的工法)小组成员各自分别逐层进行了细致观察,现场分析当前外墙脚手架连墙杆件设置工艺的不足之处并进行书面记序号姓名组内职务职务职称备注1尤新亚组长项目经理助工2张中明副组长技术员4邓三度副组长施工员5张建虎组员技工6荣光许组员技工7刘世扣组员技工89103本工程为高层建筑,改进外墙脚手架连墙杆件设置工艺为了提高外墙脚手架的安全性。通过改进外墙脚手架连墙杆件设置工艺来防治由此而引起的施工质量通病。通过改进外墙脚手架连墙杆件设置工艺使连墙杆件工具化、周转化。改进外墙脚手架连墙杆件设置工艺通过改进外墙脚手架连墙杆件设置工艺能达到省工节料。录。然后回工地办公室有组长收集现场调查记录,组织会议讨论设置工艺不足之处。调查结果:1.当前各工程采用的外墙脚手架连墙杆件设置工艺以下图较普遍。外架横杆外架立杆外架连墙杆件与预埋固定钢管连接紧固扣件框架边梁框架边柱或剪力墙制图:尤新亚日期:2006年6月5日(图一)2.当前外墙脚手架连墙杆件设置工艺的不足之处:a)该工艺预埋固定一般设在墙体部位,导致留设墙洞较大,不宜堵塞,易产生外墙渗漏隐患。b)在外粉刷前堵墙洞需另设拉结点,割除固定钢管,较为费工,如疏忽没割除固定钢管将钢管砌入墙中,按施工程序既拖拉工期又增加渗漏隐患,且浪费钢管c)在按规定间距预埋固定钢管及设置连墙杆时间距难控制,受截面边长较宽的异型柱、剪力墙限制,如预埋间距恰在异型柱、剪力墙部位需留洞,较难操作且费工,如不按规定间距埋设固定钢管又对外架稳定有影响。d)预埋固定钢管不能回收,降低工程经济效益。五、QC小组活动目标及可行性论证:1.活动目标:a)通过小组活动改进外墙脚手架连墙杆件设置工艺,简化操作引成新的工法。b)通过小组活动改进外墙脚手架连墙杆件设置工艺,防治外架墙洞渗漏隐患。c)通过小组活动改进外墙脚手架连墙杆件设置工艺,使外架连墙杆周转化。d)通过小组活动改进外墙脚手架连墙杆件设置工艺,节约材料降低成本。2.可行性论证:a)这次QC小组活动有公司领导支持和小组成员努力,定能达到预定目标。b)工程现场条件适合QC小组开展活动。4c)工地现有资源条件能满足QC小组开展活动需要。六、通过使用头脑风暴法和系统图分析原因、提出选定改进方案:1.分析原因:召开小组成员会议,使用头脑风暴...

1、当您付费下载文档后,您只拥有了使用权限,并不意味着购买了版权,文档只能用于自身使用,不得用于其他商业用途(如 [转卖]进行直接盈利或[编辑后售卖]进行间接盈利)。
2、本站所有内容均由合作方或网友上传,本站不对文档的完整性、权威性及其观点立场正确性做任何保证或承诺!文档内容仅供研究参考,付费前请自行鉴别。
3、如文档内容存在违规,或者侵犯商业秘密、侵犯著作权等,请点击“违规举报”。

碎片内容

QC小组活动成果

您可能关注的文档

确认删除?
VIP
微信客服
  • 扫码咨询
会员Q群
  • 会员专属群点击这里加入QQ群
客服邮箱
回到顶部