电脑桌面
添加小米粒文库到电脑桌面
安装后可以在桌面快捷访问

测量学课后习题答案VIP免费

测量学课后习题答案_第1页
1/10
测量学课后习题答案_第2页
2/10
测量学课后习题答案_第3页
3/10
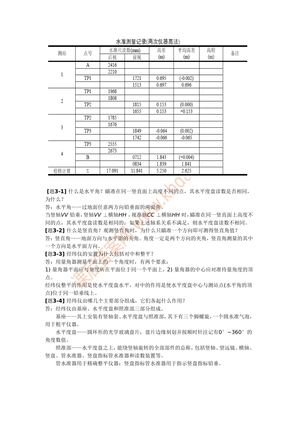
《测量学》习题答案一、测量基本知识[题1-1]测量学研究的对象和任务是什么?答:测量学是研究地球的形状与大小,确定地球表面各种物体的形状、大小和空间位置的科学。测量学的主要任务是测定和测设。测定——使用测量仪器和工具,通过测量与计算将地物和地貌的位置按一定比例尺、规定的符号缩小绘制成地形图,供科学研究和工程建设规划设计使用。测设——将在地形图上设计出的建筑物和构筑物的位置在实地标定出来,作为施工的依据。[题1-2]熟悉和理解铅垂线、水准面、大地水准面、参考椭球面、法线的概念。答:铅垂线——地表任意点万有引力与离心力的合力称重力,重力方向为铅垂线方向。水准面——处处与铅垂线垂直的连续封闭曲面。大地水准面——通过平均海水面的水准面。参考椭球面——为了解决投影计算问题,通常选择一个与大地水准面非常接近的、能用数学方程表示的椭球面作为投影的基准面,这个椭球面是由长半轴为a、短半轴为b的椭圆NESW绕其短轴NS旋转而成的旋转椭球面,旋转椭球又称为参考椭球,其表面称为参考椭球面。法线——垂直于参考椭球面的直线。[题1-3]绝对高程和相对高程的基准面是什么?答:绝对高程的基准面——大地水准面。相对高程的基准面——水准面。[题1-4]“1956年黄海高程系”使用的平均海水面与“1985国家高程基准”使用的平均海水面有何关系?答:在青岛大港一号码头验潮站,“1985国家高程基准”使用的平均海水面高出“1956年黄海高程系”使用的平均海水面0.029m。[题1-5]测量中所使用的高斯平面坐标系与数学上使用的笛卡尔坐标系有何区别?答:x与y轴的位置互换,第Ⅰ象限位置相同,Ⅰ→Ⅱ→Ⅲ→Ⅳ象限顺指针编号,这样可以使在数学上使用的三角函数在高斯平面直角坐标系中照常使用。[题1-6]我国领土内某点A的高斯平面坐标为:xA=2497019.17m,YA=19710154.33m,试说明A点所处的6°投影带和3°投影带的带号、各自的中央子午线经度。答:我国领土所处的概略经度范围为东经73°27′~东经135°09′,位于统一6°带投影的13~23号带内,位于统一3°带投影的24~45号带内,投影带号不重叠,因此,A点应位于统一6°带的19号带内。中央子午线的经度为0L=6×19-3=111°。去掉带号与500km后的Ay=210154.33m,A点位于111°子午线以东约210km。取地球平均曲率半径R=6371km,则210.154km对应的经度差约为(180×210.154)÷(6371π)=1.88996°=1°53′,则A点的概略经度为111°+1.88996°=112.88996°。[题1-7]天文经纬度的基准是大地水准面,大地经纬度的基准是参考椭球面。在大地原点处,大地水准面与参考椭球面相切,其天文经纬度分别等于其大地经纬度。“1954北京坐标系”的大地原点在哪里?“1980西安坐标系”的大地原点在哪里?答:“1954北京坐标系”的大地原点位于前苏联普尔科沃天文台中央,“1980西安坐标系”的大地原点位于我国陕西省西安市径阳县永乐镇石际寺村。[题2-1]何谓视准轴?何谓管水准器轴?水准仪上的圆水准器和管水准器各起什么作用?答:视准轴——望远镜物镜中心(或光心)与十字丝中心点的连线。管水准器轴——管水准器轴内圆弧中点的切线。圆水准器的格值τ一般为8′,比较大,圆水准器用于粗略正平仪器。管水准器的格值τ一般为20″,比较小,管水准器用于使望远镜视准轴精确水平。[题2-2]水准仪有哪些轴线?各轴线间应满足什么条件?答:竖轴VV,圆水准器轴LL”′,视准轴CC,管水准器轴LL,要求VV∥LL”′,CC∥LL,十字丝横丝⊥VV。[题2-3]何谓视差?产生视差的原因是什么?怎样消除视差?答:物像没有准确地成在十字丝分划板上,人眼在目镜端观察的位置不同时,物像相对于十字丝分划板的位置也相应变化。望远镜照准明亮背景,旋转目镜调焦螺旋,使十字丝十分清晰;照准目标,旋转物镜调焦螺旋,使目标像十分清晰。[题2-8]用两次变动仪器高法观测一条水准路线,其观测成果标注在图2-35中,图中视线上方的数字为第二次仪器高的读数,试计算高差hAB。图2-35水准路线测量观测结果答:将图2-35的结果记入下列表格中,在表格中进行计算并检核计算结果的正确性。水准测量记录(两次仪器高法)注:括号为计算值[题3-1]什么是水平角?瞄准在同一...

1、当您付费下载文档后,您只拥有了使用权限,并不意味着购买了版权,文档只能用于自身使用,不得用于其他商业用途(如 [转卖]进行直接盈利或[编辑后售卖]进行间接盈利)。
2、本站所有内容均由合作方或网友上传,本站不对文档的完整性、权威性及其观点立场正确性做任何保证或承诺!文档内容仅供研究参考,付费前请自行鉴别。
3、如文档内容存在违规,或者侵犯商业秘密、侵犯著作权等,请点击“违规举报”。

碎片内容

测量学课后习题答案

确认删除?
VIP
微信客服
  • 扫码咨询
会员Q群
  • 会员专属群点击这里加入QQ群
客服邮箱
回到顶部