电脑桌面
添加小米粒文库到电脑桌面
安装后可以在桌面快捷访问

产品和过程确认管理规定VIP免费

产品和过程确认管理规定_第1页
1/16
产品和过程确认管理规定_第2页
2/16
产品和过程确认管理规定_第3页
3/16
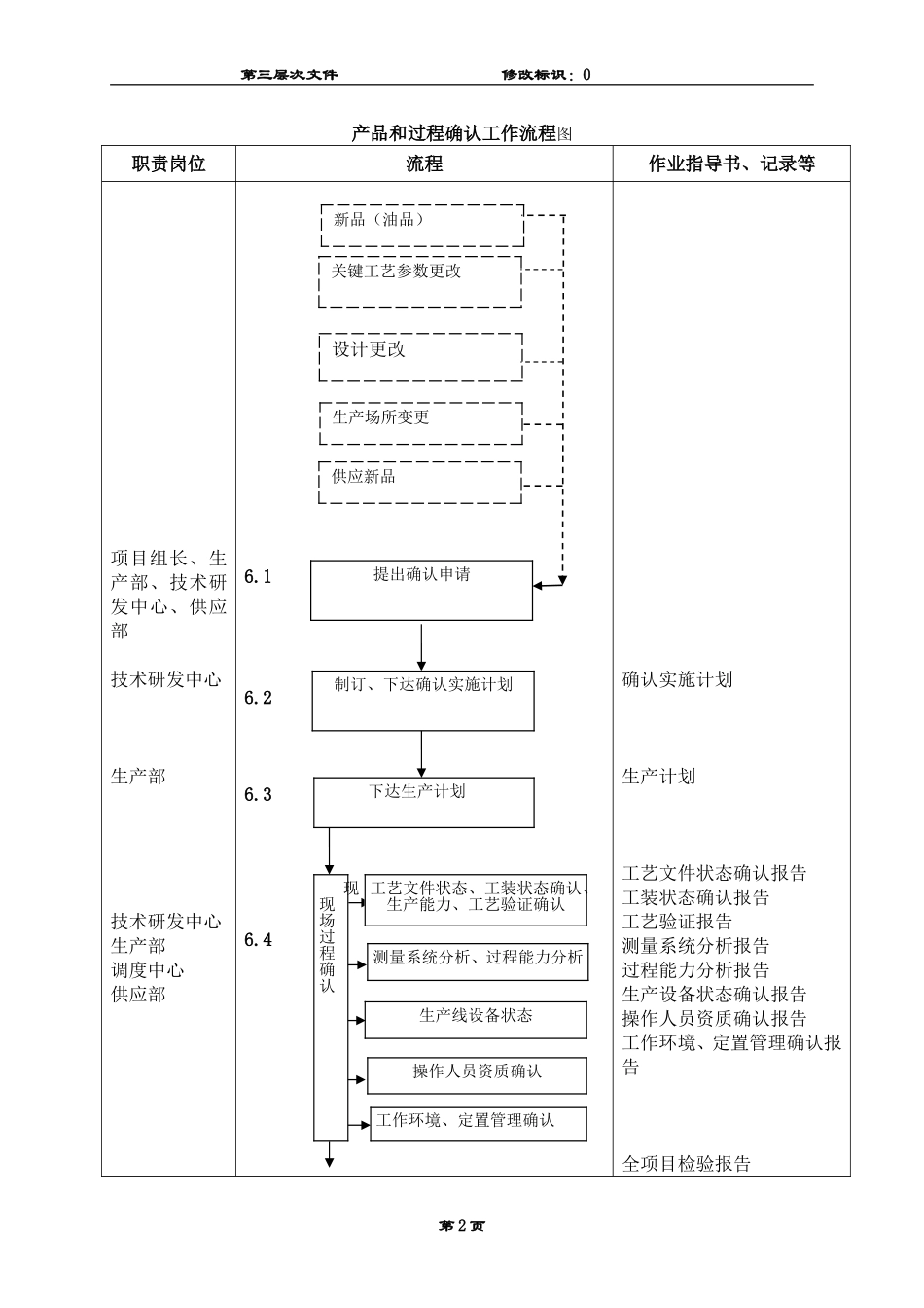
文件编号:QG/YP350002-2014产品和过程确认管理规定(D版)发布日期:2015年01月28日实施日期:2015年01月28日1目的对新产品和新过程以及批产产品和批产生产线(过程)进行确认,证实产品和过程能够满足规定的使用要求或已知的预期用途的要求且稳定受控。2适用范围2.1适用于公司及外协的产品和过程确认。2.2如下发生更改时,需进行重新确认:2.2.1新品(油品);2.2.2关键工艺参数更改(调合/灌装设备、调合温度、调合时间、溶胶温度、溶胶时间、调合加料顺序、过滤设置)2.2.3油品设计更改(DFMEA更改、关键原材料更改-复合添加剂、增粘剂、基础油等级降低);2.2.4生产产地变更;2.2.5供应新品(包材、外购新品)。3职责3.1技术研发中心负责组织产品和过程确认,并下达确认实施计划;负责向顾客提交PPAP申请批准资料。3.2生产部根据确认计划组织试生产;负责生产设备状态、工艺、人员资格等确认。3.3调度中心受控状态受控分发编号第三层次文件修改标识:0负责包材产品确认。3.4各部门负责按项目提出申请和开展工作。4引用文件4.1《产品质量先期策划控制程序》5术语和定义5.1确认项目、申请部门、周期时间项目新品(油品)关键工艺参数更改设计更改(油品)生产场所变更供应新品确认时机批产前批产时批产时批产前批产前申请部门项目组长生产部技术研发中心生产部供应部组织部门技术研发中心技术研发中心技术研发中心技术研发中心技术研发中心6工作流程(见后页)产品和过程确认工作流程图、产品和过程确认工作流程说明第1页第三层次文件修改标识:0产品和过程确认工作流程图职责岗位流程作业指导书、记录等项目组长、生产部、技术研发中心、供应部技术研发中心生产部技术研发中心生产部调度中心供应部6.16.26.36.4确认实施计划生产计划工艺文件状态确认报告工装状态确认报告工艺验证报告测量系统分析报告过程能力分析报告生产设备状态确认报告操作人员资质确认报告工作环境、定置管理确认报告全项目检验报告第2页下达生产计划工作环境、定置管理确认生产线设备状态操作人员资质确认设计更改关键工艺参数更改生产场所变更新品(油品)供应新品提出确认申请制订、下达确认实施计划现现场过程确认工艺文件状态、工装状态确认、生产能力、工艺验证确认测量系统分析、过程能力分析第三层次文件修改标识:0技术研发中心各职责部门技术研发中心技术研发中心6.56.66.76.8产品确认试验报告制造现场过程确认问题报告整改计划产品和过程确认报告第3页产品确认整改计划确认报告PPAP生产批准第三层次文件修改标识:0产品和过程确认工作流程说明序号流程块工作标准期量标准6.1提出确认申请6.1.1如符合以下任何一个更改时,需进行重新确认,则由职责部门按上述5.1“确认项目、申请部门、周期时间”表格内容执行。a.新品(油品);b.关键工艺参数更改;c.设计更改(DFMEA更改、关键原材料更改)d.生产产地变更;e.供应新品(包材、外购新品)。6.1.2职责部门通过OA产品和过程确认审批流程提出申请。6.2制订、下达确认实施计划6.2.1技术研发中心根据提出的确认申请,制订“产品和过程确认实施计划”,产品和过程确认计划内容包括:工艺文件状态确认、工装状态确认、工艺验证、测量系统分析、过程能力分析、生产设备状态、操作人员资质确认、工作环境、定置管理确认等内容及完成时间、责任部门。6.2.2技术研发中心在OA产品和过程确认审批流程中维护,提交生产副总、总工程师审批下达生产部、或供应部实施。6.3下达生产任务6.3.1如是a\b\c\d类自产产品时,则由生产部或调度中心下达试生产计划;6.3.2如是e类供应产品,则由供应部按审批试产计划提交供应商。供应商根据技术标准准备试产,试产前通知供应部。6.3.3生产部在OA产品和过程确认审批流程中维护试生产计划,经生产部领导审批。6.4现场过程确认6.4.1技术研发中心组织人员到现场确认:生产现场的工艺文件状态、工装状态、工艺验证、测量系统分析、过程能力分析、生产设备状态、操作人员资质确认、工作环境、定置管理等进行确认。6.4.2确认过程按7过程确认标准和附件1过程确认检查表进行,并形成书面确认报告,确认报告通过OA产品和过程确认审批...

1、当您付费下载文档后,您只拥有了使用权限,并不意味着购买了版权,文档只能用于自身使用,不得用于其他商业用途(如 [转卖]进行直接盈利或[编辑后售卖]进行间接盈利)。
2、本站所有内容均由合作方或网友上传,本站不对文档的完整性、权威性及其观点立场正确性做任何保证或承诺!文档内容仅供研究参考,付费前请自行鉴别。
3、如文档内容存在违规,或者侵犯商业秘密、侵犯著作权等,请点击“违规举报”。

碎片内容

产品和过程确认管理规定

您可能关注的文档

确认删除?
VIP
微信客服
  • 扫码咨询
会员Q群
  • 会员专属群点击这里加入QQ群
客服邮箱
回到顶部