电脑桌面
添加小米粒文库到电脑桌面
安装后可以在桌面快捷访问

中考复习开放型试题大集合----电学VIP免费

中考复习开放型试题大集合----电学_第1页
1/25
中考复习开放型试题大集合----电学_第2页
2/25
中考复习开放型试题大集合----电学_第3页
3/25
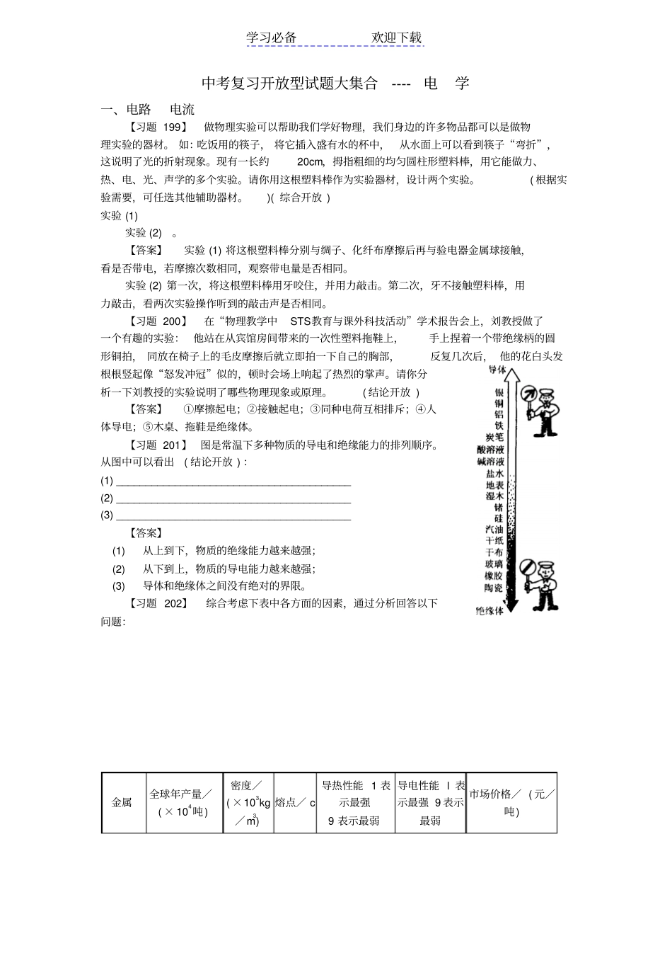
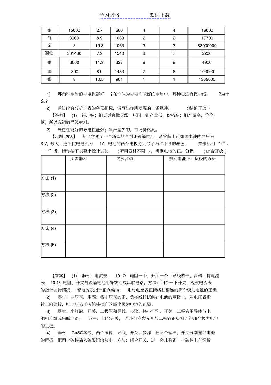
学习必备欢迎下载中考复习开放型试题大集合----电学一、电路电流【习题199】做物理实验可以帮助我们学好物理,我们身边的许多物品都可以是做物理实验的器材。如:吃饭用的筷子,将它插入盛有水的杯中,从水面上可以看到筷子“弯折”,这说明了光的折射现象。现有一长约20cm,拇指粗细的均匀圆柱形塑料棒,用它能做力、热、电、光、声学的多个实验。请你用这根塑料棒作为实验器材,设计两个实验。(根据实验需要,可任选其他辅助器材。)(综合开放)实验(1)实验(2)。【答案】实验(1)将这根塑料棒分别与绸子、化纤布摩擦后再与验电器金属球接触,看是否带电,若摩擦次数相同,观察带电量是否相同。实验(2)第一次,将这根塑料棒用牙咬住,并用力敲击。第二次,牙不接触塑料棒,用力敲击,看两次实验操作听到的敲击声是否相同。【习题200】在“物理教学中STS教育与课外科技活动”学术报告会上,刘教授做了一个有趣的实验:他站在从宾馆房间带来的一次性塑料拖鞋上,手上捏着一个带绝缘柄的圆形铜拍,同放在椅子上的毛皮摩擦后就立即拍一下自己的胸部,反复几次后,他的花白头发根根竖起像“怒发冲冠”似的,顿时会场上响起了热烈的掌声。请你分析一下刘教授的实验说明了哪些物理现象或原理。(结论开放)【答案】①摩擦起电;②接触起电;③同种电荷互相排斥;④人体导电;⑤木桌、拖鞋是绝缘体。【习题201】图是常温下多种物质的导电和绝缘能力的排列顺序。从图中可以看出(结论开放):(1)________________________________________(2)________________________________________(3)________________________________________【答案】(1)从上到下,物质的绝缘能力越来越强;(2)从下到上,物质的导电能力越来越强;(3)导体和绝缘体之间没有绝对的界限。【习题202】综合考虑下表中各方面的因素,通过分析回答以下问题:金属全球年产量/(×104吨)密度/(×103kg/m3)熔点/c导热性能1表示最强9表示最弱导电性能l表示最强9表示最弱市场价格/(元/吨)学习必备欢迎下载铝150002.76604416000铜80008.910832217700金219.310633388000000钢铁3014307.91540872200铅300011.3327994900镍8008.9145376103000银810.5961111365000(1)哪两种金属的导电性能好?在你认为导电性能好的金属中,哪种更适宜做导线?为什么?(2)通过综合分析上表的各项指标,请写出你所发现的一条规律。(结论开放)【答案】(1)银、铜;铜更适宜做导线。原因:银产量低,价格高;铜产量高,价格低,所以选铜做导线材料。(2)导热性能好的导电性能强;年产量少的,市场价格高。【习题203】某同学买了一个新型的全封闭镍镉电池,从铭牌上可知该电池的电压为6V,最大可连续供电电流为1A,电池的两个电极旁只涂了两种不同的颜色,并未标明“+”、“一”极,请你按下表要求设计试验(所用器材不限),辨别电池的正、负极。(综合开放)所需器材简要步骤辨别电池正、负极的方法方法(1)方法(2)方法(3)方法(4)方法(5)【答案】(1)器材:电流表、10Ω电阻一个、开关一个、导线若干。步骤:将电流表、10Ω电阻、开关与镍镉电池用导线组成串联电路。方法:闭合一下开关,观察电流表的指针偏转情况,若电流表指针正向偏转,则与电流表正接线柱相连的那个极为电池的正极。(2)器材:电压表。步骤:将电压表的正、负接线柱试触在电池的两极上,若电压表指针正向偏转,则电压表正接线柱相连的那个极为电池的正极。(3)器材:小灯泡、开关、二极管和导线。步骤:将小灯泡、开关、二极管用导线与电池相连组成串联电路。方法:闭合开关,若小灯泡发光则与二极管正极相连的那个极为电池的正极。(4)器材:CuSO4溶液、两个碳棒、导线、开关。步骤:把两个碳棒、开关分别连在电池的两极,把两个碳棒插入硫酸铜溶液中。方法:闭合开关,过一会儿看到一个碳棒上有铜析学习必备欢迎下载出,则与这个碳棒相连的电池的那端是电池负极,因为铜离子是由于电池负极流出的电子结合被还原后,出现了固态铜。(5)器材:小磁针、螺线管、滑动变阻器、开关和导线。步骤:把小磁针、螺线管、滑动变阻器、开关和导线组成串联电路,将小磁针放在螺线管上方。方法:闭合开关,观察小磁针...

1、当您付费下载文档后,您只拥有了使用权限,并不意味着购买了版权,文档只能用于自身使用,不得用于其他商业用途(如 [转卖]进行直接盈利或[编辑后售卖]进行间接盈利)。
2、本站所有内容均由合作方或网友上传,本站不对文档的完整性、权威性及其观点立场正确性做任何保证或承诺!文档内容仅供研究参考,付费前请自行鉴别。
3、如文档内容存在违规,或者侵犯商业秘密、侵犯著作权等,请点击“违规举报”。

碎片内容

中考复习开放型试题大集合----电学

爱的疯狂+ 关注
实名认证
内容提供者

该用户很懒,什么也没介绍

相关文档

确认删除?
VIP
微信客服
  • 扫码咨询
会员Q群
  • 会员专属群点击这里加入QQ群
客服邮箱
回到顶部