电脑桌面
添加小米粒文库到电脑桌面
安装后可以在桌面快捷访问

供电企业服务收费标准VIP免费

供电企业服务收费标准_第1页
1/37
供电企业服务收费标准_第2页
2/37
供电企业服务收费标准_第3页
3/37
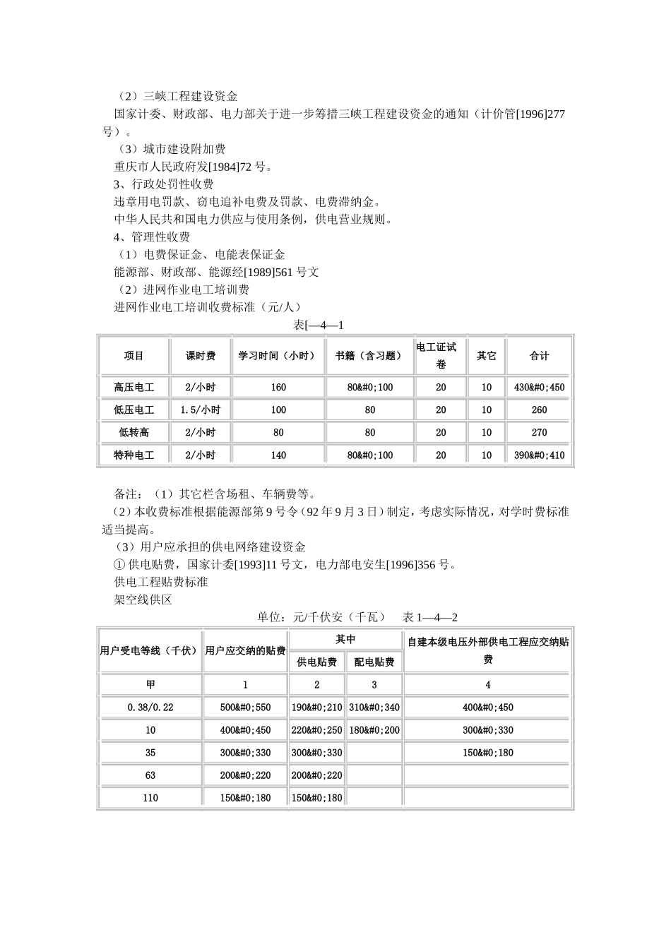
重庆市物价局关于印发《重庆市供电企业服务收费管理办法》的通知(试行)万州、黔江开发区物价局,各区县(自治县、市)物价局,市高新技术开发区物价办,重庆市电力公司,市水电局:为了贯彻落实党中央、国务院关于纠正行业不正之风的要求,治理乱收费现象,规范供电企业的收费行为,根据国家计委、经贸委、财政部、监察部、审计署、国务院纠风办六部委《关于整顿电价秩序坚决制止乱加价乱收费行为的通知》及原电力工业部《关于印发“供电企业收费项目管理的暂行规定”的通知》(电安生[1994]381号)文件精神(国家已明令取消的收费项目除外),结合我市供电企业的实际情况制定出《重庆市供电企业服务收费管理办法》(试行),现予颁发,并将有关事项通知如下:一、本办法适用于重庆市辖区内所有从事电力供应的企业(含国家电网和地方电网)。二、鉴于收费标准与各地的物价水平、劳动生产率有关,因此,本办法所定的收费标准为重庆市国家电网供电企业收费标准,各地方电网的收费标准可由当地物价局根据本地实际情况,在不超过本“办法”规定的收费标准范围内制定具体标准并报市局备案。三、电力企业收费项目和收费标准管理权限在省级及其以上有权部门。今后凡与电力有关的收费项目,国家已规定有标准的,按国家规定执行;国家没有规定标准的,由我局制定统一收费标准。国家立有收费项目尚无收费标准的,由当地物价部门会同供电部门提出方案,报我局批准后执行。四、为了维护广大用户和供电企业的合法权益,市物价检查所和各区县(自治县、市)物价检查所要加强对供电企业服务收费的监督检查,对违反价格管理权限擅立名目或超范围、超标准向用户收费的,按《价格法》有关规定从严查处。重庆市供电企业服务收费管理办法标准一、编制说明(一)为贯彻落实党中央、国务院关于端正行业作风的要求,规范供电企业的收费行为,以适应社会主义市场经济的需要,根据电力部电安生[1994]581号文印发《供电企业收费项目管理的暂行规定》的收费项目,结合近年来我市电力系统实际情况,制定了本收费标准。(二)今后若颁布有新的标准,则按新标准执行。二、收费标准(一)国家规定项目收费标准1、电费,包括电度电费、基本电费、功率因数调整电费、无功电价电费、分时电价电费(丰枯、峰谷电价电费)。主要执行文件:(1)重庆市物价局[1997]199号转发的计价管[1997]458号国家计委、电力部关于调整重庆电网电价的通知。(2)中华人民共和国水利电力部1976年电热价格中的电价说明,力率调整电费办法(水利电力部[75]水电财字第67号)。(3)关于无功电价问题的通知(水利电力部[78]水电财字第31号)。(4)关于试行丰、枯季节差价和丰水期峰谷超限额用电差价及超计划电力加价办法的批复中的附件1、附件2(水利电力部[84]水电财字第92号)。(5)关于继续试行丰、枯季节差价的批复(水力电力部[87]水电财字第1号)。2、随电费收取的费用(1)电力建设基金国家计委、计能交[1996]583号国家计委关于在“九五”期间继续征收电力建设基金的通知。(2)三峡工程建设资金国家计委、财政部、电力部关于进一步筹措三峡工程建设资金的通知(计价管[1996]277号)。(3)城市建设附加费重庆市人民政府发[1984]72号。3、行政处罚性收费违章用电罚款、窃电追补电费及罚款、电费滞纳金。中华人民共和国电力供应与使用条例,供电营业规则。4、管理性收费(1)电费保证金、电能表保证金能源部、财政部、能源经[1989]561号文(2)进网作业电工培训费进网作业电工培训收费标准(元/人)表[—4—1项目课时费学习时间(小时)书籍(含习题)电工证试卷其它合计高压电工2/小时16080�1002010430�450低压电工1.5/小时100802010260低转高2/小时80802010270特种电工2/小时14080�1002010390�410备注:(1)其它栏含场租、车辆费等。(2)本收费标准根据能源部第9号令(92年9月3日)制定,考虑实际情况,对学时费标准适当提高。(3)用户应承担的供电网络建设资金①供电贴费,国家计委[1993]11号文,电力部电安生[1996]356号。供电工程贴费标准架空线供区单位:元/千伏安(千瓦)表1—4—2用户受电等线(千伏)用户...

1、当您付费下载文档后,您只拥有了使用权限,并不意味着购买了版权,文档只能用于自身使用,不得用于其他商业用途(如 [转卖]进行直接盈利或[编辑后售卖]进行间接盈利)。
2、本站所有内容均由合作方或网友上传,本站不对文档的完整性、权威性及其观点立场正确性做任何保证或承诺!文档内容仅供研究参考,付费前请自行鉴别。
3、如文档内容存在违规,或者侵犯商业秘密、侵犯著作权等,请点击“违规举报”。

碎片内容

供电企业服务收费标准

您可能关注的文档

确认删除?
VIP
微信客服
  • 扫码咨询
会员Q群
  • 会员专属群点击这里加入QQ群
客服邮箱
回到顶部