电脑桌面
添加小米粒文库到电脑桌面
安装后可以在桌面快捷访问

中考物理二轮复习试验与探究同步练习新人教版VIP免费

中考物理二轮复习试验与探究同步练习新人教版_第1页
1/8
中考物理二轮复习试验与探究同步练习新人教版_第2页
2/8
中考物理二轮复习试验与探究同步练习新人教版_第3页
3/8
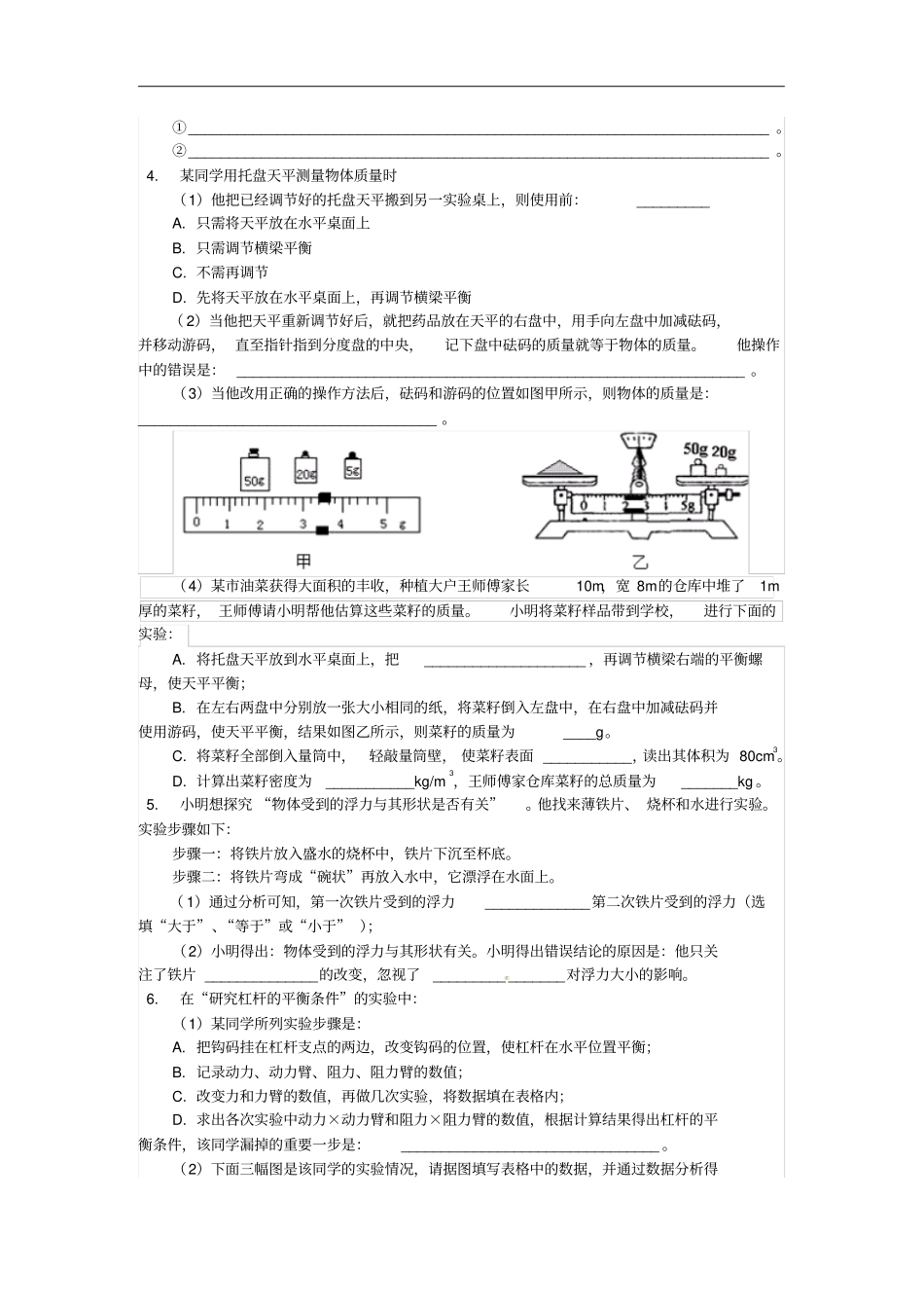
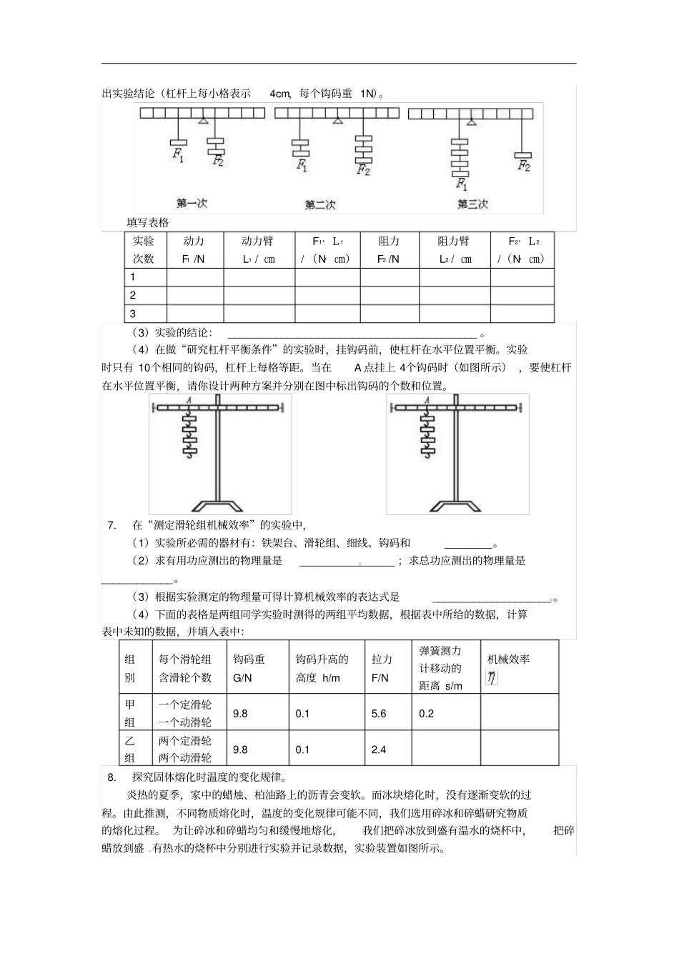
实验与探究同步练习(答题时间:60分钟)1.某同学在探究音调与响度有什么关系时,做了以下实验:(1)如图甲所示,用硬纸片在钢锯齿上滑动,滑动速度越大,硬纸片振动的频率越________,发出的声音的音调越________,这说明音调是由___________决定的。(2)如图乙所示,将锯条压在桌沿上,用另一只手轻拨锯条一端,听其响度;用力拨锯条,这时锯条的振幅__________,听其响度也__________,这说明响度与__________有关。2.如图所示,某同学在做探究平面镜成像特点的实验时,将一块玻璃板竖直架在一把直尺的上面,再取两段等长的蜡烛A、B一前一后竖直放在直尺上,实验过程中眼睛始终在A的一侧进行观察。(1)点燃蜡烛A,调节蜡烛B的位置,直到_________________________________时,B的位置即为A的像所在的位置。(2)直尺的作用是便于比较物与像_________的关系;选用两段等长的蜡烛是为了比较物与像的___________________________的关系。(3)若用平面镜代替玻璃板,上述实验_________进行(选填“能”、“不能”),理由是:____________________________________。3.在探究凸透镜成像规律的实验中:(1)第一实验小组的同学依次把点燃的蜡烛、透镜、光屏放在光具座上。但是,在实验中无论怎样移动光屏都找不到清晰的像,请你帮他们找出两个可能的原因:①________________________________________________________________________;②________________________________________________________________________。(2)第一、二两个实验小组分别进行了若干次操作,并把实验数据准确记录在下面的表格中。凸透镜焦距/cm1414141416161616物体到凸透镜的距离/cm2030406020304060像到凸透镜的距离/cm4726221880342722像的性质倒立实像倒立实像倒立实像倒立实像倒立实像倒立实像倒立实像倒立实像根据上表,请你归纳出两个结论:①________________________________________________________________________。②________________________________________________________________________。4.某同学用托盘天平测量物体质量时(1)他把已经调节好的托盘天平搬到另一实验桌上,则使用前:_________A.只需将天平放在水平桌面上B.只需调节横梁平衡C.不需再调节D.先将天平放在水平桌面上,再调节横梁平衡(2)当他把天平重新调节好后,就把药品放在天平的右盘中,用手向左盘中加减砝码,并移动游码,直至指针指到分度盘的中央,记下盘中砝码的质量就等于物体的质量。他操作中的错误是:_______________________________________________________________。(3)当他改用正确的操作方法后,砝码和游码的位置如图甲所示,则物体的质量是:_____________________________________。(4)某市油菜获得大面积的丰收,种植大户王师傅家长10m,宽8m的仓库中堆了1m厚的菜籽,王师傅请小明帮他估算这些菜籽的质量。小明将菜籽样品带到学校,进行下面的实验:A.将托盘天平放到水平桌面上,把____________________,再调节横梁右端的平衡螺母,使天平平衡;B.在左右两盘中分别放一张大小相同的纸,将菜籽倒入左盘中,在右盘中加减砝码并使用游码,使天平平衡,结果如图乙所示,则菜籽的质量为____g。C.将菜籽全部倒入量筒中,轻敲量筒壁,使菜籽表面___________,读出其体积为80cm3。D.计算出菜籽密度为___________kg/m3,王师傅家仓库菜籽的总质量为_______kg。5.小明想探究“物体受到的浮力与其形状是否有关”。他找来薄铁片、烧杯和水进行实验。实验步骤如下:步骤一:将铁片放入盛水的烧杯中,铁片下沉至杯底。步骤二:将铁片弯成“碗状”再放入水中,它漂浮在水面上。(1)通过分析可知,第一次铁片受到的浮力_____________第二次铁片受到的浮力(选填“大于”、“等于”或“小于”);(2)小明得出:物体受到的浮力与其形状有关。小明得出错误结论的原因是:他只关注了铁片______________的改变,忽视了________________对浮力大小的影响。6.在“研究杠杆的平衡条件”的实验中:(1)某同学所列实验步骤是:A.把钩码挂在杠杆支点的两边,改变钩码的位置,使杠杆在水平位置平衡;B.记录动力...

1、当您付费下载文档后,您只拥有了使用权限,并不意味着购买了版权,文档只能用于自身使用,不得用于其他商业用途(如 [转卖]进行直接盈利或[编辑后售卖]进行间接盈利)。
2、本站所有内容均由合作方或网友上传,本站不对文档的完整性、权威性及其观点立场正确性做任何保证或承诺!文档内容仅供研究参考,付费前请自行鉴别。
3、如文档内容存在违规,或者侵犯商业秘密、侵犯著作权等,请点击“违规举报”。

碎片内容

中考物理二轮复习试验与探究同步练习新人教版

确认删除?
VIP
微信客服
  • 扫码咨询
会员Q群
  • 会员专属群点击这里加入QQ群
客服邮箱
回到顶部