电脑桌面
添加小米粒文库到电脑桌面
安装后可以在桌面快捷访问

临时用电施工方案正文VIP免费

临时用电施工方案正文_第1页
1/26
临时用电施工方案正文_第2页
2/26
临时用电施工方案正文_第3页
3/26
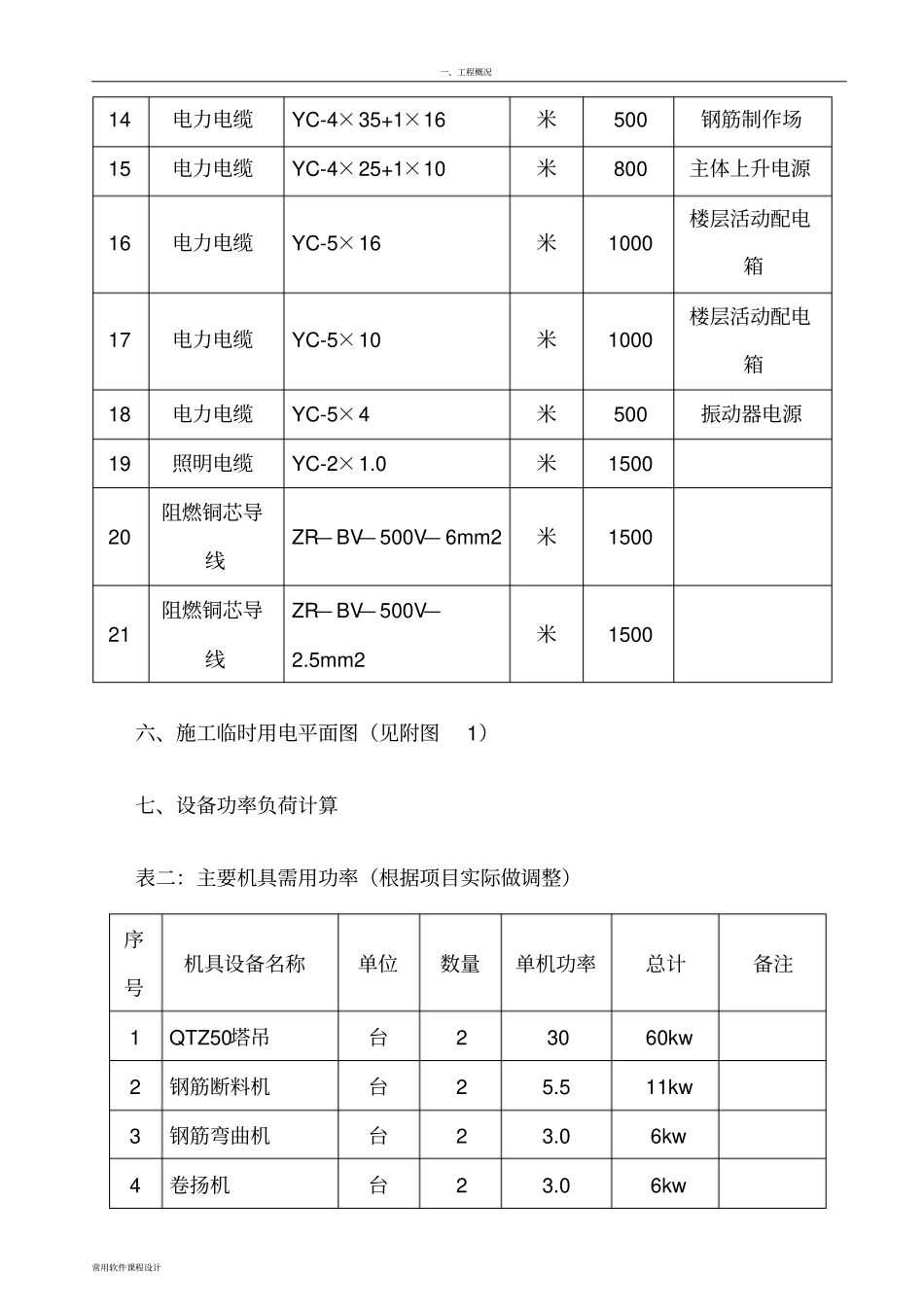
一、工程概况常用软件课程设计项目经理安全员电工电工一、二、工程概况:(略)。二、编制依据根据施工平面布置图,施工现场临时用电安全技术规程JGJ46-2005和环境管理标准GB/T2400—ISO14001。以及国家有关部门制定的现行建筑施工安全技术规范、规程、标准和重庆建设委员会制定的“建筑工地文明施工标准”。三、现场布置情况(略)。四、施工用电管理组织机构五、施工用电设备及计划一、工程概况常用软件课程设计表一:设备及材料需用计划(根据项目实际做调整)序号名称规格、型号单位数量备注01电流互感器LWZ1—0.5300/5只602有功电度表DT86a3×3(6)A只203空气开关TGM—10—630/330630A只204空气开关TGM—10—400/330400A只1005空气开关TGM—10—250/330250A只2006漏电断路器DZ15LE—250/490只1007漏电断路器DZ15LE—100/490只2008漏电断路器DZ15LE—100/290只1009塑料胶壳闸刀HK—63A/380/3把2010动力插座380V25A个5011照明插座220V10A个10012电力电缆YJV22-1KV-3×180+2×70米500主电缆13电力电缆YC-4×50+1×25米800片区主电源一、工程概况常用软件课程设计14电力电缆YC-4×35+1×16米500钢筋制作场15电力电缆YC-4×25+1×10米800主体上升电源16电力电缆YC-5×16米1000楼层活动配电箱17电力电缆YC-5×10米1000楼层活动配电箱18电力电缆YC-5×4米500振动器电源19照明电缆YC-2×1.0米150020阻燃铜芯导线ZR—BV—500V—6mm2米150021阻燃铜芯导线ZR—BV—500V—2.5mm2米1500六、施工临时用电平面图(见附图1)七、设备功率负荷计算表二:主要机具需用功率(根据项目实际做调整)序号机具设备名称单位数量单机功率总计备注1QTZ50塔吊台23060kw2钢筋断料机台25.511kw3钢筋弯曲机台23.06kw4卷扬机台23.06kw一、工程概况常用软件课程设计5闪光对焊机台1100100kw编制时根据工程需要编制6电焊机台41560kw7刨木机台236kw8圆盘锯台339kw9砂浆搅拌机台3515kw10插入式振动机台61.59kw11台钻台11.02kw12冲击钻把6212kw13砂轮切割机台339kw14潜水泵台21.53kw15切管套丝机台12.52.5kw16基础空压机台1620320kw八、干线截面设计1、总线截面设计算:∑P动=2*30+1*40+2*5.5+2*3.0+2*3.0+2*3.0+3*3.0+3*5.0+6*1.5+1*1.0+6*2.0+3*3.0+2*1.5+1*2.5+16*20=450.5KWP动=K∑P动/cosφ=0.6*450.5/0.7=386.1KVA∑P动=1*100+4*10+3*15=185KWP动=K∑P动/cosφ=0.6*185/0.7=158.6KVA生活、办公照明用电量:P=50KVA施工用电总用电量:S=386.1+158.6+50=594.7KVA一、工程概况常用软件课程设计式中:S—施工用电总容量(KVA)ΣP—各种用电设备机具额定功率容量的总和(KW)η—各机具平均效率不作考虑K—同时使用0.6COSφ—各台电动机平均功率因子取0.7主线电流:I线=COSUKS线3=763.9A主线选取2(YJV22-1KV-3*180+2*70mm2)铜芯电力电缆。2、回路Ⅱ∑P=1*30+1*5.5=35.5KWP=K∑P/cosφ=0.6*35.5/0.7=30.5KVAI线=30.5/(1.732*0.38*0.7)=66.3A电缆选用:YC-4×25+1×10mm2橡套电缆。3、回路Ⅲ∑P=2*5.5+1*3.0+1*3.0+1*100=117KWP=K∑P/cosφ=0.6*117/0.7=100KVAI线=100/(1.732*0.38*0.7)=218A电缆选用:YC-4×35+1×16mm2橡套电缆。4、回路Ⅳ一、工程概况常用软件课程设计∑P=1*30+2*10=50KWP=K∑P/cosφ=0.6*50/0.7=42.8KVAI线=42.8/(1.732*0.38*0.7)=97A电缆选用:YC-4×35+1×16mm2橡套电缆。5、电缆选回路Ⅴ∑P=4*10+3*15+2*1.5+5.0=93KWP=K∑P/cosφ=0.6*93/0.7=79.7KVAI线=79.7/(1.732*0.38*0.7)=175A电缆选用:YC-4×50+1×25mm2橡套电缆。九、配电房、其他导线截面和电器的类型、规格1、临时配电房,装有TGM—10—630/330自动空气开关一只作进线总受电开关,另装有TGM—10—400/330自动空气开关五只作为动力设备出线及项目部生活办公区电源开关和两个DZ15LE—100/290;漏电断路器,作为备用及环境照明支路出线开关。2、设有四个大的配电箱,分别用于塔吊及动力设备用。每个配电箱各设GTGM—10—250/330100A自动空气开关一只,作为设备使用DZ15CE—100/490漏电断路器一只,3N63A塑料刀闸2个作为3KW以内的设备用,工作电源配备五线380V,20A插座2个,220V、10A照明插座2个。3、施工设...

1、当您付费下载文档后,您只拥有了使用权限,并不意味着购买了版权,文档只能用于自身使用,不得用于其他商业用途(如 [转卖]进行直接盈利或[编辑后售卖]进行间接盈利)。
2、本站所有内容均由合作方或网友上传,本站不对文档的完整性、权威性及其观点立场正确性做任何保证或承诺!文档内容仅供研究参考,付费前请自行鉴别。
3、如文档内容存在违规,或者侵犯商业秘密、侵犯著作权等,请点击“违规举报”。

碎片内容

临时用电施工方案正文

您可能关注的文档

确认删除?
VIP
微信客服
  • 扫码咨询
会员Q群
  • 会员专属群点击这里加入QQ群
客服邮箱
回到顶部