电脑桌面
添加小米粒文库到电脑桌面
安装后可以在桌面快捷访问

主变压器系统及其附属设备安装单位工程质量验收评定表VIP免费

主变压器系统及其附属设备安装单位工程质量验收评定表_第1页
1/22
主变压器系统及其附属设备安装单位工程质量验收评定表_第2页
2/22
主变压器系统及其附属设备安装单位工程质量验收评定表_第3页
3/22
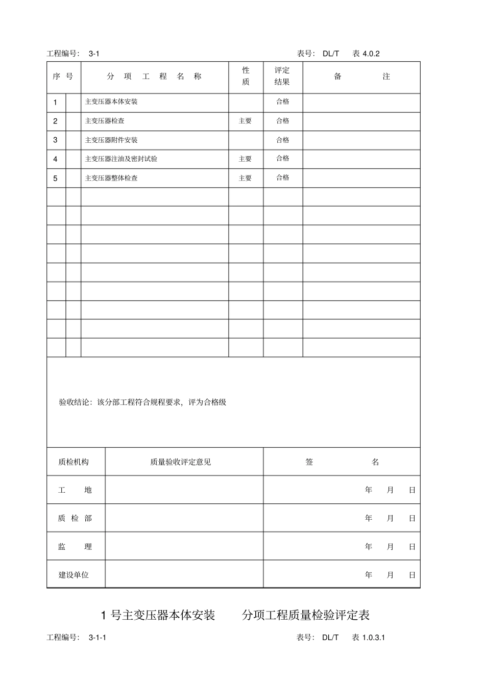
主变压器系统及附属设备安装单位工程质量验收评定表工程编号:3表号:DL/T表4.0.3序号分部工程名称质量等级备注1主变压器安装2主变压器系统附属设备安装3主变压器带电试运应有资料13份实有资料13份资料核查结论资料齐全有未因施工的原因造成设备严重损坏无有未发生过因接地及短路事故造成设备严重损坏无有未发生过电动机烧毁事故无分部试运中,有未因电气的原因而造成设备严重损坏无验收结论:该单位工程符合规程要求,评为优良级质检机构质量验收评定意见签名工地年月日质检部年月日监理年月日建设单位年月日主变压器安装分部工程质量验收评定表工程编号:3-1表号:DL/T表4.0.2序号分项工程名称性质评定结果备注1主变压器本体安装合格2主变压器检查主要合格3主变压器附件安装合格4主变压器注油及密封试验主要合格5主变压器整体检查主要合格验收结论:该分部工程符合规程要求,评为合格级质检机构质量验收评定意见签名工地年月日质检部年月日监理年月日建设单位年月日1号主变压器本体安装分项工程质量检验评定表工程编号:3-1-1表号:DL/T表1.0.3.1工序检验项目性质单位质量标准质量检验结果单项评定基础安装预埋件按设计规定符合设计规定合格基础水平误差mm<53合格轨道间距误差mm<52合格就位前检查密性封能充气运输气体压力MPa~0.03合格带油运输不渗油,顶盖螺栓紧固不渗油,顶盖螺栓紧固合格油绝缘性能标准规定值标准规定值合格本体就位滚装轮配滚轮安装能灵活转动能灵活转动合格制动器安装牢固,可拆牢固,可拆合格支墩与变压器及预埋件连接牢固牢固合格本体接地主要牢固,导通良好牢固,导通良好合格冲击值和次数按制造厂规定值按制造厂规定值合格其它油箱顶部定位装置无变形,无开裂无变形,无开裂合格验收结论:该分项工程符合规程要求,评为合格级质检机构质量检验评定意见签名班组年月日工地年月日质检部年月日监理年月日1号主变压器器身检查分项工程质量检验评定表工程编号:3-1-2表号:DL/T表1.0.3.2工序检验项目性质单位质量标准质量检验结果单项评定器身外观器身各部位主要无移动无移动合格各部件外观主要无烧伤、损坏及变形无烧伤、损坏及变形合格各部位绑扎措施齐全,紧固齐全,紧固合格绝缘螺栓及垫块主要齐全,无损坏,且防松措施可靠齐全,无损坏,且防松措施可靠合格绕组及引出线绝缘层主要完整,包缠牢固紧密完整,包缠牢固紧密合格铁芯铁芯接地主要1点,连接可靠1点,连接可靠合格铁芯绝缘主要用兆欧表加压1分钟不闪络用兆欧表加压1分钟不闪络合格绕组裸导体外观无毛刺、尖角、断股、断片、拧弯无毛刺、尖角、断股、断片、拧弯合格焊接满焊、无脱焊满焊、无脱焊合格高压应力锥完好完好合格油路(有围屏者除外)无异物、畅通无异物、畅通合格均压屏蔽罩(500kV高压侧)完好、无损伤线圈固定检查主要固定牢固固定牢固合格绕组绝缘主要不低于出厂值的70%不低于出厂值的70%合格电压切换装置连接可靠可靠合格开关触头清洁度、弹力无锈蚀、油污、且弹性良好无锈蚀、油污、且弹性良好合格接触主要可靠,塞尺塞不进可靠,塞尺塞不进合格对应位置正确、一致正确、一致合格部件装配齐全,正确齐全,正确合格无励磁分接开关操作杆长度三相一致三相一致合格转动器动作灵活、密封良好动作灵活、密封良好合格有载调压分接开关开关动作顺序主要正确,切换时无开路正确,切换时无开路合格切换开关密封良好良好合格1号主变压器器身检查分项工程质量检验评定表工程编号:3-1-2表号:DL/T表1.0.3.2续工序检验项目性质单位质量标准质量检验结果单项评定其它强油循环管与下轭绝缘接口密封良好良好合格各部位清理主要无杂物、污迹、屑末无杂物、污迹、屑末合格阀门动作开闭灵活,指示正确开闭灵活,指示正确合格回罩法兰连接紧固,螺栓受力均匀;结合面无渗油紧固,螺栓受力均匀;结合面无渗油合格器身暴露在空气中的时间主要按规范变压器篇规定1小时10分合格验收结论:该分项工程符合规程要求,评为合格级质检机构质量检验评定意见签名班组年月日工地年月日质检部年月日监理年月日1号主变压器附件安装分项工程质量检验评定表工程编号:3-1-3表号:DL/T表1.0.3.3工序检验项目性...

1、当您付费下载文档后,您只拥有了使用权限,并不意味着购买了版权,文档只能用于自身使用,不得用于其他商业用途(如 [转卖]进行直接盈利或[编辑后售卖]进行间接盈利)。
2、本站所有内容均由合作方或网友上传,本站不对文档的完整性、权威性及其观点立场正确性做任何保证或承诺!文档内容仅供研究参考,付费前请自行鉴别。
3、如文档内容存在违规,或者侵犯商业秘密、侵犯著作权等,请点击“违规举报”。

碎片内容

主变压器系统及其附属设备安装单位工程质量验收评定表

您可能关注的文档

确认删除?
VIP
微信客服
  • 扫码咨询
会员Q群
  • 会员专属群点击这里加入QQ群
客服邮箱
回到顶部