电脑桌面
添加小米粒文库到电脑桌面
安装后可以在桌面快捷访问

九年级物理 寒假复习试卷(17) 人教新课标版试卷VIP免费

九年级物理 寒假复习试卷(17) 人教新课标版试卷_第1页
1/6
九年级物理 寒假复习试卷(17) 人教新课标版试卷_第2页
2/6
九年级物理 寒假复习试卷(17) 人教新课标版试卷_第3页
3/6
ABCD辽宁省普兰店二十七中2012届九年级物理寒假复习试题(17)(无答案)人教新课标版一、选择题(每题3分,共36分)1.下列的估测,最接近实际的是A.普通课桌的高度约为10cmB.人体的密度大约是2.7×103kg/m3C.人步行速度约为4km/hD.一袋普通方便面的质量约为0.5g2.下列是小明使用天平的几点做法,其中正确的是A.测量前将天平放在水平桌面上B.调节横梁平衡时,游码可不在零刻度处C.用手直接加减砝码D.所测物体质量可以超过天平最大测量值3.对密度公式ρ=m/V的理解,下列说法中错误的是:()A.体积相同,材料不同的实心物体,质量大的物体密度就大B.质量相同,材料不同的实心物体,体积大的物体密度就小C.同种物质组成的实心物体,其质量与体积成正比D.物质的密度与质量成正比,与它的体积成反比4.下列是与打排球有关的物理问题,其中说法不正确的是A.发球后,球在运动过程中,仍受重力作用B.传球后,球在上升到最高点时,处于平衡状态C.扣球时,手感觉有点痛,说明力的作用是相互的D.拦网时,球被弹回,说明力可以改变物体的运动状态5.小李同学对体育比赛中的一些现象进行了分析,其中不正确的是A.短跑选手百米冲刺后很难停下,是因为运动员受到平衡力作用B.射箭运动员用力拉弓,是力使弓的形状发生改变C.皮划艇运动员用力向后划水,利用了物体间力的作用是相互的D.足球运动员头球攻门,是力使足球的运动状态发生改变6.飞船在圆轨道上飞行时处于"失重"状态,以下哪个实验不能在飞船中进行A.用弹簧握力计测握力B.用弹簧测力计测拉力C.用弹簧测力计测摩擦力D.用弹簧测力计测重力7.氢气球下用细线悬挂一个重物匀速上升,若细线突然断裂,则重物将()A.不再受力B.保持原速度一直上升C.立即下落D.先上升后下落8.《中华人民共和国道路交通安全法》规定:坐在汽车前排的司机和乘客都应系好安全带,这是为了减轻在下列哪种情况时可能对人身造成的伤害A.汽车车速太慢B.汽车紧急刹车C.汽车缓慢启动D.汽车突然加速9.小熊猫能够轻松地倒挂在竹子上,当它倒挂在竹子上静止时,下列说法正确的是A.竹子对小熊猫的作用力和小熊猫所受的重力是一对平衡力B.小熊猫对竹子的作用力和小熊猫所受的重力是一对平衡力C.小熊猫对竹子的作用力和竹子对小熊猫的作用力是一对平衡力D.小熊猫很轻,其重力不需要平衡就能静止在空中10.一只空瓶装满水时的总质量是400g,装满酒精时的总质量是350g,则该空瓶的容积是(ρ水=1g/cm3,ρ酒精=0.8g/cm3)A.400cm3B.350cm3C.250cm3D.200cm311.以下各例能够减小摩擦的是12.手握圆柱形水杯,手和水杯都在空中静止,杯底所在的平面是水平面,如图1。下列各对力属于平衡力的是()A、手对水杯的压力和水杯对手的压力B、水杯的重力与手对水杯的压力C、水杯的重力与手对水杯的静摩擦力D、水杯对手的静摩擦力与手对水杯的静摩擦力二、填空题(第14、18、19每空2分,其余每空1分,共25分)13.(2分)请你读出下图所示的各测量工具的示数,并把它们填写在下的横线上:木块的长度是cm;物体的重力为__________N。34567图2450213450213N2323图3矿泉水瓶盖上的条纹D行李箱可以滚动的轮子C鞋底凹凸不平的花纹A自行车的刹车装置B14.(2分)在以“力”为主题的辩论赛中,正方和反方提出了许多观点,小明把他们的观点归纳整理如下表.你认为正确的观点有.(只填序号)正方反方观点1.两个物体相接触,就一定有力的作用2.两个物体接触,但不一定有力的作用3.两个物体不接触,一定没有力的作用4.两个物体不接触,也可能有力的作用5.力不能脱离物体而单独存在6.力可以脱离物体而单独存在7.力的产生总涉及两个物体8.一个物体也可以产生力的作用9.力是维持物体运动状态的原因10.力是改变物体运动状态的原因15.(2分)成灌快铁于2010年5月10日正式通车,市民坐上从成都发往青城山的列车,半个小时就可以到达。据报道,该线路全封闭、全立交,采用电动车组,设计速度为200km/h(成都中心城区至郫县段l20km/h)。该线路全长约68km,共l5个站。列车到站前要提前刹车,这是因为列车刹车后由于还要继续运动一段距离。从成都到青城山,列车的平均...

1、当您付费下载文档后,您只拥有了使用权限,并不意味着购买了版权,文档只能用于自身使用,不得用于其他商业用途(如 [转卖]进行直接盈利或[编辑后售卖]进行间接盈利)。
2、本站所有内容均由合作方或网友上传,本站不对文档的完整性、权威性及其观点立场正确性做任何保证或承诺!文档内容仅供研究参考,付费前请自行鉴别。
3、如文档内容存在违规,或者侵犯商业秘密、侵犯著作权等,请点击“违规举报”。

碎片内容

九年级物理 寒假复习试卷(17) 人教新课标版试卷

您可能关注的文档

确认删除?
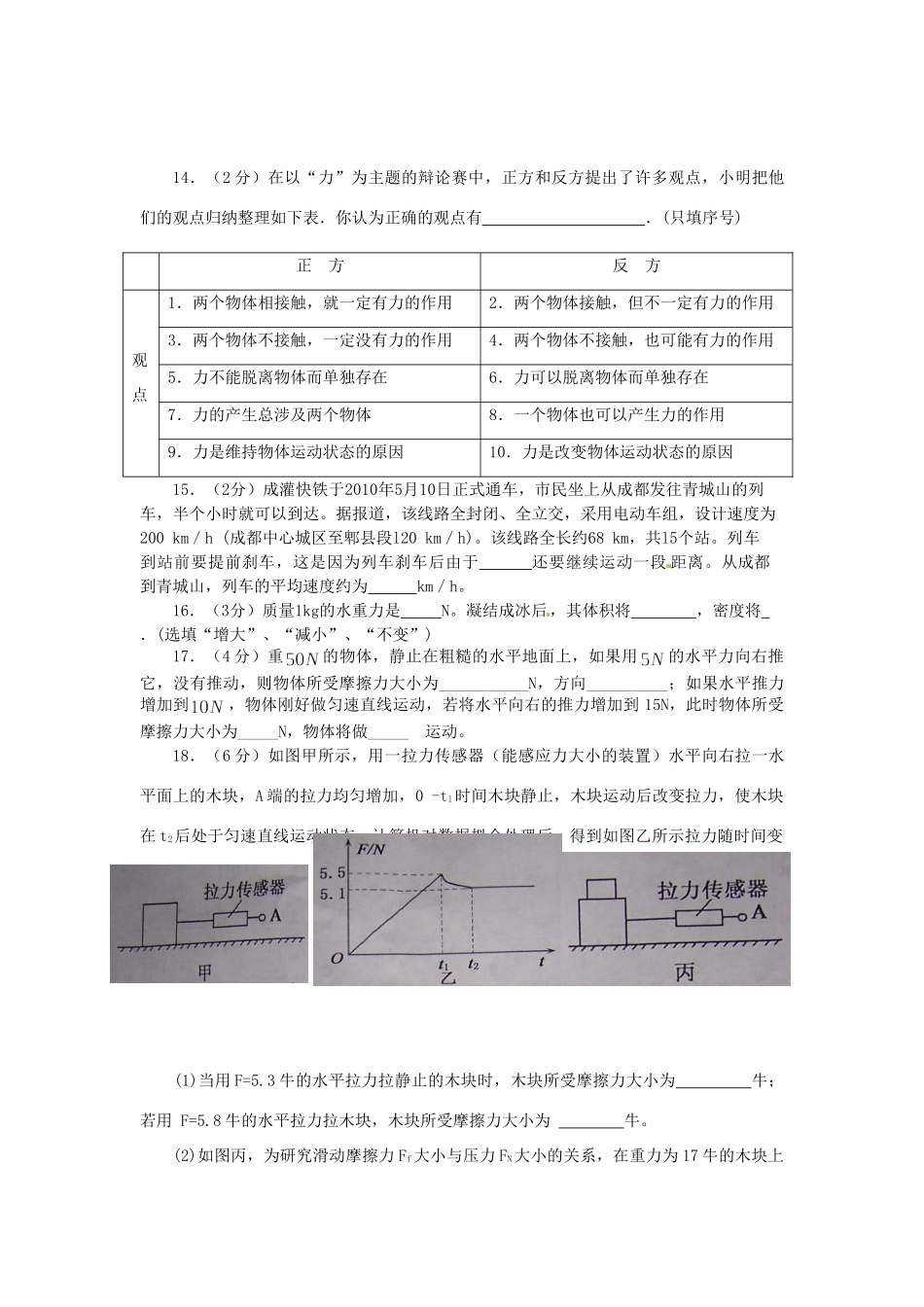
VIP
微信客服
  • 扫码咨询
会员Q群
  • 会员专属群点击这里加入QQ群
客服邮箱
回到顶部