电脑桌面
添加小米粒文库到电脑桌面
安装后可以在桌面快捷访问

乙酰苯胺的制备52550VIP免费

乙酰苯胺的制备52550_第1页
1/5
乙酰苯胺的制备52550_第2页
2/5
乙酰苯胺的制备52550_第3页
3/5
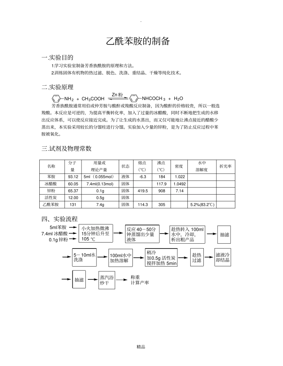
.精品乙酰苯胺的制备一.实验目的1.学习实验室制备芳香族酰胺的原理和方法。2.训练固体有机物的热过滤、脱色、洗涤、重结晶、干燥等纯化技术。二.实验原理NH2+CH3COOHZn粉NHCOCH3+H2O芳香族酰胺通常用伯或仲芳胺与酸酐或羧酸反应制备,因为酸酐的价格较贵,所以一般选羧酸。本反应是可逆的,为提高平衡转化率,加入了过量的冰醋酸,同时不断地把生成的水移出反应体系,可以使反应接近完成。为了让生成的水蒸出,而又仅可能地让沸点接近的醋酸少蒸出来,本实验采用较长的分馏柱进行分馏。实验加入少量的锌粉,是为了防止反应过程中苯胺被氧化。三.试剂及物理常数名称分子量用量或理论产量状态熔点(℃)沸点(℃)密度水中溶解度折光率苯胺93.125ml(0.055mol)液体-6.31841.022冰醋酸60.057.4ml(0.13mol)固体117.91.0492锌粉65.370.1g固体419.59087.14活性炭12.000.5g固体乙酰苯胺1317.4g固体114.33055.2%(83.2℃)四、实验流程5ml苯胺7.4ml冰醋酸0.1g锌粉小火加热微沸15分钟后升至105℃反应40-50分钟蒸馏出少量液体趁热转入100ml水中,冷却,析出粗产品抽滤5-10ml水洗涤100ml水中加热溶解稍冷加0.5g活性炭搅拌加热5min趁热过滤滤液冷却结晶抽滤蒸汽浴炒干称重计算产率.精品五、仪器装置接引管锥形瓶温度计刺形分馏柱抽滤装置干燥装置表面皿烧杯布氏漏斗抽滤瓶反应装置六、操作要点和说明1.合成(1).反应物量的确定:本实验反应是可逆的,采用乙酸过量和从反应体系中分出水的方法来提高乙酰苯胺的产率,但随之会增加副产物二乙酰基苯胺的生成量。二乙酰苯胺很容易水解成乙酰苯胺和乙酸,在产物精制过程中通过水洗、重结晶等操作,二乙酰基苯胺水解成乙酰苯胺和乙酸,经过滤可除去乙酸,不影响乙酰苯胺的产率和纯度。苯胺极易氧化,在空气中放置会变成红色,使用时必须重新蒸馏除去其中的杂质。反应过程中加入少许锌粉。锌粉在酸性介质中可使苯胺中有色物质还原,防止苯胺继续氧化。在实验中可以看到,锌粉加得适量,反应混合物呈淡黄色或接近无色。但锌粉不能加得太多,一方面消耗乙酸,另一方面在精制过程中乙酸锌水解成氢氧化锌,很难从乙酰苯胺中分离出来。(2).合成反应装置的设计:水沸点为100℃,乙酸沸点为117℃,两者仅差17℃,若要分离出水而不夹带更多的乙酸,必须使用分馏反应装置,而不能用蒸馏的反应装置。本实验用分馏柱。一般有机反应用耐压、耐液体沸腾冲出的圆形瓶作反应器。由于乙酰苯胺的熔点为114℃,稍冷即固化,不易从圆形瓶中倒出,因此用锥形瓶作反应器更方便。分出的水量很少,分馏柱可以不连接冷凝管,在分馏柱支口上直接连尾接管,兼作空气冷.精品凝管即可,使装置更简单。.精品为控制反应温度,在分馏柱顶口插温度计。(3).操作条件的控制保持分馏柱顶温度低于105℃的稳定操作,开始缓慢加热,使反应进行一段时间,有水生成后,再调节反应温度使蒸汽缓慢进入分馏柱,只要生成水的速度大于或等于分出水的速度,即可稳定操作,要避免开始强烈加热。反应终点可由下列参数决定:a.反应进行40-60min。b.分出水量超过理论水量(1g),但这和操作情况和分馏柱的效率有关,如果乙酸蒸出量大,分出的“水量”就应该多。c.反应液温度升高,瓶内出现白雾。2.产物的分离精制产物经洗涤,过滤等操作后,用重结晶的方法进行精制,乙酸苯胺重结晶常用的溶剂有甲苯,乙醇与水的混合溶剂和水等。本实验用水作重结晶的溶剂,其优点是价格便宜,操作简化,减少实验环境污染等。又将用活性炭脱色与重结晶两个操作结合在一起,进一步简化了分离纯化操作过程。根据乙酸苯胺-水的相图可知乙酸苯胺在水中的溶解度与温度的关系为:温度(℃)25315060708083.290100乙酰苯胺饱和浓度(%)0.520.631.252.03.24.55.25.86.5乙酰苯胺在水中的含量为5.2%时,重结晶效率好,乙酰苯胺重结晶产率最大。在体系中的含量稍低于5.2%,加热到83.2℃时不会出现油相,水相又接近饱和溶液,继续加热到100℃,进行热过滤除去不溶性杂质和脱色用的活性炭,滤液冷却,乙酰苯胺开始结晶,继续冷却至室温(20℃),过滤得到的晶体乙酰苯胺纯度很高,可溶性杂质留在母液中。本实验乙酰苯胺的理论产...

1、当您付费下载文档后,您只拥有了使用权限,并不意味着购买了版权,文档只能用于自身使用,不得用于其他商业用途(如 [转卖]进行直接盈利或[编辑后售卖]进行间接盈利)。
2、本站所有内容均由合作方或网友上传,本站不对文档的完整性、权威性及其观点立场正确性做任何保证或承诺!文档内容仅供研究参考,付费前请自行鉴别。
3、如文档内容存在违规,或者侵犯商业秘密、侵犯著作权等,请点击“违规举报”。

碎片内容

乙酰苯胺的制备52550

您可能关注的文档

文库当当响+ 关注
实名认证
内容提供者

该用户很懒,什么也没介绍

确认删除?
VIP
微信客服
  • 扫码咨询
会员Q群
  • 会员专属群点击这里加入QQ群
客服邮箱
回到顶部