电脑桌面
添加小米粒文库到电脑桌面
安装后可以在桌面快捷访问

九曲河特大桥钢板围堰施工方案VIP免费

九曲河特大桥钢板围堰施工方案_第1页
1/7
九曲河特大桥钢板围堰施工方案_第2页
2/7
九曲河特大桥钢板围堰施工方案_第3页
3/7
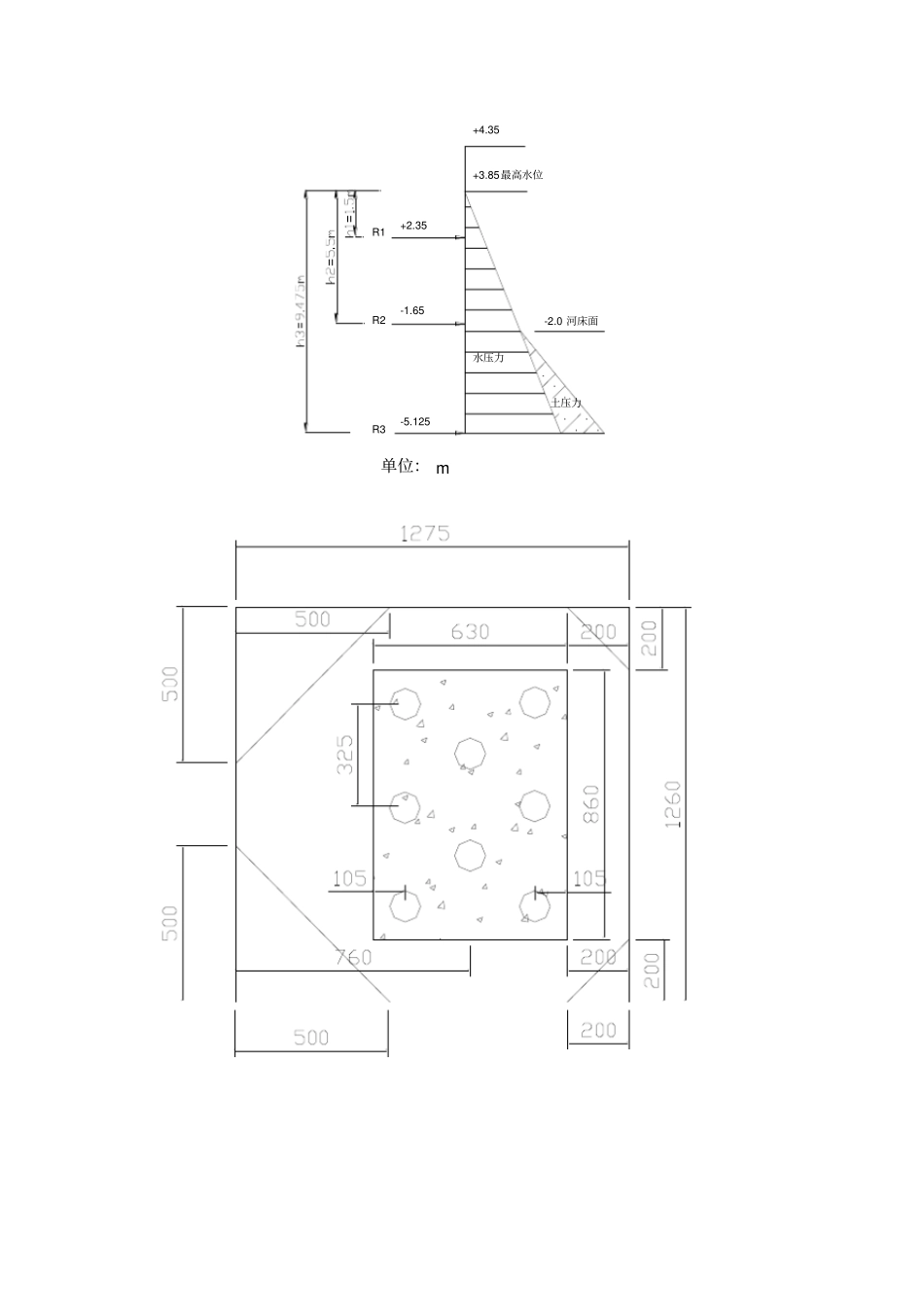
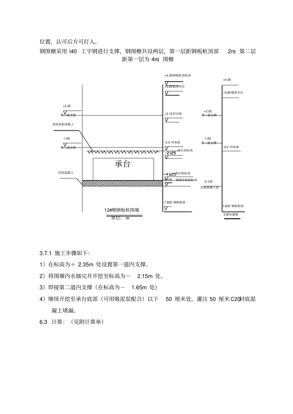
一、工程概况九曲河特大桥位于沪宁城际铁路3标段,其里程为DK94+058.895至DK95+403.713,该桥因南京至上海的城际铁路通过九曲河而设。中心里程:DK94+731.303,全桥孔跨布置为1×31.6m简支梁+1×(32+48+32)m连续梁+(5×31.6m+1×23.6m+3×31.6m+1×23.6m+10×31.6m+1×23.6m+16×31.6m)简支梁。全桥长:1344.815m.全桥共342根桩,直径1.0m桩基322根,直径1.25m桩基20根,矩形墩身,墩身高2~10米不等。第2~4跨为悬浇连续梁,第11#、12#墩为水中墩。本桥位于丹阳市境内既有京沪左侧,并跨越九曲河与云阳路。沪宁城际铁路九曲河特大桥与云阳路的夹角83°,采用(32+48+32)m悬浇梁跨越。在DK94+409~DK476.7处跨越九曲河,二者夹角95°,六级航道(22×4.5),通航水位4.9m,采用1-32m梁跨越。二、主要技术标准铁路等级:客运专线;正线数目:双线;设计速度:250km/h;线间距:4.6m;设计活载:0.6UIC;轨道结构:有砟轨道三、施工方案12.62m×10.30m。桩长根据地质水文情况选择15.975米,入土在承台底约为6.5米。拉森钢板3.2钢板桩的插打作业步骤和技术要点1)在钢板桩锁口内涂黄油,安置吊点,根据浮吊起重高度可在桩顶利用拔桩孔系千斤绳,如起重高度不够,可用钢丝绳在钢板桩1/3以上处捆扎,捆扎处应焊挡肢。2)板桩下端系缆风绳两根,浮吊起吊钢板桩接近垂直状态时,利用缆风绳控制桩的正反方向。3)钢板桩就位下插,第一片钢板桩沿活动导向下插是整个围堰的基准,要反复测量检查,使其方向垂直,位置准确,必要时可加辅助设施,控制桩在导向内的左右位置。4)下插钢板桩到河床以下达到稳定高度,摘掉浮吊吊钩。进一步复核桩的垂直度、位置,认可后方可打入。钢围檩采用I40工字钢进行支撑,钢围檩共设两层,第一层距钢板桩顶部2m,第二层距第一层为4m。围檩-7.625钢板桩底承台第一道支撑承台底标高基础开挖底标高封底混凝土淤泥质粉质黏土-5.125承台顶标高-2.0河床面12#墩钢板桩围堰+2.15河水面+3.85最高水位+4.35钢板桩顶标高+2.35第二道支撑-1.65+3.85最高水位+4.35第一道支撑+2.35第二道支撑-1.65封底混凝土底-5.125-2.0河床面-7.625钢板桩底支撑布置图单位:m3.7.1施工步骤如下:1)在标高为+2.35m处设置第一道内支撑。2)将围堰内水抽完并开挖至标高为-2.15m处。3)焊接第二道内支撑(在标高为-1.65m处)4)继续开挖至承台底部(可用吸泥泵配合)以下50厘米处,灌注50厘米C20封底混凝土堵漏。6.3计算:(见附计算单)+3.85最高水位+4.35+2.35-1.65-5.125R1R2R3水压力土压力-2.0河床面单位:mⅠ-Ⅰ断面图说明1、图中所采用的尺寸均以cm;2、图中承台尺寸为860cm*630cm,钢板桩围堰尺寸为1262cm*1030cm;承台混凝土垫层3.7.3钢板桩围堰平面图钢板桩围堰平面布置图Ⅰ流水面宽度河道宽度堤顶6.712测时水位2.15施工便道施说明:1、本图尺3.7.4钢板桩围堰剖面图测时水位2.15通航水位4.90河床标高-2.008.77712.35812.40说明:1、本图尺寸除里程、标高以米计外其余均以厘米计.2、河宽7-7.625桩底标高+4.35钢板桩顶标高施工便道钢板桩斜支撑混凝土垫层-3.667Ⅰ-Ⅰ钢板桩围堰布置断面图河床3.125米左右,15.975m4.劳动力组织劳动力组织序号劳动力内容人数备注1队长12现场指挥13技术人员54打桩工65起重工46电焊工6内支撑制作安装7抽水、吸泥、堵漏48电工19后勤210合计30可根据实际情况调整。钢支撑分两道,岸边的10米范围的地方,空出航道中间22米范围内的通航空间保证通航的顺利;在施工过程中,围专用泥浆车外运弃除,不得将泥浆排入河中,污染环境;围堰施工时,采用钢板桩进行防护,防止填筑物流入航道。施工完成围堰拆除时,完全、彻底的清除施工作业期间施工水域内的填筑物,必要时设置防栏网,对施工填筑物进行清理,不遗留施工作业水域的碍航物体,达到验收及通航要求。沪宁城际铁路第三标段第七项目队2008-7-16

1、当您付费下载文档后,您只拥有了使用权限,并不意味着购买了版权,文档只能用于自身使用,不得用于其他商业用途(如 [转卖]进行直接盈利或[编辑后售卖]进行间接盈利)。
2、本站所有内容均由合作方或网友上传,本站不对文档的完整性、权威性及其观点立场正确性做任何保证或承诺!文档内容仅供研究参考,付费前请自行鉴别。
3、如文档内容存在违规,或者侵犯商业秘密、侵犯著作权等,请点击“违规举报”。

碎片内容

九曲河特大桥钢板围堰施工方案

确认删除?
VIP
微信客服
  • 扫码咨询
会员Q群
  • 会员专属群点击这里加入QQ群
客服邮箱
回到顶部