电脑桌面
添加小米粒文库到电脑桌面
安装后可以在桌面快捷访问

九年级化学上册(第六单元 碳和碳的化合物)综合测试卷 (新版)新人教版试卷VIP专享VIP免费

九年级化学上册(第六单元 碳和碳的化合物)综合测试卷 (新版)新人教版试卷_第1页
1/5
九年级化学上册(第六单元 碳和碳的化合物)综合测试卷 (新版)新人教版试卷_第2页
2/5
九年级化学上册(第六单元 碳和碳的化合物)综合测试卷 (新版)新人教版试卷_第3页
3/5
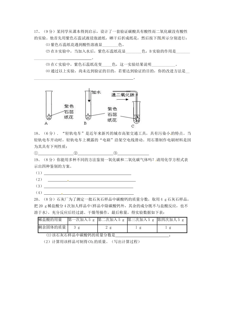
碳和碳的化合物一、选择题(每小题只有一个正确答案,每小题3分,共45分)题号123456789101112131415答案1、具有保存价值的档案、账本等应用毛笔或诸如碳素墨汁的钢笔书写,这是因为墨汁中的碳A、常温下化学性质稳定。B、被氧化成稳定C、任何条件下都不与任何物质反应D、跟纸反应生成稳定的物质2、下列关于碳的几种单质的组成和用途的说法,错误的是A、璀灿夺目的天然钻石是由碳元素组成的B、长期未用而难开启的铁锁,可在锁孔中加入少量铅笔芯粉未作润滑剂C、铅笔芯主要是用铅和少量炭粉制成的D、活性炭可用作防毒面具的滤毒剂3、下列各种物质中,属同一种元素组成的单质是A、金刚石、石墨、C60B、氧气、氢气、氮气C、石灰石、石灰水、金刚石D、水、冰、干冰4、测得某物质中只含有碳元素,这种物质()A、一定是一种单质B、一定是纯净物C、可能是化合物D、可能是一种单质,也可能是几种碳的单质的混合物5、不能用来鉴别CO和CO2两种气体的方法是A、通入澄清石灰水B、用鼻子闻C、通入紫色石蕊试液D、测定它们在水中的溶解能力6、下列各组仪器中,不能用来组装实验室制取二氧化碳装置的是A、长颈漏斗、集气瓶、酒精灯B、长颈漏斗、集气瓶、试管C、长颈漏斗、锥形瓶、集气瓶D、平底烧瓶、长颈漏斗、集气瓶7、集气瓶内充满某种气体,是二氧化碳、氮气、空中的一种。将燃着的木条伸入瓶中,木条火焰立即熄灭,则该瓶气体A、一定是二氧化碳B、一定不是氮气C、可能是空气D、氮气或者二氧化碳8、.某物质完全燃烧后的生成物中有二氧化碳,该物质一定是A、木炭B、一氧化碳C、含碳元素的物质D、难以确定9、下列气体既有可燃性又有还原性的化合物是A、氧气B、一氧化碳C.二氧化碳D.氢气10、下列物质中,碳元素化合价最低的是()A、CaCO3B、COC、H2CO3D、C11、下列变化属于物理变化的是A、将石墨转化成金刚石B、澄清石灰水长期露置在空气中C、二氧化碳气体变为干冰D、二氧化碳的水溶液使紫色石蕊试液变红12、除去二氧化碳中混有的少量一氧化碳,应采取的方法是()A.点燃混合气体B.把混合气体通入澄清的石灰水中C.把混合气体通过足量的灼热氧化铜D.把混合气体通入足量的水中13、实验室制取CO2一般有五个步骤:①检查装置的气密性;②按要求装配好仪器;③向漏斗中注入酸液;④向广口瓶放人小块的大理石;⑤收集气体。下列操作顺序中,正确的是A、①②③④⑤B、②①④③⑤C、①④②③⑤D、②③④①⑤14、检验一瓶气体是否是二氧化碳的正确方法是()A、将燃烧的木条伸入瓶中,观察木条是否熄灭B、向瓶中注入少量的紫色石蕊试液C、向瓶内倒少量澄清石灰水,观察石灰水是否变浑浊D、放入一只小动物,观察小动物能否存活15、长期盛放石灰水的试剂瓶内壁有一层白膜,除去这白膜使试剂瓶变得明净的最好方法是A、用蒸馏水冲洗B、用试管刷刷洗C、用稀盐酸洗涤D、用热水洗刷二、非选择题(共55分)16、(24分)请根据下图回答问题:⑴实验室用高锰酸钾制取氧气,应选用的发生装置是___________,收集氧气的装置是_________________,写出用高锰酸钾制取氧气反应的化学方程式________________________________________。⑵实验室里用过氧化氢溶液与二氧化锰固体混合制取氧气,为了控制反应进行的速率,可选用的发生装置是__________,写出用过氧化氢溶液制取氧气反应的化学方程式______________________________。⑶实验室里常用____________和______________在常温下反应制取二氧化碳,可选用的气体发生装置是____________________,收集二氧化碳的装置是______,请写出实验室制取二氧化碳反应的化学方程式____________________________。⑷实验室里可用氢氧化钙与氯化铵的固体混合物加热制取氨气,则制取氨气所需的气体发生装置为___________,氨气极易溶于水,密度比空气小,一般可用_____装置收集氨气。17、(9分)某同学从课本得到启示,设计了一套验证碳酸具有酸性而二氧化碳没有酸性的实验。他首先用紫色石蕊试液浸泡滤纸,晒干后折成纸花,然后按下图所示分别进行:⑴紫色石蕊纸花遇到酸性溶液显________色。⑵在B实验中,当加入水后,紫色石蕊纸花显________色,B实验的作用是___________________。...

1、当您付费下载文档后,您只拥有了使用权限,并不意味着购买了版权,文档只能用于自身使用,不得用于其他商业用途(如 [转卖]进行直接盈利或[编辑后售卖]进行间接盈利)。
2、本站所有内容均由合作方或网友上传,本站不对文档的完整性、权威性及其观点立场正确性做任何保证或承诺!文档内容仅供研究参考,付费前请自行鉴别。
3、如文档内容存在违规,或者侵犯商业秘密、侵犯著作权等,请点击“违规举报”。

碎片内容

九年级化学上册(第六单元 碳和碳的化合物)综合测试卷 (新版)新人教版试卷

确认删除?
VIP
微信客服
  • 扫码咨询
会员Q群
  • 会员专属群点击这里加入QQ群
客服邮箱
回到顶部