电脑桌面
添加小米粒文库到电脑桌面
安装后可以在桌面快捷访问

中考物理电流与电压电阻的关系分类汇编试卷VIP免费

中考物理电流与电压电阻的关系分类汇编试卷_第1页
1/8
中考物理电流与电压电阻的关系分类汇编试卷_第2页
2/8
中考物理电流与电压电阻的关系分类汇编试卷_第3页
3/8
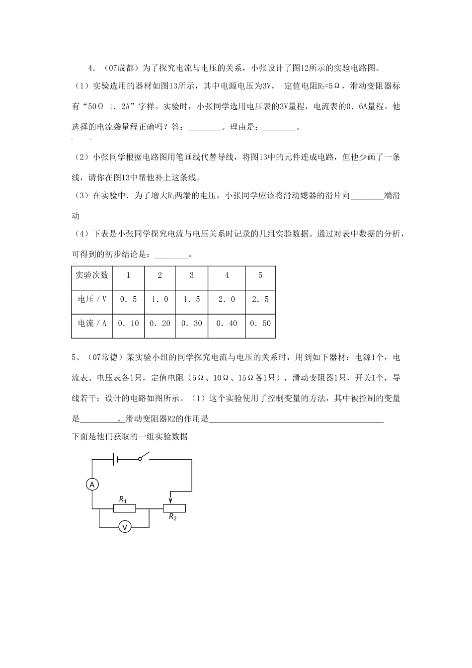
2007年中考物理电流与电压电阻的关系分类汇编1.(07金华)某校兴趣小组同学想探究“一段电路中的电流跟电阻的关系”,设计了如下图甲所示的电路图图丙(1)根据该兴趣小组设计的图甲电路图,把图乙的实物图连接完整。(2)通过实验,该兴趣小组测得4组数据,如下表所示:其中第4次实验时电流表的指针位置如图丙所示,请把测得的电流数值填入表格中。(3)在此探究实验过程中,当E、F两点间的电阻由4Ω更换为5Ω后,为了探究上述问题,你认为应该采取的操作是▲。A.闭合开关,读出电流表的读数B.闭合开关,将变阻器的滑片适当向左移C.改变电压表、电流表的量程D.闭合开关,将变阻器的滑片适当向右移(4)从该实验中你可得出什么结论?▲。(用文字表述)//研究电流与电压电阻的关系,很典型的一个实验!2、(07福州)为探究电流与电压、电阻的关系,小星将实物连接成如图23甲所示。(1)请你指出图23甲中连接的错误之处:①_______;②_______。(2)请你将正确的电路图画在答题卡虚线框内。(3)电路连接正确后,在研究电流与电阻的关系时,更换阻值不同的定值电阻后,应调节_______,使定值电阻两端的电压_______。(4)图23乙是实验中电流表的某次示数,则电流是_______A。要使电路中的电流增大,根据你所画的电路图,滑动变阻器的滑片应向_______移动。//这是一个非常典型的实验啊!3.(07南京)小明同学用图19甲所示的电路来验证“电流与电阻的关系”,所用器材有:电压恒为3V的电源,阻值为5Ω、10Ω,、20Ω的定值电阻各一只,“15ΩlA"的滑动变阻器一只,学生用电流表、电压表各一只,开关和导线若于.(1)根据题意,请你选择合适的电表量程,并帮助小明按电路图用笔画线代替导线完成右边实物图(图19乙)的连接.(2)实验过程中他控制定值电阻只两端的电压恒为1.5V.A.先将R用5Ω的电阻接人电路中进行实验,读取与该电阻对应的电流值;B.再将10Ω的电阻替换5Ω的电阻接人电路中进行实验,读取与该电阻对应的电流值;C.最后他用20Ω,的电阻替换10Ω的电阻接入电路中进行实验,发现无法读取与20Ω的电阻对应的电流值.经检查,电路连接无误,且元件完好,请你帮他找出两种可能的原因.原因1:.原因2:.4.(07成都)为了探究电流与电压的关系,小张设计了图12所示的实验电路图。(1)实验选用的器材如图13所示,其中电源电压为3V,定值电阻R2=5Ω,滑动变阻器标有“50Ω1.2A”字样。实验时,小张同学选用电压表的3V量程,电流表的0.6A量程。他选择的电流袭量程正确吗?答:________。理由是:________。(2)小张同学根据电路图用笔画线代替导线,将图13中的元件连成电路,但他少画了一条线,请你在图13中帮他补上这条线。(3)在实验中.为了增大R1两端的电压,小张同学应该将滑动媳器的滑片向________端滑动(4)下表是小张同学探究电流与电压关系时记录的几组实验数据。通过对表中数据的分析,可得到的初步结论是:________。实验次数l2345电压/V0.51.01.52.02.5电流/A0.100.200.300.400.505、(07常德)某实验小组的同学探究电流与电压的关系时,用到如下器材:电源1个,电流表、电压表各1只,定值电阻(5Ω、10Ω、15Ω各1只),滑动变阻器1只,开关1个,导线若干;设计的电路如图所示。(1)这个实验使用了控制变量的方法,其中被控制的变量是,滑动变阻器R2的作用是下面是他们获取的一组实验数据AVR1R2时6、(07梅州)在“研究电流跟电压、电阻的关系”,同学们设计如图8电路图,其中R为定值电阻,R’为滑动变阻器,实验后,数据记录在表一和表二中。表一R=5Ω电压/V1.02.03.0电流/A0.20.40.6表二U=3V电阻/Ω51015电流/A0.60.30.2(1)根据表中实验数据,可得出如下结论:由表一可得:_________________________________________________。由表二可得:_________________________________________________。(2)在研究电流与电阻关系时,先用5欧的定值电阻进行实验,使电压表的示数为3V,再换用10欧的定值电阻时,某同学没有改变滑动变阻器滑片的位置,合上开关后,电压表的示数将__________3V(选填“大于”、“小于”或“等于”)。此进就向____...

1、当您付费下载文档后,您只拥有了使用权限,并不意味着购买了版权,文档只能用于自身使用,不得用于其他商业用途(如 [转卖]进行直接盈利或[编辑后售卖]进行间接盈利)。
2、本站所有内容均由合作方或网友上传,本站不对文档的完整性、权威性及其观点立场正确性做任何保证或承诺!文档内容仅供研究参考,付费前请自行鉴别。
3、如文档内容存在违规,或者侵犯商业秘密、侵犯著作权等,请点击“违规举报”。

碎片内容

中考物理电流与电压电阻的关系分类汇编试卷

您可能关注的文档

确认删除?
VIP
微信客服
  • 扫码咨询
会员Q群
  • 会员专属群点击这里加入QQ群
客服邮箱
回到顶部