电脑桌面
添加小米粒文库到电脑桌面
安装后可以在桌面快捷访问

风险评价矩阵图VIP免费

风险评价矩阵图_第1页
1/11
风险评价矩阵图_第2页
2/11
风险评价矩阵图_第3页
3/11
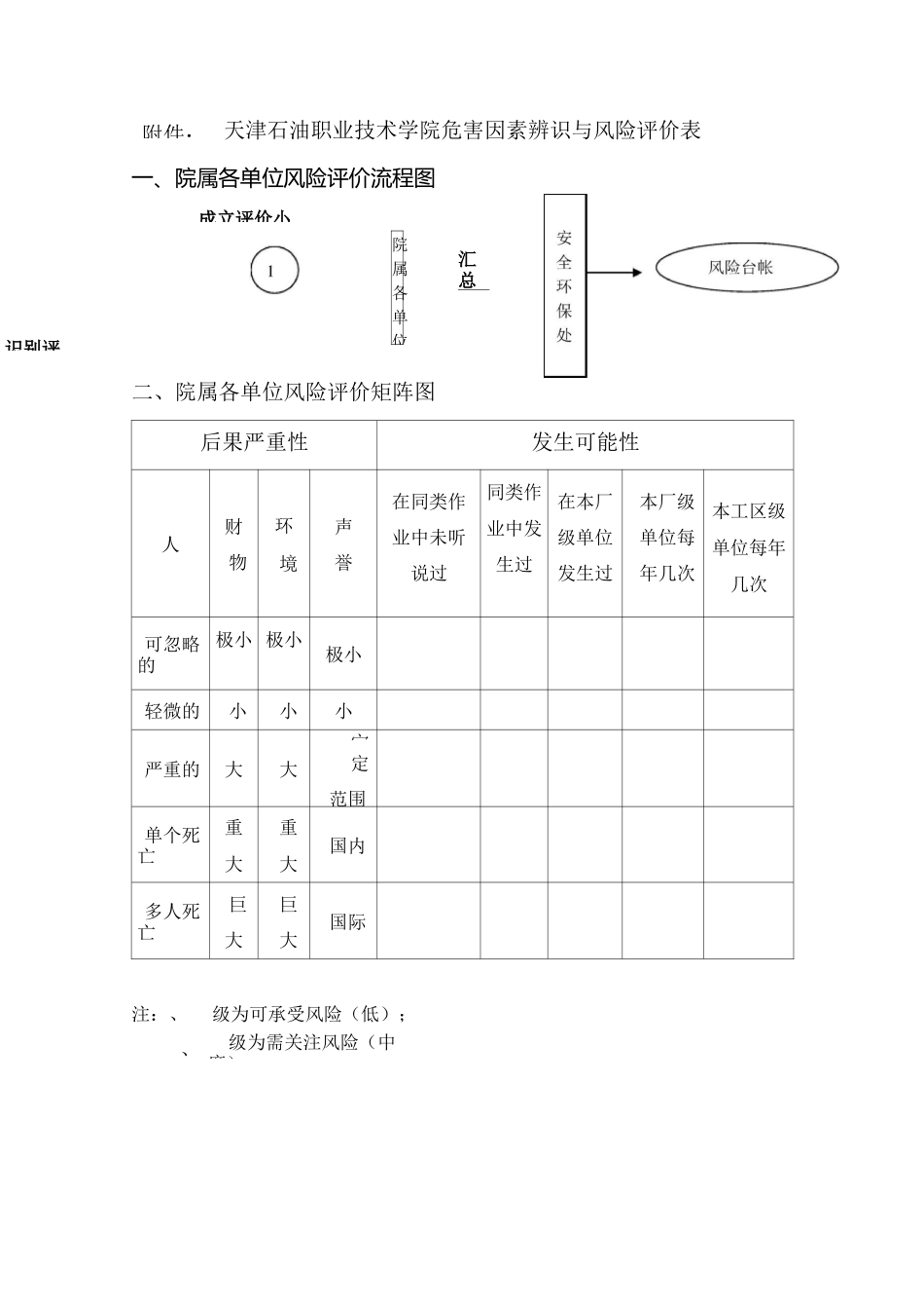
天津石油职业技术学院关于开展危害因素辨识和风险评价管理活动的通知院属各单位:依据油田公司《危害因素与风险评价管理程序》的要求,在院属各单位开展危害因素辩识活动,现将有关事宜通知如下:一、指导思想:危害因素辨识和风险评价是安全、健康、环境管理的前提和基础,也是HSE体系审核中重要的一项,做好危害因素辨识与风险评价工作是十分重要的。院属各单位领导要高度重视此项活动的开展,认真组织单位员工按通知要求,做好危害因素辨识和风险评价管理活动。二、组织要求:1、院属各单位要成立危害因素辨识与评价小组,由单位行政正职担任组长。2、学院重点要害部位要单独建档,由所属单位行政正职任组长。3、各单位对识别出的危害因素,每半年要进行评价并写出评价报告,上报安全环保处。三、辨识范围:1、办公场所、教学、实训场所、学生宿舍的设备;2、所有的岗位包括实验、实习;3、操作、作业活动的全过程;4、接触有毒有害物质的辨识;5、人员伤害。四、活动的时间和具体安排:1、活动时间为2013年5月10日至12月31日;2、各单位应对辨识出的危害因素建立管理台帐并根据各个危害因素制定消减措施和管理制度。3、具体岗位如何识别风险与评价见附件。安全环保处2013年5月10日附件:成立评价小识别评院属各单位汇总天津石油职业技术学院危害因素辨识与风险评价表一、院属各单位风险评价流程图二、院属各单位风险评价矩阵图后果严重性发生可能性人财物环境声誉在同类作业中未听说过同类作业中发生过在本厂级单位发生过本厂级单位每年几次本工区级单位每年几次可忽略的极小极小极小轻微的小小小严重的大大宀定范围单个死亡重大重大国内多人死亡巨大巨大国际注:、级为可承受风险(低);、级为需关注风险(中度);级为不可承受风险(高度)三、评价具体说明评价说明:DDDDD序号影响程度说明可忽略的对健康没有任何伤害和损害轻微伤害对完成目前工作有影响,如某些行动不便或需要一周以内的休息才能恢复严重的导致某些工作能力的永久丧失或需要长期休息才能恢复工作单个死亡单个死亡或永久性能力丧失,来自事故或职业病多个死亡多个死亡,源于事故或职业病DDDD序号影响程度说明极小损失没有影响操作小的损失稍微影响生产操作大的损失现场损坏,修理后能重新使用重大损失现场部分功能丧失巨大损失现场全部功能丧失,广泛损失DDDD序号影响程度说明极小影响环境破坏限制在系统和作业现场范围内小的影响破坏大到足以影响环境,单项超过基本或预定标准大的影响已知的有毒物质有限排放,多项超过基本或预定标准,并漏出了作业环境。重大影响严重的环境破坏,承包商或业主被责令把污染的环境恢复到污染前的水平巨大影响对环境的持续严重破坏或扩散到很大区域,对承包商或业主造成严重损失,持续破坏预先规定的环境界限DDDD序号影响程度说明极小影响公众有反应,但没有关注小的影响一些当地公众表示关注,受到一些指责,一些媒体有报道,政治上受到重视一定范围地区性公众关注,受到大量指责,当地媒体大量反面报道,国内媒体或当地、地区政策的可能限制措施或对许可证的颁发有影响国内范围国内公众关注,受到持续不断的指责,国内媒体大量反面报道,国家政策可能的限制措施或许可证受到影响,引起群众集会国际影响引起国际和国内关注,国际媒体大量反面报道,国际、国内政策上关注,对进入新区域资质取得不利,受到群众压力,对承包商或业主在其他国家经营产生不利影响四、危害因素辨识与风险评价表格见附表岗位危害因素调查表岗位:安全环保填表人(本岗位):秦宝生时间:年月曰序号危害因素危害事件预防措施应急措施人走不关电脑、打印机等电器电器损坏、起火按要求关闭电器立即切断电源并及时上报在办公室吸烟发生火灾烟头要放进烟灰缸利用现有工具立即扑救并及时上报酒后上岗引发人员触电严禁酒后上岗及时断电并通知保健站乘车办公车辆故障或违章驾驶选择专业驾驶人员及时报警并通知本单位冬季霜、冰天上下班滑倒、跌倒尽量慢走、走有防滑垫的地方及时去保健站救治注:危害因素是指有毒有害、易燃易爆物质的泄漏,如氨泄漏设备设施的各种缺陷,如机泵的密封泄漏、罐底变形超温...

1、当您付费下载文档后,您只拥有了使用权限,并不意味着购买了版权,文档只能用于自身使用,不得用于其他商业用途(如 [转卖]进行直接盈利或[编辑后售卖]进行间接盈利)。
2、本站所有内容均由合作方或网友上传,本站不对文档的完整性、权威性及其观点立场正确性做任何保证或承诺!文档内容仅供研究参考,付费前请自行鉴别。
3、如文档内容存在违规,或者侵犯商业秘密、侵犯著作权等,请点击“违规举报”。

碎片内容

风险评价矩阵图

确认删除?
VIP
微信客服
  • 扫码咨询
会员Q群
  • 会员专属群点击这里加入QQ群
客服邮箱
回到顶部