电脑桌面
添加小米粒文库到电脑桌面
安装后可以在桌面快捷访问

钻孔咬合桩施工方案VIP免费

钻孔咬合桩施工方案_第1页
1/10
钻孔咬合桩施工方案_第2页
2/10
钻孔咬合桩施工方案_第3页
3/10
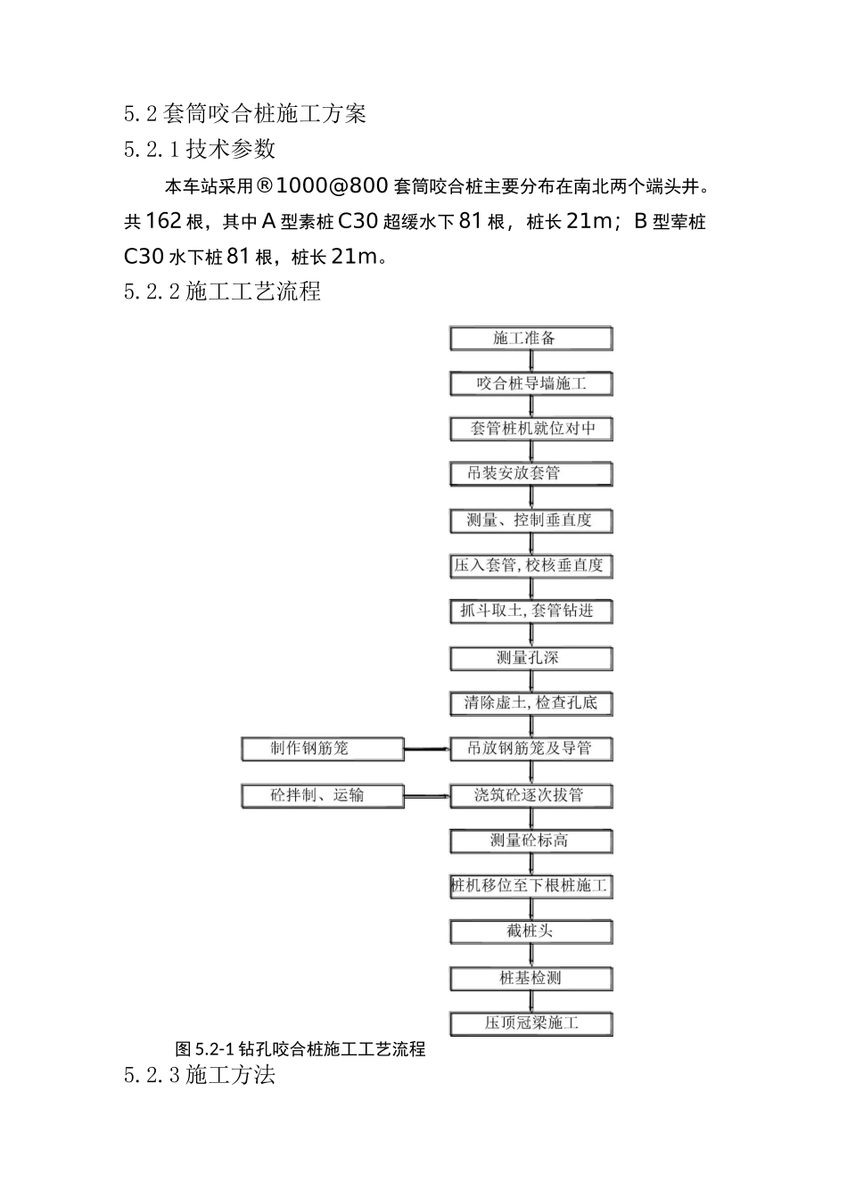
5.2套筒咬合桩施工方案5.2.1技术参数本车站采用®1000@800套筒咬合桩主要分布在南北两个端头井。共162根,其中A型素桩C30超缓水下81根,桩长21m;B型荤桩C30水下桩81根,桩长21m。5.2.2施工工艺流程图5.2-1钻孔咬合桩施工工艺流程5.2.3施工方法5.2.3.1测量放样施工前,采用全站仪放出钻孔咬合桩中心轴线,以确定导墙位置。并将测量结果上报监理、测监单位复核。为保证主体结构侧墙厚度,根据我公司类似工程的施工经验,钻孔咬合桩中心轴线按设计位置外放8cm。5.2.3.2导墙施工测量放出桩位中心轴线,挖设导墙沟槽,导墙基底建于密实的地基上,以保证导墙的稳定性。咬合桩导墙导墙为400mm厚C20钢筋砼,导墙横向配筋采用®10@200HPB300I级钢筋,导墙纵向配筋采用16616HRB400皿级钢筋,导墙每边宽1500mm,厚度400mm。导墙每隔20m布置一道施工缝,施工缝尽量避开在桩中心两侧,导墙构造详见附图5.2-2图5.2-2咬合桩导墙平面图导墙内径大于设计桩径80mm,垂直度偏差控制在2%。以内。导墙采用商品砼,人工入模,插入式振动棒振捣。在砼强度达到70%后拆模,拆模后立即加设对口撑,保证导墙在施工中保持稳定。砼养护期为7d,养护期间严禁在导墙上堆放材料及机具设备,严禁任何车辆通行。5.2.3.3钻进成孔钻孔咬合桩工作内容主要由CG-1000型液压摇动套管钻机下压套管,由冲抓取土成孔,由履带起重机安装钢筋笼,灌注砼等吊装作业。咬合桩主要工作设备为液压钻机、履带起重机、液压工作站、冲击抓斗及套管组成。该套设备可施工直径800~1200mm的钻孔桩,最大施工深度达45m,摇动力达1255kN,最大扭距1470KN・m,根据苏州地区类似工程施工经验,可以满足本工程施工需要。在钻孔桩成孔过程中,用套管正反扭动加压下切,管内冲击抓斗取土,使套管压入至桩的设计深度,形成套管护壁成孔,施工速度快,成孔精度高、质量好,桩间相互咬合排列形成围护墙。⑴钻机就位:待导墙验收合格后,将套管钻机就位,使抱管器中心对应在导墙孔位中心,并调整好套管垂直度,首节偏差不得大于5%o,⑵取土成孔:压入第一节套管,压入深度约2.5~3m,然后用抓斗从套管内取土,一边取土,一边继续下压套管,始终保持套管底口超前开挖面2m以上。第一节套管压入土中后(地面上留1.2~1.5m,以便于接管),检测垂直度,如不合格则进行纠偏,合格则安装第二节套管继续下压取土,如此重复,直至达到设计孔底。5.2.3.4钢筋笼制安⑴材料准备:钢材运到加工场地后随即取样送检,检测合格后投入使用。按标准化工地对钢材分规格分批次分检测状态堆放,并做好标识,为避免钢材受潮生锈,对钢材上盖下垫,钢材多时分层堆码,方便取用。⑵钢筋加工:用于钢筋笼制作的钢筋先除锈、调直处理。按钢筋配料表加工,半成品堆码整齐并做好标识。钢筋笼主筋连接采用闪光对焊,对焊接头及时取样送检。外观检查及应对措施:①接头处没有横向裂纹。如有裂纹,换低频预热方法,增加预热程度;②与电极接触处的钢筋表面,殳有明显烧伤。如表面微熔及烧伤,及时清除钢筋被夹紧部位的铁锈和油污,清除电极内表面的氧化物,改进电极槽口形状,增大接触面积,施焊时夹紧钢筋;③加强箍筋在胎盘模型上弯曲成型,确保箍筋成型直径。接头采用双面搭接焊,焊缝长度不小于5d(d为钢筋直径,下同),焊缝宽度不小于0.8d,厚度不小于0.3d。施焊过程中电流适当,不烧伤钢筋,施焊结束敲除焊渣。螺旋箍筋先冷拉调直,同样在胎盘模型上弯曲成型,切成小捆备用。⑶钢筋笼制作:钢筋场地内提前修建钢筋笼加工台架,先定位加强箍筋,自钢筋笼顶向下间距2m-道,底端两处可适当调整间距,但不超过2.5m。定位好加强箍筋后,安装第一根主筋,要求安装后平直并点焊牢固。再利用特制的间距卡逐根安装其余主筋。骨架制作完成后,选两根以上主筋按钢筋图画出螺旋箍筋间距点,注意各主筋上间距点错开布置。按间距点绑好螺旋箍筋,绑扎量为总数的50%,梅花型绑扎。钢筋笼保护层采用定位钢筋,与加强箍筋对应位置安装,每断面8个,垂直焊接到主筋上,焊缝长10cm,焊缝宽8mm。制作好的钢筋笼放到成品堆放区并填好标识牌。钢筋笼堆放时,下面要求垫高防水,上面要求覆盖防雨。⑷钢筋笼吊放:钢筋笼下放后...

1、当您付费下载文档后,您只拥有了使用权限,并不意味着购买了版权,文档只能用于自身使用,不得用于其他商业用途(如 [转卖]进行直接盈利或[编辑后售卖]进行间接盈利)。
2、本站所有内容均由合作方或网友上传,本站不对文档的完整性、权威性及其观点立场正确性做任何保证或承诺!文档内容仅供研究参考,付费前请自行鉴别。
3、如文档内容存在违规,或者侵犯商业秘密、侵犯著作权等,请点击“违规举报”。

碎片内容

钻孔咬合桩施工方案

wxg+ 关注
实名认证
内容提供者

该用户很懒,什么也没介绍

确认删除?
VIP
微信客服
  • 扫码咨询
会员Q群
  • 会员专属群点击这里加入QQ群
客服邮箱
回到顶部