电脑桌面
添加小米粒文库到电脑桌面
安装后可以在桌面快捷访问

人工挖孔桩开挖提升机配重计算书文档良心出品VIP免费

人工挖孔桩开挖提升机配重计算书文档良心出品_第1页
1/3
人工挖孔桩开挖提升机配重计算书文档良心出品_第2页
2/3
人工挖孔桩开挖提升机配重计算书文档良心出品_第3页
3/3
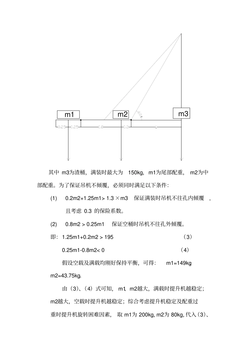
人工挖孔桩提升机具抗倾覆计算书本计算书适用于重庆潼南至荣昌高速公路TJ9标段内桥梁人工挖孔桩施工作业。一、提升机结构原理提升机由动力装置和支架两部分组成。动力装置由电动机、加速器、离合器、制电器、绳筒和钢丝绳组成。电动机位傍磁式单相电容电动机,设计有断电即制动机构;电机还装有热敏开关,可防止电机过热而烧坏;减速机位两级齿轮减速,固连于电机、离合器、制动器于绳筒装为一体,但离合器处于脱离状态时,可实现快速下降,操作制动器可控制下降速度以免发生冲击。操作按钮启动器实现电动机正反转可将钢丝绳卷绕、放开,并通过支架部分滑轮起吊下方物料来完成吊运作业。支架在平台出可旋转,便于倾倒渣土,使用方便。二、提升机抗倾覆计算提升机结构如下图:m1m2m3其中m3为渣桶,满装时最大为150kg,m1为尾部配重,m2为中部配重。为了保证吊机不倾覆,必须同时满足以下条件:(1)0.2m2+1.25m1>1.3×m3保证满装时吊机不往孔内倾覆,且考虑0.3的保险系数。(2)0.8m2>0.25m1保证空桶时吊机不往孔外倾覆。即:1.25m1+0.2m2>195(3)0.25m1-0.8m2<0(4)假设空载及满载均刚好保持平衡,可得:m1=149kg、m2=43.75kg。由(3)、(4)式可知,m1、m2越大,满载时提升机越稳定;m2越大,空载时提升机越稳定;综合考虑提升机稳定及配重过重时提升机旋转困难因素,取m1为200kg,m2为80kg,代入(3)、(4)式:1.25m1+0.2m2=266>195,满足条件0.25m1-0.8m2=-14<0,满足条件。因此,此提升机尾部配重200kg,中部配重80kg,能够保证其他运行过程中维持稳定,保证安全。三、使用中注意事项1、凡参加施工的人员必须熟悉提升机的安全知识及其性能,按要求进行吊装,并严格执行操作规范。2、在施工过程中,施工人员必须具体分工,明确职责。在整个吊装过程中,要确实遵守现场秩序,服从命令听指挥,不得擅自离开工作岗位。3、吊装过程中,应有统一的指挥信号,以便协调动作。4、吊装时,起吊信号由下方工作人员指挥调配,下方指挥人员应做到传递信号迅速、准确,并在吊运开始前及时离开危险区域。5、在整个施工过程中要做好现场清理,清除障碍物,以利作业。6、施工人员必须戴好安全帽,系好安全带,并系在安全位置。工具应有保险绳,不准随意往下扔东西。7、电线要远离钢丝绳,手柄线应绕开电机,电线与钢丝绳交叉时应隔开,严禁接触。

1、当您付费下载文档后,您只拥有了使用权限,并不意味着购买了版权,文档只能用于自身使用,不得用于其他商业用途(如 [转卖]进行直接盈利或[编辑后售卖]进行间接盈利)。
2、本站所有内容均由合作方或网友上传,本站不对文档的完整性、权威性及其观点立场正确性做任何保证或承诺!文档内容仅供研究参考,付费前请自行鉴别。
3、如文档内容存在违规,或者侵犯商业秘密、侵犯著作权等,请点击“违规举报”。

碎片内容

人工挖孔桩开挖提升机配重计算书文档良心出品

您可能关注的文档

爱的疯狂+ 关注
实名认证
内容提供者

该用户很懒,什么也没介绍

相关文档

确认删除?
VIP
微信客服
  • 扫码咨询
会员Q群
  • 会员专属群点击这里加入QQ群
客服邮箱
回到顶部