电脑桌面
添加小米粒文库到电脑桌面
安装后可以在桌面快捷访问

人工挖孔灌注桩桩孔验收1讲解VIP免费

人工挖孔灌注桩桩孔验收1讲解_第1页
1/35
人工挖孔灌注桩桩孔验收1讲解_第2页
2/35
人工挖孔灌注桩桩孔验收1讲解_第3页
3/35
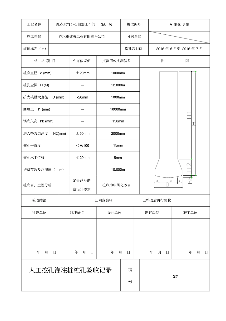
编1#工程名称红赤水竹笋石斛加工车间3#厂房桩位编号A轴交1轴施工单位赤水市建筑工程有限责任公司分包单位桩顶标高(m)造孔起时间2016年6月至2016年7月检查项目允许偏差值实测值或实测偏差附图桩身直径d(mm)±20mm1000mm桩孔全深H(M)—21.360m扩大头最大直径D(mm)-20mm1000mm回填土H1(mm)—18000mm锅底矢高hb(mm)—150mm进入持力层深度H2(mm)±50mm3360mm桩孔垂直度<H/10020mm桩孔水平位移≤20mm5mm护壁节数及总深度(m)—18.000m桩底岩、土性分析是否满足勘察设计要求桩底为中风化砂岩验收结论□同意验收□整改后再行验收建设单位监理单位设计单位勘察单位施工单位年月日年月日年月日年月日年月日人工挖孔灌注桩桩孔验收记录号2#工程名称红赤水竹笋石斛加工车间3#厂房桩位编号A轴交3轴施工单位赤水市建筑工程有限责任公司分包单位桩顶标高(m)造孔起时间2016年6月至2016年7月检查项目允许偏差值实测值或实测偏差附图桩身直径d(mm)±20mm1000mm桩孔全深H(M)—12.000m扩大头最大直径D(mm)-20mm1000mm回填土H1(mm)—10000mm锅底矢高hb(mm)—150mm进入持力层深度H2(mm)±50mm2000mm桩孔垂直度<H/10015mm桩孔水平位移≤20mm5mm护壁节数及总深度(m)—10.000m桩底岩、土性分析是否满足勘察设计要求桩底为中风化砂岩验收结论□同意验收□整改后再行验收建设单位监理单位设计单位勘察单位施工单位年月日年月日年月日年月日年月日人工挖孔灌注桩桩孔验收记录编号3#工程名称红赤水竹笋石斛加工车间3#厂房桩位编号A轴交4轴施工单位赤水市建筑工程有限责任公司分包单位桩顶标高(m)造孔起时间2016年6月至2016年7月检查项目允许偏差值实测值或实测偏差附图桩身直径d(mm)±20mm1000mm桩孔全深H(M)—21.300m扩大头最大直径D(mm)-20mm1000mm回填土H1(mm)—19000mm锅底矢高hb(mm)—150mm进入持力层深度H2(mm)±50mm2300mm桩孔垂直度<H/10015mm桩孔水平位移≤20mm5mm护壁节数及总深度(m)—19.000m桩底岩、土性分析是否满足勘察设计要求桩底为中风化砂岩验收结论□同意验收□整改后再行验收建设单位监理单位设计单位勘察单位施工单位年月日年月日年月日年月日年月日人工挖孔灌注桩桩孔验收记录编号4#工程名称红赤水竹笋石斛加工车间3#厂房桩位编号A轴交5轴施工单位赤水市建筑工程有限责任公司分包单位桩顶标高(m)造孔起时间2016年6月至2016年7月检查项目允许偏差值实测值或实测偏差附图桩身直径d(mm)±20mm1000mm桩孔全深H(M)—20.800m扩大头最大直径D(mm)-20mm1000mm回填土H1(mm)—18000mm锅底矢高hb(mm)—150mm进入持力层深度H2(mm)±50mm2800mm桩孔垂直度<H/10016mm桩孔水平位移≤20mm5mm护壁节数及总深度(m)—18.000m桩底岩、土性分析是否满足勘察设计要求桩底为中风化砂岩验收结论□同意验收□整改后再行验收建设单位监理单位设计单位勘察单位施工单位年月日年月日年月日年月日年月日人工挖孔灌注桩桩孔验收记录编号5#工程名称红赤水竹笋石斛加工车间3#厂房桩位编号A轴交6轴施工单位赤水市建筑工程有限责任公司分包单位桩顶标高(m)造孔起时间2016年6月至2016年7月检查项目允许偏差值实测值或实测偏差附图桩身直径d(mm)±20mm1000mm桩孔全深H(M)—17.600m扩大头最大直径D(mm)-20mm1000mm回填土H1(mm)—15000mm锅底矢高hb(mm)—150mm进入持力层深度H2(mm)±50mm2600mm桩孔垂直度<H/10016mm桩孔水平位移≤20mm5mm护壁节数及总深度(m)—15.000m桩底岩、土性分析是否满足勘察设计要求桩底为中风化砂岩验收结论□同意验收□整改后再行验收建设单位监理单位设计单位勘察单位施工单位年月日年月日年月日年月日年月日人工挖孔灌注桩桩孔验收记录编号6#工程名称红赤水竹笋石斛加工车间3#厂房桩位编号A轴交7轴施工单位赤水市建筑工程有限责任公司分包单位桩顶标高(m)造孔起时间2016年6月至2016年7月检查项目允许偏差值实测值或实测偏差附图桩身直径d(mm)±20mm1000mm桩孔全深H(M)—16.000m扩大头最大直径D(mm)-20mm1000mm回填土H1(mm)—14000mm锅底矢高hb(mm)—150mm进入持力层深度H2(mm)±50mm2000mm桩孔垂直度<H/10015mm桩孔水平位移≤20mm5mm护壁节数及总深度(m)—14.000m桩底岩...

1、当您付费下载文档后,您只拥有了使用权限,并不意味着购买了版权,文档只能用于自身使用,不得用于其他商业用途(如 [转卖]进行直接盈利或[编辑后售卖]进行间接盈利)。
2、本站所有内容均由合作方或网友上传,本站不对文档的完整性、权威性及其观点立场正确性做任何保证或承诺!文档内容仅供研究参考,付费前请自行鉴别。
3、如文档内容存在违规,或者侵犯商业秘密、侵犯著作权等,请点击“违规举报”。

碎片内容

人工挖孔灌注桩桩孔验收1讲解

您可能关注的文档

确认删除?
VIP
微信客服
  • 扫码咨询
会员Q群
  • 会员专属群点击这里加入QQ群
客服邮箱
回到顶部