电脑桌面
添加小米粒文库到电脑桌面
安装后可以在桌面快捷访问

人教版九年级物理【推荐】第十七章综合测试卷1VIP免费

人教版九年级物理【推荐】第十七章综合测试卷1_第1页
1/7
人教版九年级物理【推荐】第十七章综合测试卷1_第2页
2/7
人教版九年级物理【推荐】第十七章综合测试卷1_第3页
3/7
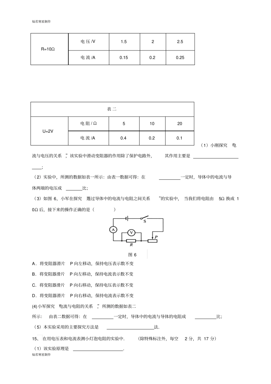
灿若寒星制作灿若寒星制作图1图2第十七章综合测试卷一、选择题(每小题只有一个正确选项,每小题4分,共28分)1、研究并发现通过导体的电流与它两端电压之间的关系,是具有里程碑意义的电学发现,做出这一贡献的科学家是()A.安培B.伏特C.欧姆D.牛顿2、如图1所示,当开关S闭合后,电压表测出的电压是()A.灯L1两端的电压B.灯L2两端的电压C.灯L1和L2两端的总电压D.电源两端的电压3、根据欧姆定律公式I=U/R可以导出R=U/I,由公式得出的正确结论是()A、导体电阻的大小跟导体两端电压成正比B、导体电阻的大小跟导体中电流成反比C、导体电阻的大小是由导体两端的电压和通过导体中的电流共同决定D、导体的电阻是导体本身的一种性质,其大小与导体两端的电压和通过导体中的电流无关4、如图2所示,某同学在做“测量小灯泡的电阻”的实验时,误将电流表和电压表调换了位置。闭合开关S后,下列现象中会发生的是()A.电压表被烧坏B.小灯泡不亮C.小灯泡被烧坏D.电流表被烧坏5、在“用伏安法测电阻”的实验中,下列注意事项中,没有必要的是()A.应从电源的正极开始连线,开关应靠近电源的正极B.在无法估计被测电阻大小时,电流表、电压表应选用较大的量程C.接电路时,先断开开关D.将变阻器连入电路时,滑片应放在变阻器阻值最大的位置上6、伏安法测电阻实验中,滑动变阻器不能起到的作用是()A.改变待测电阻两端的电压B.改变电路中的电流C.改变待测电阻的阻值D.保护电路7、图3所示的是握力计的原理图,其中弹簧上端和滑动变阻器滑片固定在一起,AB间有可收缩的灿若寒星制作灿若寒星制作图3导线,R0为保护电阻,电压表可显示压力的大小。则当握力F增加时电压表的示数将()A.变大B.变小C.不变D.无法确定二、填空题(每空2分,共22分)8、一个导体两端加4V电压时,通过它的电流强度为0.8A,则该导体的电阻为,当把它两端电压变为6V时,通过它的电流为___________,它的电阻为_________。当它两端的电压为0V时,流过它的电流为__________,它的电阻为_________。9、一盏灯电阻为12Ω,正常工作时电流为0.5A,若把它接在8V的电源上,还需要再联一个Ω的电阻。10、在家庭电路中不能用湿手触摸开关,因为在潮湿的情况下,人体的电阻会变小,在电压一定的情况下,通过人体的电流会(填“变大”“变小”或“不变”)。这样就会很容易触电,对人体造成伤害。11、灯泡灯丝断了以后再搭上,电阻__________(选填“变大”“变小”或“不变”),接入原电路后将变亮。12、导体串联后相当于增加了导体的长度,因此导体串联后总电阻;导体并联后相当于增加导体的横截面积,导体并联后总电阻。(两空均选填“变大”“变小”或“不变”)三、作图和实验探究题(5分+10+17=32分)13、如图4所示的电路中,用电流表测通过L1的电路(约500mA),请用笔画线代替导线按电路图把图5所示的实物连接起来,连线不要交叉;并在电路图中标出电流表A的“+”“-”接线柱。(标电流表正负1分,画图4分)图4图514、小刚和小军在探究“电流与电压、电阻的关系”实验中:(每小题2分,共10分)表一灿若寒星制作灿若寒星制作图6(1)小刚探究“电流与电压的关系”,该实验中滑动变阻器的作用除了保护电路外,其作用主要是;(2)实验中,所测的数据如表一所示:由表一数据可得:在一定时,导体中的电流与导体两端的电压成比;(3)如图6,小军在探究“通过导体中的电流与电阻之间关系”的实验中,当我们将电阻由5Ω换成10Ω后,接下来的操作正确的是()A.将变阻器滑片P向左移动,保持电压表示数不变B.将变阻器滑片P向左移动,保持电流表示数不变C.将变阻器滑片P向右移动,保持电压表示数不变D.将变阻器滑片P向右移动,保持电流表示数不变(4)小军探究“电流与电阻的关系”,所测的数据如表二所示:由表二数据可得:在一定时,导体中的电流与导体的电阻成比;(5)本实验采用的主要探究方法是法.15、在用电压表和电流表测小灯泡电阻的实验中.(除特殊标注外,每空2分,共17分)(1)该实验原理是.R=10Ω电压/V1.522.5电流/A0.150.20.25表二U=2V电阻/Ω51020电流/A0.40.20.1灿若寒星制作灿若寒星制作图9图...

1、当您付费下载文档后,您只拥有了使用权限,并不意味着购买了版权,文档只能用于自身使用,不得用于其他商业用途(如 [转卖]进行直接盈利或[编辑后售卖]进行间接盈利)。
2、本站所有内容均由合作方或网友上传,本站不对文档的完整性、权威性及其观点立场正确性做任何保证或承诺!文档内容仅供研究参考,付费前请自行鉴别。
3、如文档内容存在违规,或者侵犯商业秘密、侵犯著作权等,请点击“违规举报”。

碎片内容

人教版九年级物理【推荐】第十七章综合测试卷1

确认删除?
VIP
微信客服
  • 扫码咨询
会员Q群
  • 会员专属群点击这里加入QQ群
客服邮箱
回到顶部